Skip to main content

Parts Diagrams

customer service agent speaking with a customer

Welcome, Kawasaki owners. Access the information and tools you need to get the most out of your vehicle.

Welcome, Kawasaki owners. Access the information and tools you need to get the most out of your vehicle.

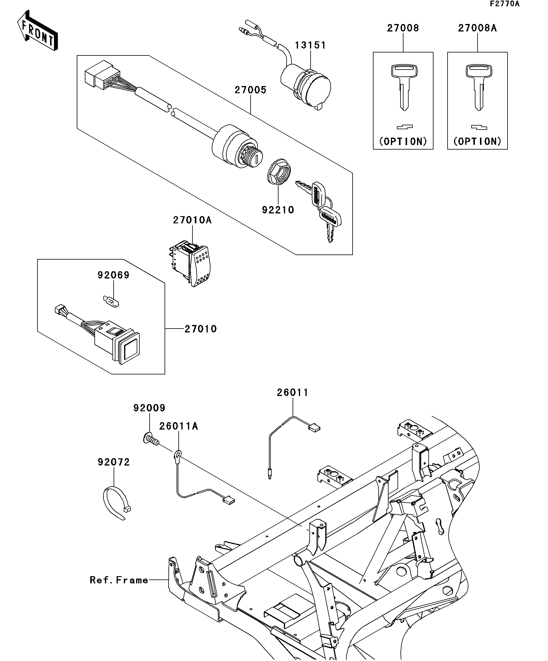
2013 MULE 4010 TRANS4x4 Realtree APG HD - Ignition Switch(SDF)

13151
26011
26011A
27005
27008
27008A
27010
27010A
92009
92069
92072
92210
Part Item Information
ITEM NAME REF # PART NUMBER QUANTITY DESTINATION REMARKS
SWITCH-COMP,D.C.TERMINAL 13151 13151-0003 1
WIRE-LEAD,360MM 26011 26011-0796 1
WIRE-LEAD,320MM 26011A 26011-0797 1
SWITCH-ASSY-IGNITION 27005 27005-0011 1
KEY-LOCK,BLANK 27008 27008-1153 1 (OPTION)
KEY-LOCK,BLANK 27008A 27008-1157 1 (OPTION)
SWITCH,HEAD LAMP 27010 27010-0105 1
SWITCH,HORN 27010A 27010-0734 1
SCREW,TAPPING,6X16 92009 92009-1166 1
BULB,12V 1.7W 92069 92069-0036 1
BAND,L=188 92072 92072-1239 1
NUT,IGNITION SWITCH 92210 92210-1264 1