Skip to main content

Parts Diagrams

customer service agent speaking with a customer

Welcome, Kawasaki owners. Access the information and tools you need to get the most out of your vehicle.

Welcome, Kawasaki owners. Access the information and tools you need to get the most out of your vehicle.

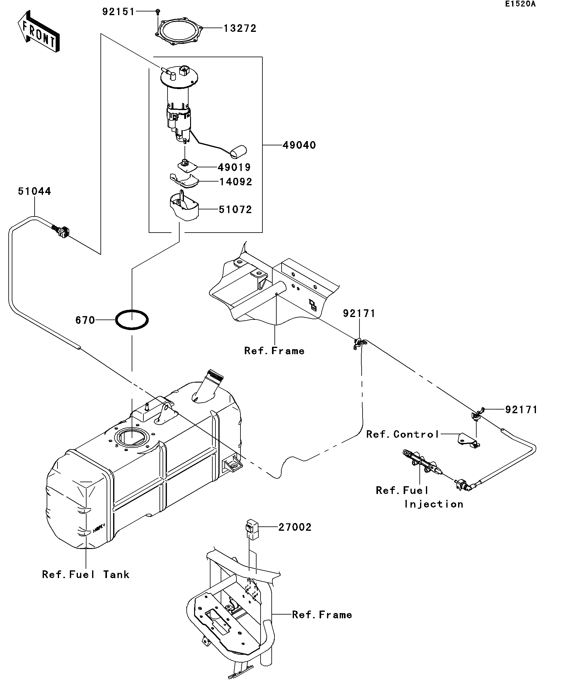
2013 MULE 4010 TRANS4x4 Realtree APG HD - Fuel Pump(SDF)

13272
14092
27002
49019
49040
51044
51072
92151
92171
92171
670
Part Item Information
ITEM NAME REF # PART NUMBER QUANTITY DESTINATION REMARKS
PLATE 13272 13272-1398 1
COVER 14092 14092-1044 1
RELAY-ASSY 27002 27002-1088 2
FILTER-FUEL 49019 49019-0013 1
PUMP-FUEL 49040 49040-0718 1
TUBE-ASSY,FUEL 51044 51044-0737 1
CHAMBER-FUEL 51072 51072-0003 1
BOLT,FLANGED,5X11.5 92151 92151-1754 6
CLAMP 92171 92171-0453 2
O RING 670 670E5090 1