main content of page
Parts Diagrams
| OWNER CENTER | 
 
        Welcome, Kawasaki owners. Access the information and tools you need to get the most out of your vehicle.
| OWNER CENTER | 
Welcome, Kawasaki owners. Access the information and tools you need to get the most out of your vehicle.
| Parts Diagrams | 
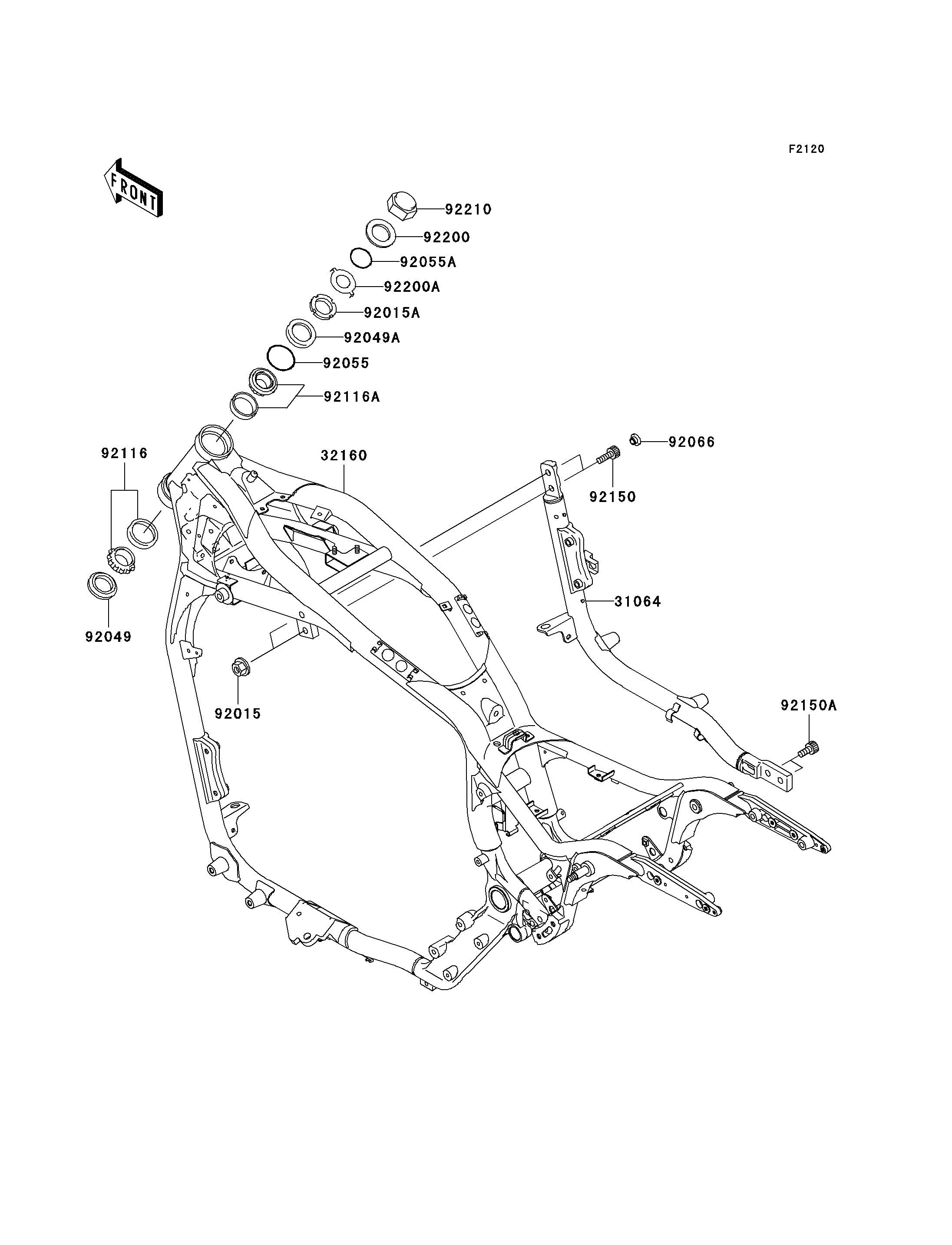
                                            31064
                                        
                                    
                                            32160
                                        
                                    
                                            92015
                                        
                                    
                                            92015A
                                        
                                    
                                            92049
                                        
                                    
                                            92049A
                                        
                                    
                                            92055
                                        
                                    
                                            92055A
                                        
                                    
                                            92066
                                        
                                    
                                            92116
                                        
                                    
                                            92116A
                                        
                                    
                                            92150
                                        
                                    
                                            92150A
                                        
                                    
                                            92200
                                        
                                    
                                            92200A
                                        
                                    
                                            92210
                                        
                                    | ITEM NAME | REF # | PART NUMBER | QUANTITY | DESTINATION | REMARKS | 
|---|---|---|---|---|---|
| PIPE-COMP,DOWN TUBE,RH,P.RED | 31064 | 31064-0042-796 | 1 | ||
| FRAME-COMP,P.RED | 32160 | 32160-0158-796 | 1 | ||
| NUT,FLANGED,10MM | 92015 | 92015-1727 | 2 | ||
| NUT,STEERING STEM,35MM | 92015A | 92015-1848 | 1 | ||
| SEAL-OIL,XMHE 43 55 4J | 92049 | 92049-1383 | 1 | ||
| SEAL-OIL,MX043N2 | 92049A | 92049-1483 | 1 | ||
| RING-O,34.5X2.0 | 92055 | 92055-1452 | 1 | ||
| RING-O,ID=24.5 | 92055A | 92055-1459 | 1 | ||
| PLUG | 92066 | 92066-1562 | 2 | ||
| BEARING-ROLLER,32907JR-2 | 92116 | 92116-1072 | 1 | ||
| BEARING-ROLLER,32907JR-3 | 92116A | 92116-1074 | 1 | ||
| BOLT,SOCKET,10X30 | 92150 | 92150-1690 | 2 | ||
| BOLT,SOCKET,10X23 | 92150A | 92150-1942 | 2 | ||
| WASHER,25.5X42X2.3 | 92200 | 92200-0105 | 1 | ||
| WASHER,CLAW,25.5X40X2.3 | 92200A | 92200-1083 | 1 | ||
| NUT,CAP,25MM | 92210 | 92210-1166 | 1 | 
| PIPE-COMP,DOWN TUBE,RH,P.RED | |
| REF # | 31064 | 
|---|---|
| PART NUMBER | |
| QUANTITY | 1 | 
| DESTINATION | |
| REMARKS | |
| FRAME-COMP,P.RED | |
| REF # | 32160 | 
|---|---|
| PART NUMBER | |
| QUANTITY | 1 | 
| DESTINATION | |
| REMARKS | |
| NUT,FLANGED,10MM | |
| REF # | 92015 | 
|---|---|
| PART NUMBER | |
| QUANTITY | 2 | 
| DESTINATION | |
| REMARKS | |
| NUT,STEERING STEM,35MM | |
| REF # | 92015A | 
|---|---|
| PART NUMBER | |
| QUANTITY | 1 | 
| DESTINATION | |
| REMARKS | |
| SEAL-OIL,XMHE 43 55 4J | |
| REF # | 92049 | 
|---|---|
| PART NUMBER | |
| QUANTITY | 1 | 
| DESTINATION | |
| REMARKS | |
| SEAL-OIL,MX043N2 | |
| REF # | 92049A | 
|---|---|
| PART NUMBER | |
| QUANTITY | 1 | 
| DESTINATION | |
| REMARKS | |
| RING-O,34.5X2.0 | |
| REF # | 92055 | 
|---|---|
| PART NUMBER | |
| QUANTITY | 1 | 
| DESTINATION | |
| REMARKS | |
| RING-O,ID=24.5 | |
| REF # | 92055A | 
|---|---|
| PART NUMBER | |
| QUANTITY | 1 | 
| DESTINATION | |
| REMARKS | |
| PLUG | |
| REF # | 92066 | 
|---|---|
| PART NUMBER | |
| QUANTITY | 2 | 
| DESTINATION | |
| REMARKS | |
| BEARING-ROLLER,32907JR-2 | |
| REF # | 92116 | 
|---|---|
| PART NUMBER | |
| QUANTITY | 1 | 
| DESTINATION | |
| REMARKS | |
| BEARING-ROLLER,32907JR-3 | |
| REF # | 92116A | 
|---|---|
| PART NUMBER | |
| QUANTITY | 1 | 
| DESTINATION | |
| REMARKS | |
| BOLT,SOCKET,10X30 | |
| REF # | 92150 | 
|---|---|
| PART NUMBER | |
| QUANTITY | 2 | 
| DESTINATION | |
| REMARKS | |
| BOLT,SOCKET,10X23 | |
| REF # | 92150A | 
|---|---|
| PART NUMBER | |
| QUANTITY | 2 | 
| DESTINATION | |
| REMARKS | |
| WASHER,25.5X42X2.3 | |
| REF # | 92200 | 
|---|---|
| PART NUMBER | |
| QUANTITY | 1 | 
| DESTINATION | |
| REMARKS | |
| WASHER,CLAW,25.5X40X2.3 | |
| REF # | 92200A | 
|---|---|
| PART NUMBER | |
| QUANTITY | 1 | 
| DESTINATION | |
| REMARKS | |
| NUT,CAP,25MM | |
| REF # | 92210 | 
|---|---|
| PART NUMBER | |
| QUANTITY | 1 | 
| DESTINATION | |
| REMARKS | |
 
                             
                             
                             
                             
                             
                            