main content of page
Parts Diagrams
| OWNER CENTER | 
 
        Welcome, Kawasaki owners. Access the information and tools you need to get the most out of your vehicle.
| OWNER CENTER | 
Welcome, Kawasaki owners. Access the information and tools you need to get the most out of your vehicle.
| Parts Diagrams | 
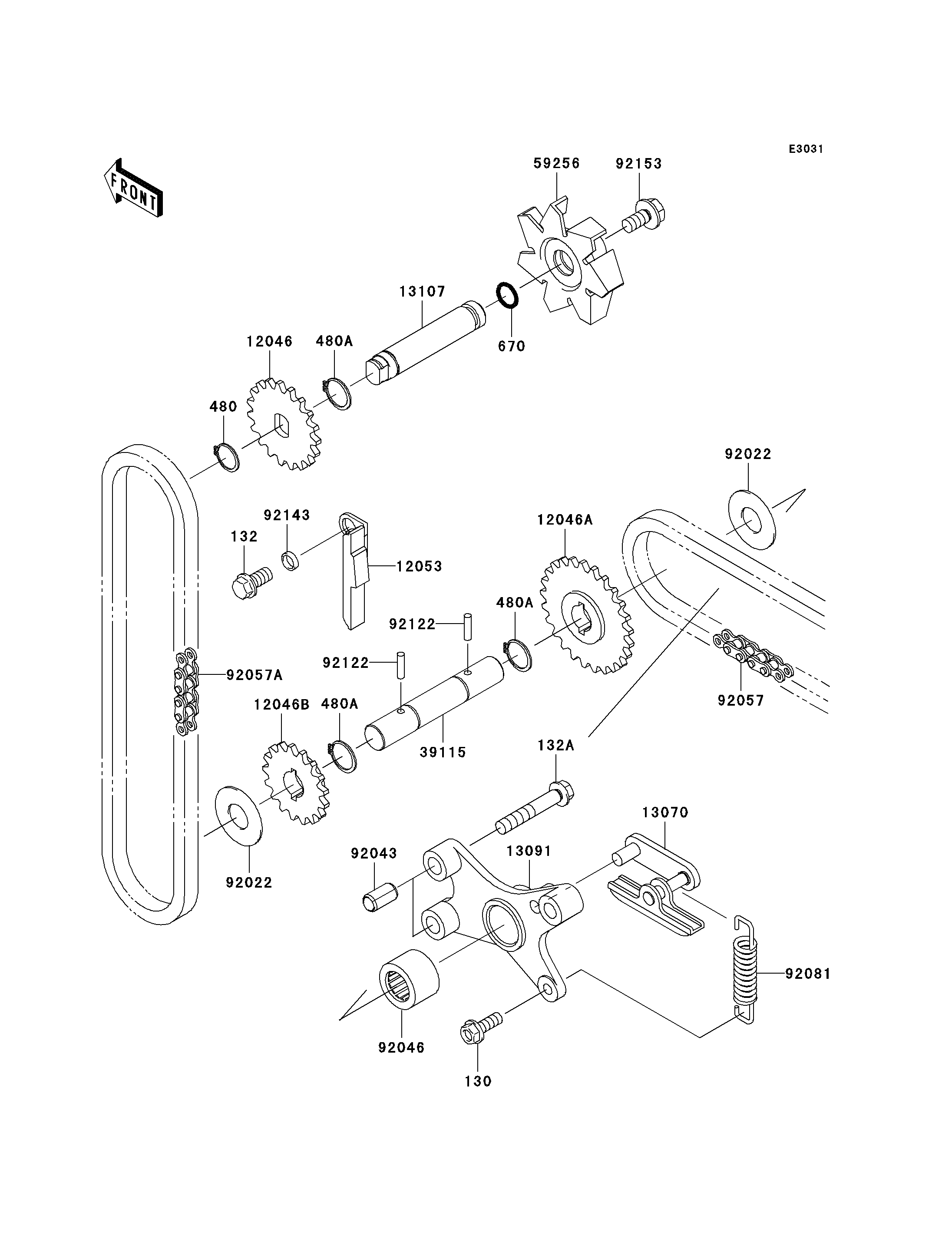
2006 Vulcan 1600 Mean Streak - Water Pump
                                            130
                                        
                                    
                                            132
                                        
                                    
                                            132A
                                        
                                    
                                            480
                                        
                                    
                                            480A
                                        
                                    
                                            480A
                                        
                                    
                                            480A
                                        
                                    
                                            670
                                        
                                    
                                            12046
                                        
                                    
                                            12046A
                                        
                                    
                                            12046B
                                        
                                    
                                            12053
                                        
                                    
                                            13070
                                        
                                    
                                            13091
                                        
                                    
                                            13107
                                        
                                    
                                            39115
                                        
                                    
                                            59256
                                        
                                    
                                            92022
                                        
                                    
                                            92022
                                        
                                    
                                            92043
                                        
                                    
                                            92046
                                        
                                    
                                            92057
                                        
                                    
                                            92057A
                                        
                                    
                                            92081
                                        
                                    
                                            92122
                                        
                                    
                                            92122
                                        
                                    
                                            92143
                                        
                                    
                                            92153
                                        
                                    | ITEM NAME | REF # | PART NUMBER | QUANTITY | DESTINATION | REMARKS | 
|---|---|---|---|---|---|
| BOLT-FLANGED,5X14 | 130 | 130D0514 | 1 | ||
| BOLT-FLANGED-SMALL,6X12 | 132 | 132G0612 | 1 | ||
| BOLT-FLANGED-SMALL,6X35 | 132A | 132G0635 | 3 | ||
| CIRCLIP-TYPE-C,11MM | 480 | 480J1100 | 1 | ||
| CIRCLIP-TYPE-C,12MM | 480A | 480J1200 | 3 | ||
| O RING,9MM | 670 | 670D1509 | 1 | ||
| SPROCKET,OIL PUMP,19T | 12046 | 12046-1079 | 1 | ||
| SPROCKET,CRANK IDLER,25T | 12046A | 12046-1096 | 1 | ||
| SPROCKET,IDLER,17T | 12046B | 12046-1097 | 1 | ||
| GUIDE-CHAIN | 12053 | 12053-1227 | 1 | ||
| GUIDE | 13070 | 13070-1178 | 1 | ||
| HOLDER | 13091 | 13091-1471 | 1 | ||
| SHAFT,IMPELLER | 13107 | 13107-1196 | 1 | ||
| SHAFT-IDLER | 39115 | 39115-1058 | 1 | ||
| IMPELLER | 59256 | 59256-1066 | 1 | ||
| WASHER,12X27.5X1.0 | 92022 | 92022-1852 | 2 | ||
| PIN,6.2X8X14 | 92043 | 92043-1263 | 2 | ||
| BEARING-NEEDLE,HK1212 | 92046 | 92046-1163 | 1 | ||
| CHAIN,BS25HX46L | 92057 | 92057-1230 | 1 | ||
| CHAIN,BS25HX44L | 92057A | 92057-1231 | 1 | ||
| SPRING,IDLER SHAFT | 92081 | 92081-1791 | 1 | ||
| ROLLER,3X15.8 | 92122 | 92122-1126 | 2 | ||
| COLLAR | 92143 | 92143-1123 | 1 | ||
| BOLT,6X12 | 92153 | 92153-0009 | 1 | 
| BOLT-FLANGED,5X14 | |
| REF # | 130 | 
|---|---|
| PART NUMBER | |
| QUANTITY | 1 | 
| DESTINATION | |
| REMARKS | |
| BOLT-FLANGED-SMALL,6X12 | |
| REF # | 132 | 
|---|---|
| PART NUMBER | |
| QUANTITY | 1 | 
| DESTINATION | |
| REMARKS | |
| BOLT-FLANGED-SMALL,6X35 | |
| REF # | 132A | 
|---|---|
| PART NUMBER | |
| QUANTITY | 3 | 
| DESTINATION | |
| REMARKS | |
| CIRCLIP-TYPE-C,11MM | |
| REF # | 480 | 
|---|---|
| PART NUMBER | |
| QUANTITY | 1 | 
| DESTINATION | |
| REMARKS | |
| CIRCLIP-TYPE-C,12MM | |
| REF # | 480A | 
|---|---|
| PART NUMBER | |
| QUANTITY | 3 | 
| DESTINATION | |
| REMARKS | |
| O RING,9MM | |
| REF # | 670 | 
|---|---|
| PART NUMBER | |
| QUANTITY | 1 | 
| DESTINATION | |
| REMARKS | |
| SPROCKET,OIL PUMP,19T | |
| REF # | 12046 | 
|---|---|
| PART NUMBER | |
| QUANTITY | 1 | 
| DESTINATION | |
| REMARKS | |
| SPROCKET,CRANK IDLER,25T | |
| REF # | 12046A | 
|---|---|
| PART NUMBER | |
| QUANTITY | 1 | 
| DESTINATION | |
| REMARKS | |
| SPROCKET,IDLER,17T | |
| REF # | 12046B | 
|---|---|
| PART NUMBER | |
| QUANTITY | 1 | 
| DESTINATION | |
| REMARKS | |
| GUIDE-CHAIN | |
| REF # | 12053 | 
|---|---|
| PART NUMBER | |
| QUANTITY | 1 | 
| DESTINATION | |
| REMARKS | |
| GUIDE | |
| REF # | 13070 | 
|---|---|
| PART NUMBER | |
| QUANTITY | 1 | 
| DESTINATION | |
| REMARKS | |
| HOLDER | |
| REF # | 13091 | 
|---|---|
| PART NUMBER | |
| QUANTITY | 1 | 
| DESTINATION | |
| REMARKS | |
| SHAFT,IMPELLER | |
| REF # | 13107 | 
|---|---|
| PART NUMBER | |
| QUANTITY | 1 | 
| DESTINATION | |
| REMARKS | |
| SHAFT-IDLER | |
| REF # | 39115 | 
|---|---|
| PART NUMBER | |
| QUANTITY | 1 | 
| DESTINATION | |
| REMARKS | |
| IMPELLER | |
| REF # | 59256 | 
|---|---|
| PART NUMBER | |
| QUANTITY | 1 | 
| DESTINATION | |
| REMARKS | |
| WASHER,12X27.5X1.0 | |
| REF # | 92022 | 
|---|---|
| PART NUMBER | |
| QUANTITY | 2 | 
| DESTINATION | |
| REMARKS | |
| PIN,6.2X8X14 | |
| REF # | 92043 | 
|---|---|
| PART NUMBER | |
| QUANTITY | 2 | 
| DESTINATION | |
| REMARKS | |
| BEARING-NEEDLE,HK1212 | |
| REF # | 92046 | 
|---|---|
| PART NUMBER | |
| QUANTITY | 1 | 
| DESTINATION | |
| REMARKS | |
| CHAIN,BS25HX46L | |
| REF # | 92057 | 
|---|---|
| PART NUMBER | |
| QUANTITY | 1 | 
| DESTINATION | |
| REMARKS | |
| CHAIN,BS25HX44L | |
| REF # | 92057A | 
|---|---|
| PART NUMBER | |
| QUANTITY | 1 | 
| DESTINATION | |
| REMARKS | |
| SPRING,IDLER SHAFT | |
| REF # | 92081 | 
|---|---|
| PART NUMBER | |
| QUANTITY | 1 | 
| DESTINATION | |
| REMARKS | |
| ROLLER,3X15.8 | |
| REF # | 92122 | 
|---|---|
| PART NUMBER | |
| QUANTITY | 2 | 
| DESTINATION | |
| REMARKS | |
| COLLAR | |
| REF # | 92143 | 
|---|---|
| PART NUMBER | |
| QUANTITY | 1 | 
| DESTINATION | |
| REMARKS | |
| BOLT,6X12 | |
| REF # | 92153 | 
|---|---|
| PART NUMBER | |
| QUANTITY | 1 | 
| DESTINATION | |
| REMARKS | |
 
                             
                             
                             
                             
                             
                            