Skip to main content

Parts Diagrams

customer service agent speaking with a customer

Welcome, Kawasaki owners. Access the information and tools you need to get the most out of your vehicle.

Welcome, Kawasaki owners. Access the information and tools you need to get the most out of your vehicle.

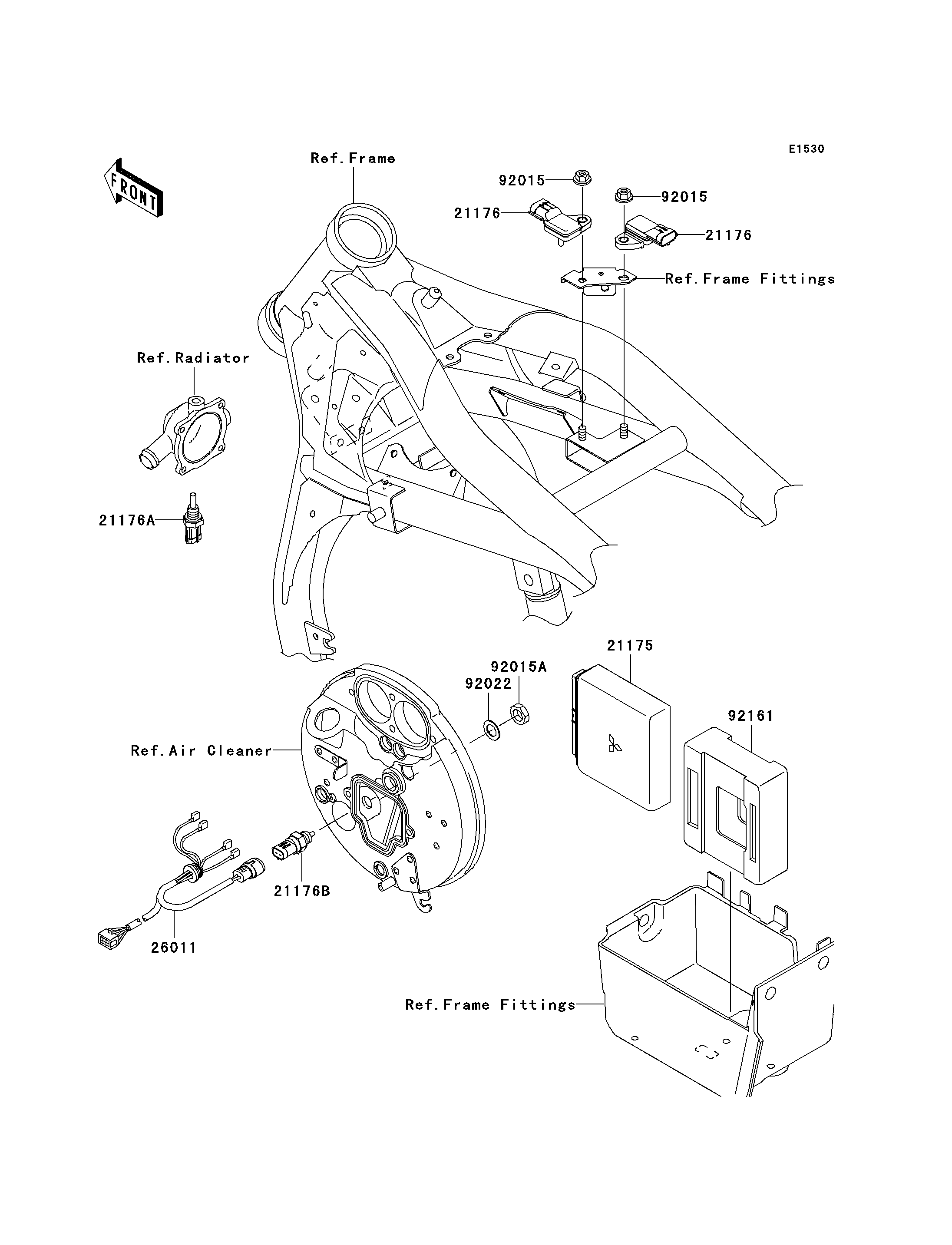
21175
21176
21176
21176A
21176B
26011
92015
92015
92015A
92022
92161
Part Item Information
ITEM NAME REF # PART NUMBER QUANTITY DESTINATION REMARKS
CONTROL UNIT-ELECTRONIC 21175 21175-0011 1
SENSOR 21176 21176-0058 2
SENSOR,WATER TEMPERATURE 21176A 21176-1085 1
SENSOR,AIR TEMPERATURE 21176B 21176-1086 1
WIRE-LEAD 26011 26011-1776 1
NUT,6MM 92015 92015-1386 2
NUT,12MM 92015A 92015-1395 1
WASHER,12.3X20X0.5 92022 92022-269 1
DAMPER 92161 92161-1210 1