main content of page
Parts Diagrams
OWNER CENTER |

Welcome, Kawasaki owners. Access the information and tools you need to get the most out of your vehicle.
OWNER CENTER |
Welcome, Kawasaki owners. Access the information and tools you need to get the most out of your vehicle.
Parts Diagrams |
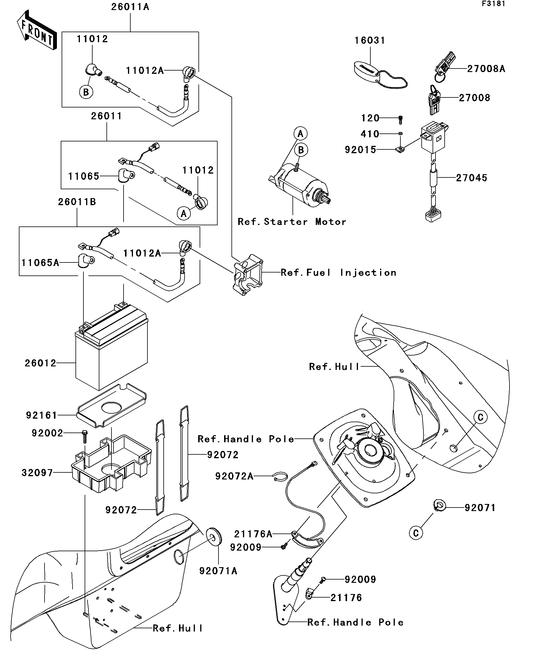
2008 Jet Ski® Ultra® LX - Electrical Equipment
11012
11012
11012A
11012A
11065
11065A
16031
21176
21176A
26011
26011A
26011B
26012
27008
27008A
27045
32097
92002
92009
92009
92015
92071
92071A
92072
92072
92072A
92161
120
410
ITEM NAME | REF # | PART NUMBER | QUANTITY | DESTINATION | REMARKS |
---|---|---|---|---|---|
CAP | 11012 | 11012-3004 | 2 | ||
CAP,LEAD WIRE | 11012A | 11012-3726 | 2 | ||
CAP,TERMINAL | 11065 | 11065-3729 | 1 | ||
CAP,TERMINAL | 11065A | 11065-3732 | 1 | ||
FLOAT,KEY | 16031 | 16031-3991 | 1 | ||
SENSOR,MAGNET | 21176 | 21176-3746 | 1 | ||
SENSOR,HOLE IC | 21176A | 21176-3748 | 1 | ||
WIRE-LEAD,BATTERY(-)-STARTER | 26011 | 26011-3915 | 1 | ||
WIRE-LEAD,RELAY-STARTER | 26011A | 26011-3916 | 1 | ||
WIRE-LEAD,RELAY-BATTERY(+) | 26011B | 26011-3924 | 1 | ||
BATTERY,YTX20L-BS,12V 18AH | 26012 | 26012-3730 | 1 | ||
FPO MODE KEY | 27008 | 27008-3767 | 1 | ||
SLO MODE KEY | 27008A | 27008-3768 | 1 | ||
SWITCH-ASSY | 27045 | 27045-3755 | 1 | ||
CASE-BATTERY | 32097 | 32097-3709 | 1 | ||
BOLT,6X30 | 92002 | 92002-3726 | 4 | ||
SCREW,5X16 | 92009 | 92009-3868 | 3 | ||
NUT,CLIP,5MM | 92015 | 92015-3830 | 2 | ||
GROMMET | 92071 | 92071-3826 | 1 | ||
GROMMET | 92071A | 92071-3840 | 1 | ||
BAND,340X22 | 92072 | 92072-3805 | 2 | ||
BAND,L=99 | 92072A | 92072-3871 | 1 | ||
DAMPER,BATTERY CASE | 92161 | 92161-3762 | 1 | ||
BOLT-SOCKET,5X16 | 120 | 120R0516 | 2 | ||
W-PLAIN-S,5MM | 410 | 410S0500 | 2 |
CAP | |
REF # | 11012 |
---|---|
PART NUMBER | |
QUANTITY | 2 |
DESTINATION | |
REMARKS |
CAP,LEAD WIRE | |
REF # | 11012A |
---|---|
PART NUMBER | |
QUANTITY | 2 |
DESTINATION | |
REMARKS |
CAP,TERMINAL | |
REF # | 11065 |
---|---|
PART NUMBER | |
QUANTITY | 1 |
DESTINATION | |
REMARKS |
CAP,TERMINAL | |
REF # | 11065A |
---|---|
PART NUMBER | |
QUANTITY | 1 |
DESTINATION | |
REMARKS |
FLOAT,KEY | |
REF # | 16031 |
---|---|
PART NUMBER | |
QUANTITY | 1 |
DESTINATION | |
REMARKS |
SENSOR,MAGNET | |
REF # | 21176 |
---|---|
PART NUMBER | |
QUANTITY | 1 |
DESTINATION | |
REMARKS |
SENSOR,HOLE IC | |
REF # | 21176A |
---|---|
PART NUMBER | |
QUANTITY | 1 |
DESTINATION | |
REMARKS |
WIRE-LEAD,BATTERY(-)-STARTER | |
REF # | 26011 |
---|---|
PART NUMBER | |
QUANTITY | 1 |
DESTINATION | |
REMARKS |
WIRE-LEAD,RELAY-STARTER | |
REF # | 26011A |
---|---|
PART NUMBER | |
QUANTITY | 1 |
DESTINATION | |
REMARKS |
WIRE-LEAD,RELAY-BATTERY(+) | |
REF # | 26011B |
---|---|
PART NUMBER | |
QUANTITY | 1 |
DESTINATION | |
REMARKS |
BATTERY,YTX20L-BS,12V 18AH | |
REF # | 26012 |
---|---|
PART NUMBER | |
QUANTITY | 1 |
DESTINATION | |
REMARKS |
FPO MODE KEY | |
REF # | 27008 |
---|---|
PART NUMBER | |
QUANTITY | 1 |
DESTINATION | |
REMARKS |
SLO MODE KEY | |
REF # | 27008A |
---|---|
PART NUMBER | |
QUANTITY | 1 |
DESTINATION | |
REMARKS |
SWITCH-ASSY | |
REF # | 27045 |
---|---|
PART NUMBER | |
QUANTITY | 1 |
DESTINATION | |
REMARKS |
CASE-BATTERY | |
REF # | 32097 |
---|---|
PART NUMBER | |
QUANTITY | 1 |
DESTINATION | |
REMARKS |
BOLT,6X30 | |
REF # | 92002 |
---|---|
PART NUMBER | |
QUANTITY | 4 |
DESTINATION | |
REMARKS |
SCREW,5X16 | |
REF # | 92009 |
---|---|
PART NUMBER | |
QUANTITY | 3 |
DESTINATION | |
REMARKS |
NUT,CLIP,5MM | |
REF # | 92015 |
---|---|
PART NUMBER | |
QUANTITY | 2 |
DESTINATION | |
REMARKS |
GROMMET | |
REF # | 92071 |
---|---|
PART NUMBER | |
QUANTITY | 1 |
DESTINATION | |
REMARKS |
GROMMET | |
REF # | 92071A |
---|---|
PART NUMBER | |
QUANTITY | 1 |
DESTINATION | |
REMARKS |
BAND,340X22 | |
REF # | 92072 |
---|---|
PART NUMBER | |
QUANTITY | 2 |
DESTINATION | |
REMARKS |
BAND,L=99 | |
REF # | 92072A |
---|---|
PART NUMBER | |
QUANTITY | 1 |
DESTINATION | |
REMARKS |
DAMPER,BATTERY CASE | |
REF # | 92161 |
---|---|
PART NUMBER | |
QUANTITY | 1 |
DESTINATION | |
REMARKS |
BOLT-SOCKET,5X16 | |
REF # | 120 |
---|---|
PART NUMBER | |
QUANTITY | 2 |
DESTINATION | |
REMARKS |
W-PLAIN-S,5MM | |
REF # | 410 |
---|---|
PART NUMBER | |
QUANTITY | 2 |
DESTINATION | |
REMARKS |