main content of page
Parts Diagrams
OWNER CENTER |

Welcome, Kawasaki owners. Access the information and tools you need to get the most out of your vehicle.
OWNER CENTER |
Welcome, Kawasaki owners. Access the information and tools you need to get the most out of your vehicle.
Parts Diagrams |
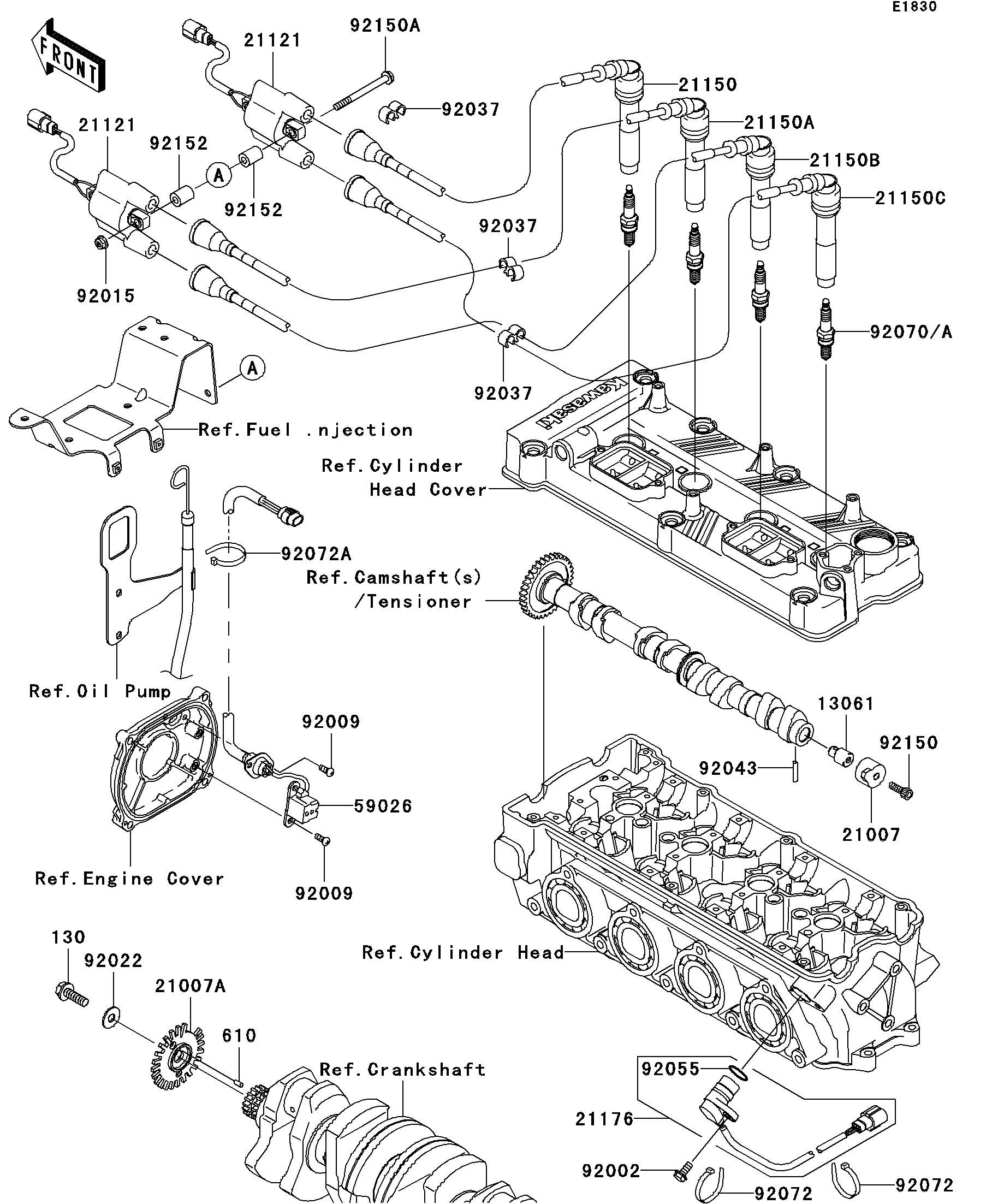
2008 Jet Ski® Ultra® LX - Ignition System
13061
21007
21007A
21121
21121
21150
21150A
21150B
21150C
21176
59026
92002
92009
92009
92015
92022
92037
92037
92037
92043
92055
92070
92070A
92072
92072
92072A
92150
92150A
92152
92152
130
610
ITEM NAME | REF # | PART NUMBER | QUANTITY | DESTINATION | REMARKS |
---|---|---|---|---|---|
BOSS,CAM SENSOR | 13061 | 13061-1687 | 1 | ||
ROTOR,EX CAM | 21007 | 21007-3742 | 1 | ||
ROTOR,PULSING | 21007A | 21007-3744 | 1 | ||
COIL-IGNITION | 21121 | 21121-3722 | 2 | ||
CORD-ASSY,#1 | 21150 | 21150-3707 | 1 | ||
CORD-ASSY,#2 | 21150A | 21150-3708 | 1 | ||
CORD-ASSY,#3 | 21150B | 21150-3709 | 1 | ||
CORD-ASSY,#4 | 21150C | 21150-3710 | 1 | ||
SENSOR,TEMP | 21176 | 21176-1077 | 1 | ||
COIL-PULSING | 59026 | 59026-3702 | 1 | ||
BOLT,6X16 | 92002 | 92002-3728 | 1 | ||
SCREW,5X12 | 92009 | 92009-1296 | 4 | ||
NUT,6MM | 92015 | 92015-3767 | 2 | ||
WASHER,PLAIN | 92022 | 92022-3026 | 1 | ||
CLAMP,HOSE | 92037 | 92037-1603 | 3 | ||
PIN | 92043 | 92043-1575 | 1 | ||
RING-O | 92055 | 92055-1639 | 1 | ||
PLUG-SPARK,CR9EK(NGK) | 92070 | 92070-1264 | 4 | ||
PLUG-SPARK,CR8EK(NGK) | 92070A | 92070-1265 | 4 | (OPTION) | |
BAND,L=188.85 | 92072 | 92072-0105 | 2 | ||
BAND | 92072A | 92072-3874 | 1 | ||
BOLT,6X18 | 92150 | 92150-1645 | 1 | ||
BOLT,6X70 | 92150A | 92150-3753 | 2 | ||
COLLAR | 92152 | 92152-3738 | 4 | ||
BOLT-FLANGED,8X25 | 130 | 130CD0825 | 1 | ||
ROLLER,4X8 | 610 | 610A0408 | 1 |
BOSS,CAM SENSOR | |
REF # | 13061 |
---|---|
PART NUMBER | |
QUANTITY | 1 |
DESTINATION | |
REMARKS |
ROTOR,EX CAM | |
REF # | 21007 |
---|---|
PART NUMBER | |
QUANTITY | 1 |
DESTINATION | |
REMARKS |
ROTOR,PULSING | |
REF # | 21007A |
---|---|
PART NUMBER | |
QUANTITY | 1 |
DESTINATION | |
REMARKS |
COIL-IGNITION | |
REF # | 21121 |
---|---|
PART NUMBER | |
QUANTITY | 2 |
DESTINATION | |
REMARKS |
CORD-ASSY,#1 | |
REF # | 21150 |
---|---|
PART NUMBER | |
QUANTITY | 1 |
DESTINATION | |
REMARKS |
CORD-ASSY,#2 | |
REF # | 21150A |
---|---|
PART NUMBER | |
QUANTITY | 1 |
DESTINATION | |
REMARKS |
CORD-ASSY,#3 | |
REF # | 21150B |
---|---|
PART NUMBER | |
QUANTITY | 1 |
DESTINATION | |
REMARKS |
CORD-ASSY,#4 | |
REF # | 21150C |
---|---|
PART NUMBER | |
QUANTITY | 1 |
DESTINATION | |
REMARKS |
SENSOR,TEMP | |
REF # | 21176 |
---|---|
PART NUMBER | |
QUANTITY | 1 |
DESTINATION | |
REMARKS |
COIL-PULSING | |
REF # | 59026 |
---|---|
PART NUMBER | |
QUANTITY | 1 |
DESTINATION | |
REMARKS |
BOLT,6X16 | |
REF # | 92002 |
---|---|
PART NUMBER | |
QUANTITY | 1 |
DESTINATION | |
REMARKS |
SCREW,5X12 | |
REF # | 92009 |
---|---|
PART NUMBER | |
QUANTITY | 4 |
DESTINATION | |
REMARKS |
NUT,6MM | |
REF # | 92015 |
---|---|
PART NUMBER | |
QUANTITY | 2 |
DESTINATION | |
REMARKS |
WASHER,PLAIN | |
REF # | 92022 |
---|---|
PART NUMBER | |
QUANTITY | 1 |
DESTINATION | |
REMARKS |
CLAMP,HOSE | |
REF # | 92037 |
---|---|
PART NUMBER | |
QUANTITY | 3 |
DESTINATION | |
REMARKS |
PIN | |
REF # | 92043 |
---|---|
PART NUMBER | |
QUANTITY | 1 |
DESTINATION | |
REMARKS |
RING-O | |
REF # | 92055 |
---|---|
PART NUMBER | |
QUANTITY | 1 |
DESTINATION | |
REMARKS |
PLUG-SPARK,CR9EK(NGK) | |
REF # | 92070 |
---|---|
PART NUMBER | |
QUANTITY | 4 |
DESTINATION | |
REMARKS |
PLUG-SPARK,CR8EK(NGK) | |
REF # | 92070A |
---|---|
PART NUMBER | |
QUANTITY | 4 |
DESTINATION | |
REMARKS | (OPTION) |
BAND,L=188.85 | |
REF # | 92072 |
---|---|
PART NUMBER | |
QUANTITY | 2 |
DESTINATION | |
REMARKS |
BAND | |
REF # | 92072A |
---|---|
PART NUMBER | |
QUANTITY | 1 |
DESTINATION | |
REMARKS |
BOLT,6X18 | |
REF # | 92150 |
---|---|
PART NUMBER | |
QUANTITY | 1 |
DESTINATION | |
REMARKS |
BOLT,6X70 | |
REF # | 92150A |
---|---|
PART NUMBER | |
QUANTITY | 2 |
DESTINATION | |
REMARKS |
COLLAR | |
REF # | 92152 |
---|---|
PART NUMBER | |
QUANTITY | 4 |
DESTINATION | |
REMARKS |
BOLT-FLANGED,8X25 | |
REF # | 130 |
---|---|
PART NUMBER | |
QUANTITY | 1 |
DESTINATION | |
REMARKS |
ROLLER,4X8 | |
REF # | 610 |
---|---|
PART NUMBER | |
QUANTITY | 1 |
DESTINATION | |
REMARKS |