Skip to main content

Parts Diagrams

customer service agent speaking with a customer

Welcome, Kawasaki owners. Access the information and tools you need to get the most out of your vehicle.

Welcome, Kawasaki owners. Access the information and tools you need to get the most out of your vehicle.

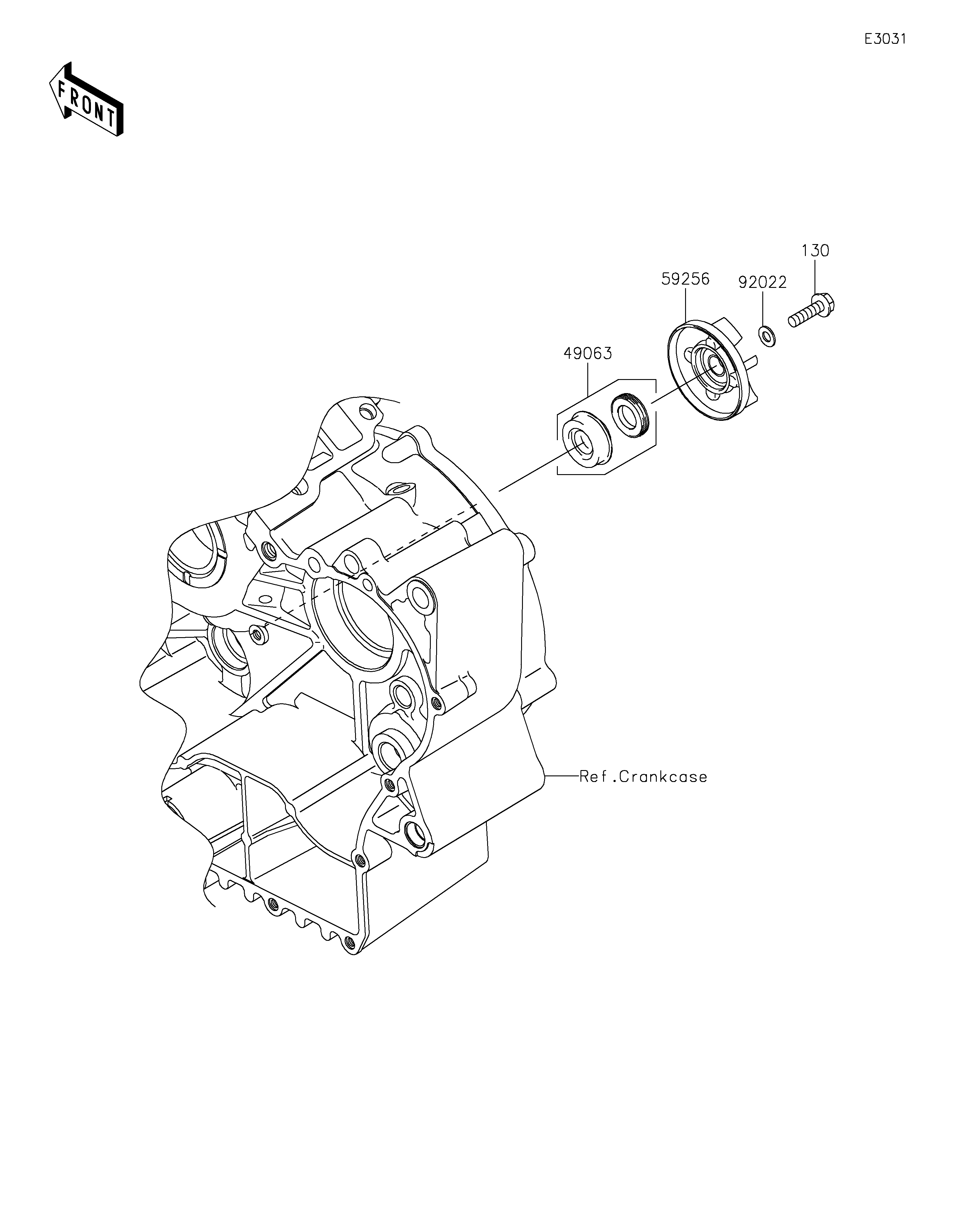
49063
59256
92022
130
Part Item Information
ITEM NAME REF # PART NUMBER QUANTITY DESTINATION REMARKS
SEAL-MECHANICAL 49063 49063-1055 1
IMPELLER 59256 59256-1073 1
WASHER,6.1X12X1 92022 92022-077 1
BOLT-FLANGED,6X22 130 130BA0622 1