main content of page
Parts Diagrams
OWNER CENTER |
Welcome, Kawasaki owners. Access the information and tools you need to get the most out of your vehicle.
OWNER CENTER |
Welcome, Kawasaki owners. Access the information and tools you need to get the most out of your vehicle.
Parts Diagrams |
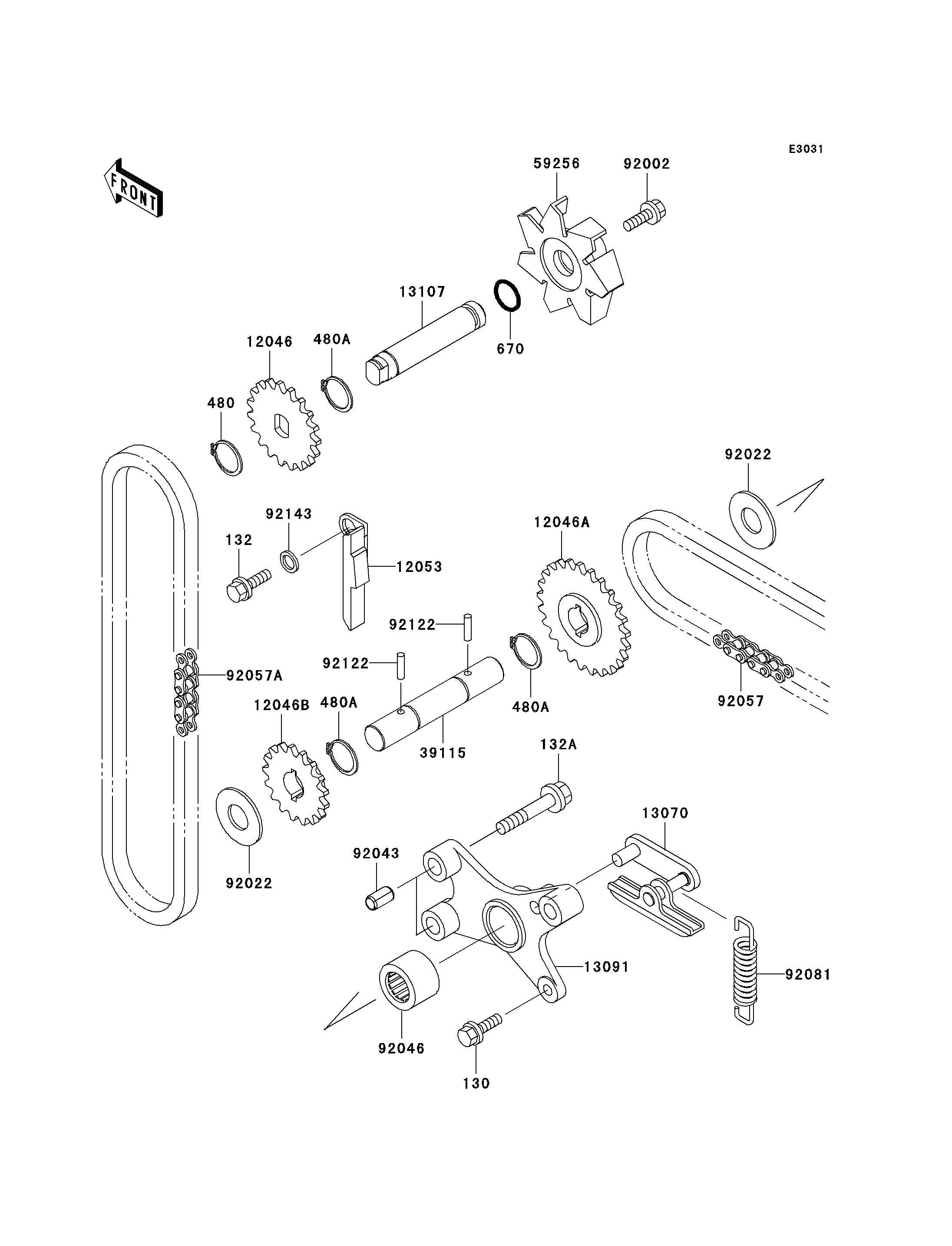
130
132
132A
480
480A
480A
480A
670
12046
12046A
12046B
12053
13070
13091
13107
39115
59256
92002
92022
92022
92043
92046
92057
92057A
92081
92122
92122
92143
| ITEM NAME | REF # | PART NUMBER | QUANTITY | DESTINATION | REMARKS |
|---|---|---|---|---|---|
| BOLT-FLANGED | 130 | 130D0514 | 1 | ||
| BOLT-FLANGED-SMALL | 132 | 132G0612 | 1 | ||
| BOLT-FLANGED-SMALL | 132A | 132G0635 | 3 | ||
| CIRCLIP-TYPE-C,11MM | 480 | 480J1100 | 1 | ||
| CIRCLIP-TYPE-C,12MM | 480A | 480J1200 | 3 | ||
| O RING,9MM | 670 | 670D1509 | 1 | ||
| SPROCKET,OIL PUMP,19T | 12046 | 12046-1079 | 1 | ||
| SPROCKET,CRANK IDLER,25T | 12046A | 12046-1096 | 1 | ||
| SPROCKET,IDLER,17T | 12046B | 12046-1097 | 1 | ||
| GUIDE-CHAIN | 12053 | 12053-1227 | 1 | ||
| GUIDE | 13070 | 13070-1178 | 1 | ||
| HOLDER | 13091 | 13091-1471 | 1 | ||
| SHAFT,IMPELLER | 13107 | 13107-1196 | 1 | ||
| SHAFT-IDLER | 39115 | 39115-1058 | 1 | ||
| IMPELLER | 59256 | 59256-1066 | 1 | ||
| BOLT,6X12 | 92002 | 92002-1902 | 1 | ||
| WASHER,12X27.5X1.0 | 92022 | 92022-1852 | 2 | ||
| PIN,6.2X8X14 | 92043 | 92043-1263 | 2 | ||
| BEARING-NEEDLE,HK1212 | 92046 | 92046-1163 | 1 | ||
| CHAIN,BS25HX46L | 92057 | 92057-1230 | 1 | ||
| CHAIN,BS25HX44L | 92057A | 92057-1231 | 1 | ||
| SPRING,IDLER SHAFT | 92081 | 92081-1791 | 1 | ||
| ROLLER,3X15.8 | 92122 | 92122-1126 | 2 | ||
| COLLAR | 92143 | 92143-1123 | 1 |
| BOLT-FLANGED | |
| REF # | 130 |
|---|---|
| PART NUMBER | |
| QUANTITY | 1 |
| DESTINATION | |
| REMARKS | |
| BOLT-FLANGED-SMALL | |
| REF # | 132 |
|---|---|
| PART NUMBER | |
| QUANTITY | 1 |
| DESTINATION | |
| REMARKS | |
| BOLT-FLANGED-SMALL | |
| REF # | 132A |
|---|---|
| PART NUMBER | |
| QUANTITY | 3 |
| DESTINATION | |
| REMARKS | |
| CIRCLIP-TYPE-C,11MM | |
| REF # | 480 |
|---|---|
| PART NUMBER | |
| QUANTITY | 1 |
| DESTINATION | |
| REMARKS | |
| CIRCLIP-TYPE-C,12MM | |
| REF # | 480A |
|---|---|
| PART NUMBER | |
| QUANTITY | 3 |
| DESTINATION | |
| REMARKS | |
| O RING,9MM | |
| REF # | 670 |
|---|---|
| PART NUMBER | |
| QUANTITY | 1 |
| DESTINATION | |
| REMARKS | |
| SPROCKET,OIL PUMP,19T | |
| REF # | 12046 |
|---|---|
| PART NUMBER | |
| QUANTITY | 1 |
| DESTINATION | |
| REMARKS | |
| SPROCKET,CRANK IDLER,25T | |
| REF # | 12046A |
|---|---|
| PART NUMBER | |
| QUANTITY | 1 |
| DESTINATION | |
| REMARKS | |
| SPROCKET,IDLER,17T | |
| REF # | 12046B |
|---|---|
| PART NUMBER | |
| QUANTITY | 1 |
| DESTINATION | |
| REMARKS | |
| GUIDE-CHAIN | |
| REF # | 12053 |
|---|---|
| PART NUMBER | |
| QUANTITY | 1 |
| DESTINATION | |
| REMARKS | |
| GUIDE | |
| REF # | 13070 |
|---|---|
| PART NUMBER | |
| QUANTITY | 1 |
| DESTINATION | |
| REMARKS | |
| HOLDER | |
| REF # | 13091 |
|---|---|
| PART NUMBER | |
| QUANTITY | 1 |
| DESTINATION | |
| REMARKS | |
| SHAFT,IMPELLER | |
| REF # | 13107 |
|---|---|
| PART NUMBER | |
| QUANTITY | 1 |
| DESTINATION | |
| REMARKS | |
| SHAFT-IDLER | |
| REF # | 39115 |
|---|---|
| PART NUMBER | |
| QUANTITY | 1 |
| DESTINATION | |
| REMARKS | |
| IMPELLER | |
| REF # | 59256 |
|---|---|
| PART NUMBER | |
| QUANTITY | 1 |
| DESTINATION | |
| REMARKS | |
| BOLT,6X12 | |
| REF # | 92002 |
|---|---|
| PART NUMBER | |
| QUANTITY | 1 |
| DESTINATION | |
| REMARKS | |
| WASHER,12X27.5X1.0 | |
| REF # | 92022 |
|---|---|
| PART NUMBER | |
| QUANTITY | 2 |
| DESTINATION | |
| REMARKS | |
| PIN,6.2X8X14 | |
| REF # | 92043 |
|---|---|
| PART NUMBER | |
| QUANTITY | 2 |
| DESTINATION | |
| REMARKS | |
| BEARING-NEEDLE,HK1212 | |
| REF # | 92046 |
|---|---|
| PART NUMBER | |
| QUANTITY | 1 |
| DESTINATION | |
| REMARKS | |
| CHAIN,BS25HX46L | |
| REF # | 92057 |
|---|---|
| PART NUMBER | |
| QUANTITY | 1 |
| DESTINATION | |
| REMARKS | |
| CHAIN,BS25HX44L | |
| REF # | 92057A |
|---|---|
| PART NUMBER | |
| QUANTITY | 1 |
| DESTINATION | |
| REMARKS | |
| SPRING,IDLER SHAFT | |
| REF # | 92081 |
|---|---|
| PART NUMBER | |
| QUANTITY | 1 |
| DESTINATION | |
| REMARKS | |
| ROLLER,3X15.8 | |
| REF # | 92122 |
|---|---|
| PART NUMBER | |
| QUANTITY | 2 |
| DESTINATION | |
| REMARKS | |
| COLLAR | |
| REF # | 92143 |
|---|---|
| PART NUMBER | |
| QUANTITY | 1 |
| DESTINATION | |
| REMARKS | |