main content of page
Parts Diagrams
OWNER CENTER |

Welcome, Kawasaki owners. Access the information and tools you need to get the most out of your vehicle.
OWNER CENTER |
Welcome, Kawasaki owners. Access the information and tools you need to get the most out of your vehicle.
Parts Diagrams |
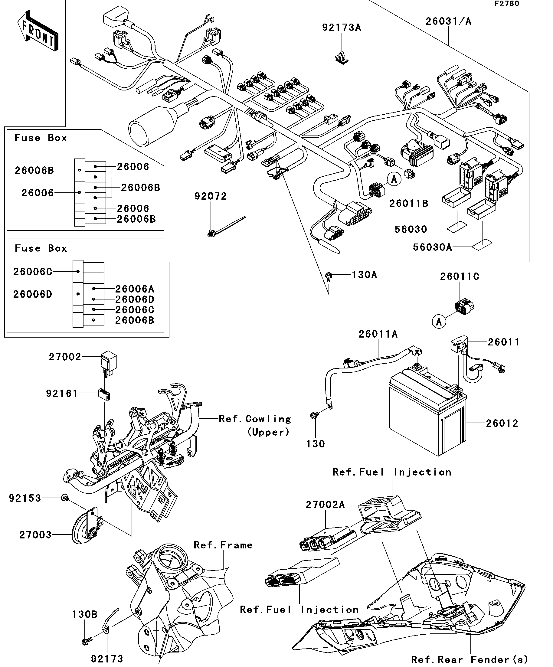
2012 NINJA® 1000 ABS - Chassis Electrical Equipment
26006
26006
26006
26006A
26006B
26006B
26006B
26006B
26006C
26006C
26006D
26006D
26011
26011A
26011B
26011C
26012
26031
27002
27002A
27003
56030
56030A
92072
92153
92161
92173
92173A
130
130A
130B
ITEM NAME | REF # | PART NUMBER | QUANTITY | DESTINATION | REMARKS |
---|---|---|---|---|---|
FUSE,MINI BLADE,15A,BLUE | 26006 | 26006-0001 | 3 | ||
FUSE,MINI BLADE,2A,GRAY | 26006A | 26006-0052 | 1 | ||
FUSE,MINI BLADE,10A,RED | 26006B | 26006-1078 | 6 | ||
FUSE,MINI BLADE,20A,YELLOW | 26006C | 26006-1079 | 2 | ||
FUSE,MINI BLADE,30A,GREEN | 26006D | 26006-1080 | 2 | ||
WIRE-LEAD,BATTERY(+) | 26011 | 26011-0252 | 1 | ||
WIRE-LEAD,BATTERY(-) | 26011A | 26011-0253 | 1 | ||
WIRE-LEAD,CAP | 26011B | 26011-0271 | 1 | ||
WIRE-LEAD | 26011C | 26011-0275 | 1 | ||
BATTERY,YTX9-BS,12V 8AH | 26012 | 26012-0088 | 1 | ||
HARNESS,MAIN | 26031 | 26031-1301 | 1 | ||
RELAY-ASSY,SIGNAL LAMP | 27002 | 27002-0006 | 1 | ||
RELAY-ASSY | 27002A | 27002-0007 | 1 | ||
HORN | 27003 | 27003-0075 | 1 | ||
LABEL,FUSE BOX | 56030 | 56030-0361 | 1 | ||
LABEL,FUSE BOX,ABS&ACCESSORY | 56030A | 56030-0704 | 1 | ||
BAND | 92072 | 92072-1414 | 3 | ||
BOLT,SOCKET,6X12 | 92153 | 92153-1948 | 1 | ||
DAMPER,SIGNAL RELAY | 92161 | 92161-0283 | 1 | ||
CLAMP | 92173 | 92173-0182 | 1 | ||
CLAMP,HEAD PIPE | 92173A | 92173-0726 | 1 | ||
BOLT-FLANGED,6X10 | 130 | 130BA0610 | 1 | ||
BOLT-FLANGED,6X12 | 130A | 130BA0612 | 1 | ||
BOLT-FLANGED,6X16 | 130B | 130BA0616 | 1 |
FUSE,MINI BLADE,15A,BLUE | |
REF # | 26006 |
---|---|
PART NUMBER | |
QUANTITY | 3 |
DESTINATION | |
REMARKS |
FUSE,MINI BLADE,2A,GRAY | |
REF # | 26006A |
---|---|
PART NUMBER | |
QUANTITY | 1 |
DESTINATION | |
REMARKS |
FUSE,MINI BLADE,10A,RED | |
REF # | 26006B |
---|---|
PART NUMBER | |
QUANTITY | 6 |
DESTINATION | |
REMARKS |
FUSE,MINI BLADE,20A,YELLOW | |
REF # | 26006C |
---|---|
PART NUMBER | |
QUANTITY | 2 |
DESTINATION | |
REMARKS |
FUSE,MINI BLADE,30A,GREEN | |
REF # | 26006D |
---|---|
PART NUMBER | |
QUANTITY | 2 |
DESTINATION | |
REMARKS |
WIRE-LEAD,BATTERY(+) | |
REF # | 26011 |
---|---|
PART NUMBER | |
QUANTITY | 1 |
DESTINATION | |
REMARKS |
WIRE-LEAD,BATTERY(-) | |
REF # | 26011A |
---|---|
PART NUMBER | |
QUANTITY | 1 |
DESTINATION | |
REMARKS |
WIRE-LEAD,CAP | |
REF # | 26011B |
---|---|
PART NUMBER | |
QUANTITY | 1 |
DESTINATION | |
REMARKS |
WIRE-LEAD | |
REF # | 26011C |
---|---|
PART NUMBER | |
QUANTITY | 1 |
DESTINATION | |
REMARKS |
BATTERY,YTX9-BS,12V 8AH | |
REF # | 26012 |
---|---|
PART NUMBER | |
QUANTITY | 1 |
DESTINATION | |
REMARKS |
HARNESS,MAIN | |
REF # | 26031 |
---|---|
PART NUMBER | |
QUANTITY | 1 |
DESTINATION | |
REMARKS |
RELAY-ASSY,SIGNAL LAMP | |
REF # | 27002 |
---|---|
PART NUMBER | |
QUANTITY | 1 |
DESTINATION | |
REMARKS |
RELAY-ASSY | |
REF # | 27002A |
---|---|
PART NUMBER | |
QUANTITY | 1 |
DESTINATION | |
REMARKS |
HORN | |
REF # | 27003 |
---|---|
PART NUMBER | |
QUANTITY | 1 |
DESTINATION | |
REMARKS |
LABEL,FUSE BOX | |
REF # | 56030 |
---|---|
PART NUMBER | |
QUANTITY | 1 |
DESTINATION | |
REMARKS |
LABEL,FUSE BOX,ABS&ACCESSORY | |
REF # | 56030A |
---|---|
PART NUMBER | |
QUANTITY | 1 |
DESTINATION | |
REMARKS |
BAND | |
REF # | 92072 |
---|---|
PART NUMBER | |
QUANTITY | 3 |
DESTINATION | |
REMARKS |
BOLT,SOCKET,6X12 | |
REF # | 92153 |
---|---|
PART NUMBER | |
QUANTITY | 1 |
DESTINATION | |
REMARKS |
DAMPER,SIGNAL RELAY | |
REF # | 92161 |
---|---|
PART NUMBER | |
QUANTITY | 1 |
DESTINATION | |
REMARKS |
CLAMP | |
REF # | 92173 |
---|---|
PART NUMBER | |
QUANTITY | 1 |
DESTINATION | |
REMARKS |
CLAMP,HEAD PIPE | |
REF # | 92173A |
---|---|
PART NUMBER | |
QUANTITY | 1 |
DESTINATION | |
REMARKS |
BOLT-FLANGED,6X10 | |
REF # | 130 |
---|---|
PART NUMBER | |
QUANTITY | 1 |
DESTINATION | |
REMARKS |
BOLT-FLANGED,6X12 | |
REF # | 130A |
---|---|
PART NUMBER | |
QUANTITY | 1 |
DESTINATION | |
REMARKS |
BOLT-FLANGED,6X16 | |
REF # | 130B |
---|---|
PART NUMBER | |
QUANTITY | 1 |
DESTINATION | |
REMARKS |