main content of page
Parts Diagrams
OWNER CENTER |

Welcome, Kawasaki owners. Access the information and tools you need to get the most out of your vehicle.
OWNER CENTER |
Welcome, Kawasaki owners. Access the information and tools you need to get the most out of your vehicle.
Parts Diagrams |
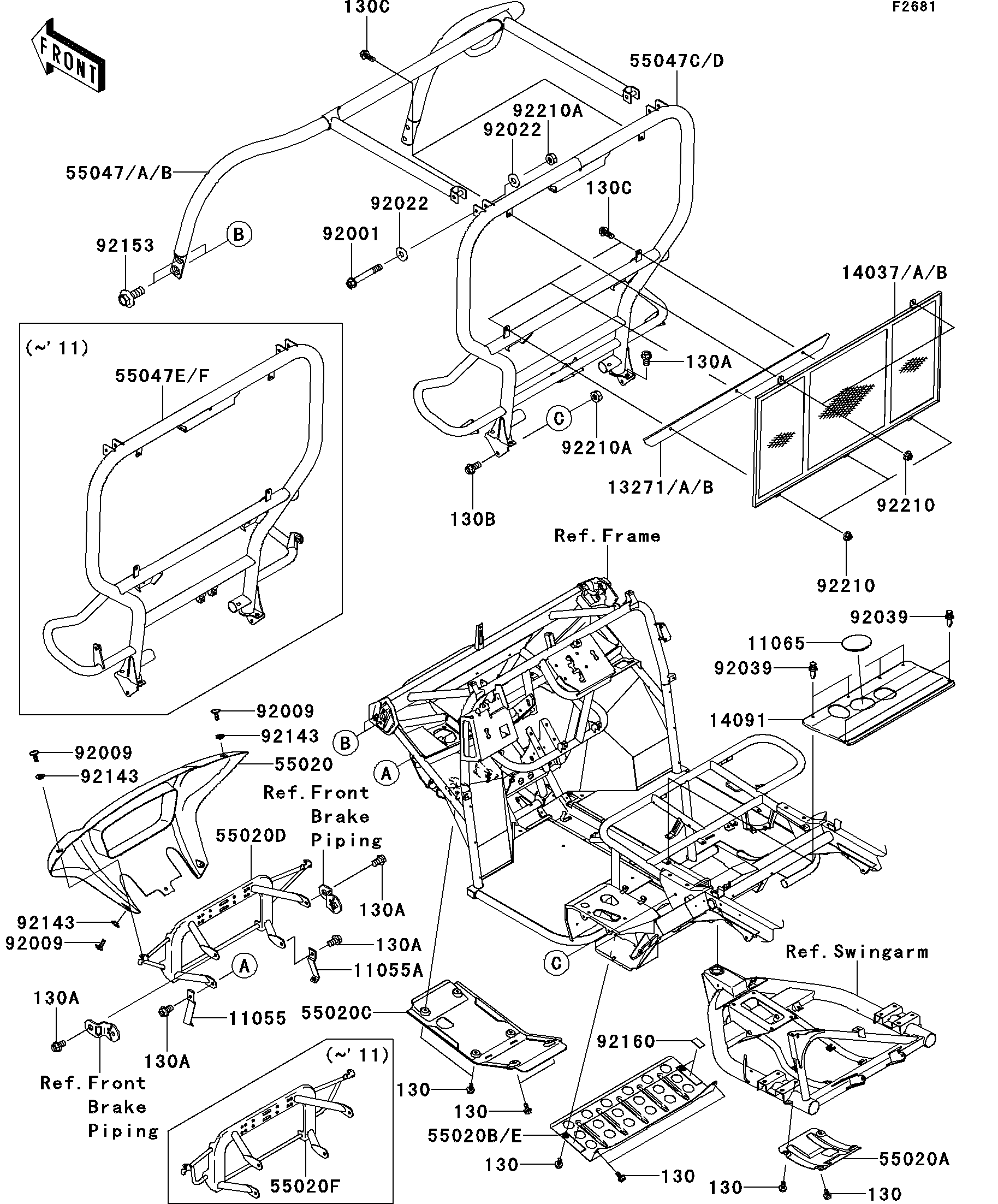
2013 MULE™ 610 4x4 XC - Guards/Cab Frame
11055
11055A
11065
13271A
14037A
14091
55020
55020A
55020C
55020D
55020E
55047A
55047D
92001
92009
92009
92009
92022
92022
92039
92039
92143
92143
92143
92153
92160
92210
92210
92210A
92210A
130
130
130
130
130
130
130A
130A
130A
130A
130A
130B
130C
130C
ITEM NAME | REF # | PART NUMBER | QUANTITY | DESTINATION | REMARKS |
---|---|---|---|---|---|
BRACKET,LH | 11055 | 11055-7510 | 1 | ||
BRACKET,RH | 11055A | 11055-7511 | 1 | ||
CAP,F.BLACK | 11065 | 11065-1053-6Z | 1 | ||
PLATE,SCREEN,T.M.GRAY | 13271A | 13271-0560-16Y | 1 | ||
SCREEN,T.M.GRAY | 14037A | 14037-0035-16Y | 1 | ||
COVER | 14091 | 14091-0355 | 1 | ||
GUARD,FRONT BUMPER,F.BLACK | 55020 | 55020-0090-6Z | 1 | ||
GUARD,DIFF | 55020A | 55020-0141 | 1 | ||
GUARD,FRONT DIFF | 55020C | 55020-0165 | 1 | ||
GUARD,FRONT | 55020D | 55020-0777 | 1 | ||
GUARD | 55020E | 55020-0883 | 1 | ||
BAR-COMP,FR,T.M.GRAY | 55047A | 55047-0006-16Y | 1 | ||
BAR-COMP,RR,T.M.GRAY | 55047D | 55047-0329-16Y | 1 | ||
BOLT,FLANGED,10X70 | 92001 | 92001-1618 | 2 | ||
SCREW,6X16 | 92009 | 92009-1621 | 5 | ||
WASHER,10.5X26X2.3,BLACK | 92022 | 92022-1396 | 4 | ||
RIVET | 92039 | 92039-1229 | 6 | ||
COLLAR | 92143 | 92143-1087 | 5 | ||
BOLT,FLANGED,14X36 | 92153 | 92153-1282 | 4 | ||
DAMPER | 92160 | 92160-1102 | 2 | ||
NUT,FLANGED,LOCK,8MM | 92210 | 92210-0005 | 5 | ||
NUT,LOCK,10MM | 92210A | 92210-1204 | 4 | ||
BOLT-FLANGED,6X12 | 130 | 130BA0612 | 14 | ||
BOLT-FLANGED,10X16 | 130A | 130BA1016 | 8 | ||
BOLT-FLANGED,10X20 | 130B | 130BA1020 | 2 | ||
BOLT-FLANGED,8X20 | 130C | 130BB0820 | 5 |
BRACKET,LH | |
REF # | 11055 |
---|---|
PART NUMBER | |
QUANTITY | 1 |
DESTINATION | |
REMARKS |
BRACKET,RH | |
REF # | 11055A |
---|---|
PART NUMBER | |
QUANTITY | 1 |
DESTINATION | |
REMARKS |
CAP,F.BLACK | |
REF # | 11065 |
---|---|
PART NUMBER | |
QUANTITY | 1 |
DESTINATION | |
REMARKS |
PLATE,SCREEN,T.M.GRAY | |
REF # | 13271A |
---|---|
PART NUMBER | |
QUANTITY | 1 |
DESTINATION | |
REMARKS |
SCREEN,T.M.GRAY | |
REF # | 14037A |
---|---|
PART NUMBER | |
QUANTITY | 1 |
DESTINATION | |
REMARKS |
COVER | |
REF # | 14091 |
---|---|
PART NUMBER | |
QUANTITY | 1 |
DESTINATION | |
REMARKS |
GUARD,FRONT BUMPER,F.BLACK | |
REF # | 55020 |
---|---|
PART NUMBER | |
QUANTITY | 1 |
DESTINATION | |
REMARKS |
GUARD,DIFF | |
REF # | 55020A |
---|---|
PART NUMBER | |
QUANTITY | 1 |
DESTINATION | |
REMARKS |
GUARD,FRONT DIFF | |
REF # | 55020C |
---|---|
PART NUMBER | |
QUANTITY | 1 |
DESTINATION | |
REMARKS |
GUARD,FRONT | |
REF # | 55020D |
---|---|
PART NUMBER | |
QUANTITY | 1 |
DESTINATION | |
REMARKS |
GUARD | |
REF # | 55020E |
---|---|
PART NUMBER | |
QUANTITY | 1 |
DESTINATION | |
REMARKS |
BAR-COMP,FR,T.M.GRAY | |
REF # | 55047A |
---|---|
PART NUMBER | |
QUANTITY | 1 |
DESTINATION | |
REMARKS |
BAR-COMP,RR,T.M.GRAY | |
REF # | 55047D |
---|---|
PART NUMBER | |
QUANTITY | 1 |
DESTINATION | |
REMARKS |
BOLT,FLANGED,10X70 | |
REF # | 92001 |
---|---|
PART NUMBER | |
QUANTITY | 2 |
DESTINATION | |
REMARKS |
SCREW,6X16 | |
REF # | 92009 |
---|---|
PART NUMBER | |
QUANTITY | 5 |
DESTINATION | |
REMARKS |
WASHER,10.5X26X2.3,BLACK | |
REF # | 92022 |
---|---|
PART NUMBER | |
QUANTITY | 4 |
DESTINATION | |
REMARKS |
RIVET | |
REF # | 92039 |
---|---|
PART NUMBER | |
QUANTITY | 6 |
DESTINATION | |
REMARKS |
COLLAR | |
REF # | 92143 |
---|---|
PART NUMBER | |
QUANTITY | 5 |
DESTINATION | |
REMARKS |
BOLT,FLANGED,14X36 | |
REF # | 92153 |
---|---|
PART NUMBER | |
QUANTITY | 4 |
DESTINATION | |
REMARKS |
DAMPER | |
REF # | 92160 |
---|---|
PART NUMBER | |
QUANTITY | 2 |
DESTINATION | |
REMARKS |
NUT,FLANGED,LOCK,8MM | |
REF # | 92210 |
---|---|
PART NUMBER | |
QUANTITY | 5 |
DESTINATION | |
REMARKS |
NUT,LOCK,10MM | |
REF # | 92210A |
---|---|
PART NUMBER | |
QUANTITY | 4 |
DESTINATION | |
REMARKS |
BOLT-FLANGED,6X12 | |
REF # | 130 |
---|---|
PART NUMBER | |
QUANTITY | 14 |
DESTINATION | |
REMARKS |
BOLT-FLANGED,10X16 | |
REF # | 130A |
---|---|
PART NUMBER | |
QUANTITY | 8 |
DESTINATION | |
REMARKS |
BOLT-FLANGED,10X20 | |
REF # | 130B |
---|---|
PART NUMBER | |
QUANTITY | 2 |
DESTINATION | |
REMARKS |
BOLT-FLANGED,8X20 | |
REF # | 130C |
---|---|
PART NUMBER | |
QUANTITY | 5 |
DESTINATION | |
REMARKS |