main content of page
Parts Diagrams
OWNER CENTER |

Welcome, Kawasaki owners. Access the information and tools you need to get the most out of your vehicle.
OWNER CENTER |
Welcome, Kawasaki owners. Access the information and tools you need to get the most out of your vehicle.
Parts Diagrams |
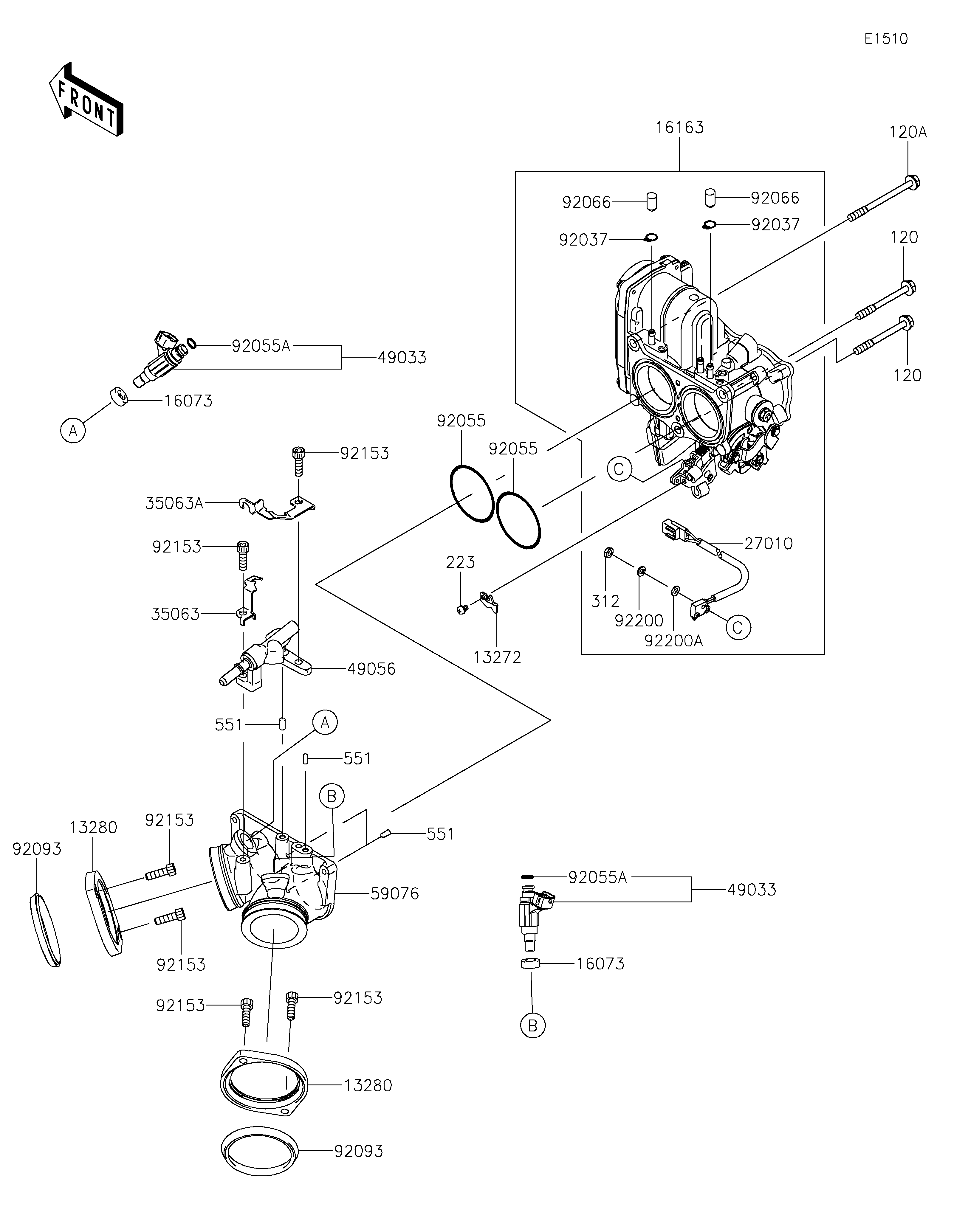
2021 VULCAN® 1700 VOYAGER® ABS - Throttle
120
120
120A
13272
13280
13280
16073
16073
16163
223
27010
312
35063
35063A
49033
49033
49056
551
551
551
59076
92037
92037
92055
92055
92055A
92055A
92066
92066
92093
92093
92153
92153
92153
92153
92153
92153
92200
92200A
ITEM NAME | REF # | PART NUMBER | QUANTITY | DESTINATION | REMARKS |
---|---|---|---|---|---|
BOLT-SOCKET,6X60 | 120 | 120CA0660 | 2 | ||
BOLT-SOCKET,6X75 | 120A | 120CA0675 | 1 | ||
PLATE,CABLE STOPPER | 13272 | 13272-0620 | 1 | ||
HOLDER,INTAKE MANIFOLD | 13280 | 13280-0007 | 2 | ||
INSULATOR | 16073 | 16073-3707 | 2 | ||
THROTTLE-ASSY,EACW42 | 16163 | 16163-0124 | 1 | ||
SCREW-PAN-WS-CROS,4X6 | 223 | 223AA0406 | 1 | ||
SWITCH,AUTOCRUISE CANCEL | 27010 | 27010-0093 | 1 | ||
NUT-HEX | 312 | 312BC0300 | 1 | ||
STAY | 35063 | 35063-0075 | 1 | ||
STAY | 35063A | 35063-0076 | 1 | ||
NOZZLE-INJECTION | 49033 | 49033-0003 | 2 | ||
PIPE-INJECTION | 49056 | 49056-0020 | 1 | ||
PIN-DOWEL,4X8 | 551 | 551A0408 | 4 | ||
MANIFOLD-INTAKE | 59076 | 59076-0005 | 1 | ||
CLAMP,BREATHER TUBE | 92037 | 92037-174 | 2 | ||
RING-O,49.7X2.4 | 92055 | 92055-0183 | 2 | ||
RING-O,INJECTION NOZZLE | 92055A | 92055-1622 | 2 | ||
PLUG,FITTING | 92066 | 92066-1549 | 2 | ||
SEAL | 92093 | 92093-0006 | 2 | ||
BOLT,SOCKET,6X20 | 92153 | 92153-1031 | 6 | ||
WASHER,SPRING | 92200 | 92200-0539 | 1 | ||
WASHER | 92200A | 92200-0540 | 1 |
BOLT-SOCKET,6X60 | |
REF # | 120 |
---|---|
PART NUMBER | |
QUANTITY | 2 |
DESTINATION | |
REMARKS |
BOLT-SOCKET,6X75 | |
REF # | 120A |
---|---|
PART NUMBER | |
QUANTITY | 1 |
DESTINATION | |
REMARKS |
PLATE,CABLE STOPPER | |
REF # | 13272 |
---|---|
PART NUMBER | |
QUANTITY | 1 |
DESTINATION | |
REMARKS |
HOLDER,INTAKE MANIFOLD | |
REF # | 13280 |
---|---|
PART NUMBER | |
QUANTITY | 2 |
DESTINATION | |
REMARKS |
INSULATOR | |
REF # | 16073 |
---|---|
PART NUMBER | |
QUANTITY | 2 |
DESTINATION | |
REMARKS |
THROTTLE-ASSY,EACW42 | |
REF # | 16163 |
---|---|
PART NUMBER | |
QUANTITY | 1 |
DESTINATION | |
REMARKS |
SCREW-PAN-WS-CROS,4X6 | |
REF # | 223 |
---|---|
PART NUMBER | |
QUANTITY | 1 |
DESTINATION | |
REMARKS |
SWITCH,AUTOCRUISE CANCEL | |
REF # | 27010 |
---|---|
PART NUMBER | |
QUANTITY | 1 |
DESTINATION | |
REMARKS |
NUT-HEX | |
REF # | 312 |
---|---|
PART NUMBER | |
QUANTITY | 1 |
DESTINATION | |
REMARKS |
STAY | |
REF # | 35063 |
---|---|
PART NUMBER | |
QUANTITY | 1 |
DESTINATION | |
REMARKS |
STAY | |
REF # | 35063A |
---|---|
PART NUMBER | |
QUANTITY | 1 |
DESTINATION | |
REMARKS |
NOZZLE-INJECTION | |
REF # | 49033 |
---|---|
PART NUMBER | |
QUANTITY | 2 |
DESTINATION | |
REMARKS |
PIPE-INJECTION | |
REF # | 49056 |
---|---|
PART NUMBER | |
QUANTITY | 1 |
DESTINATION | |
REMARKS |
PIN-DOWEL,4X8 | |
REF # | 551 |
---|---|
PART NUMBER | |
QUANTITY | 4 |
DESTINATION | |
REMARKS |
MANIFOLD-INTAKE | |
REF # | 59076 |
---|---|
PART NUMBER | |
QUANTITY | 1 |
DESTINATION | |
REMARKS |
CLAMP,BREATHER TUBE | |
REF # | 92037 |
---|---|
PART NUMBER | |
QUANTITY | 2 |
DESTINATION | |
REMARKS |
RING-O,49.7X2.4 | |
REF # | 92055 |
---|---|
PART NUMBER | |
QUANTITY | 2 |
DESTINATION | |
REMARKS |
RING-O,INJECTION NOZZLE | |
REF # | 92055A |
---|---|
PART NUMBER | |
QUANTITY | 2 |
DESTINATION | |
REMARKS |
PLUG,FITTING | |
REF # | 92066 |
---|---|
PART NUMBER | |
QUANTITY | 2 |
DESTINATION | |
REMARKS |
SEAL | |
REF # | 92093 |
---|---|
PART NUMBER | |
QUANTITY | 2 |
DESTINATION | |
REMARKS |
BOLT,SOCKET,6X20 | |
REF # | 92153 |
---|---|
PART NUMBER | |
QUANTITY | 6 |
DESTINATION | |
REMARKS |
WASHER,SPRING | |
REF # | 92200 |
---|---|
PART NUMBER | |
QUANTITY | 1 |
DESTINATION | |
REMARKS |
WASHER | |
REF # | 92200A |
---|---|
PART NUMBER | |
QUANTITY | 1 |
DESTINATION | |
REMARKS |