main content of page
Parts Diagrams
OWNER CENTER |

Welcome, Kawasaki owners. Access the information and tools you need to get the most out of your vehicle.
OWNER CENTER |
Welcome, Kawasaki owners. Access the information and tools you need to get the most out of your vehicle.
Parts Diagrams |
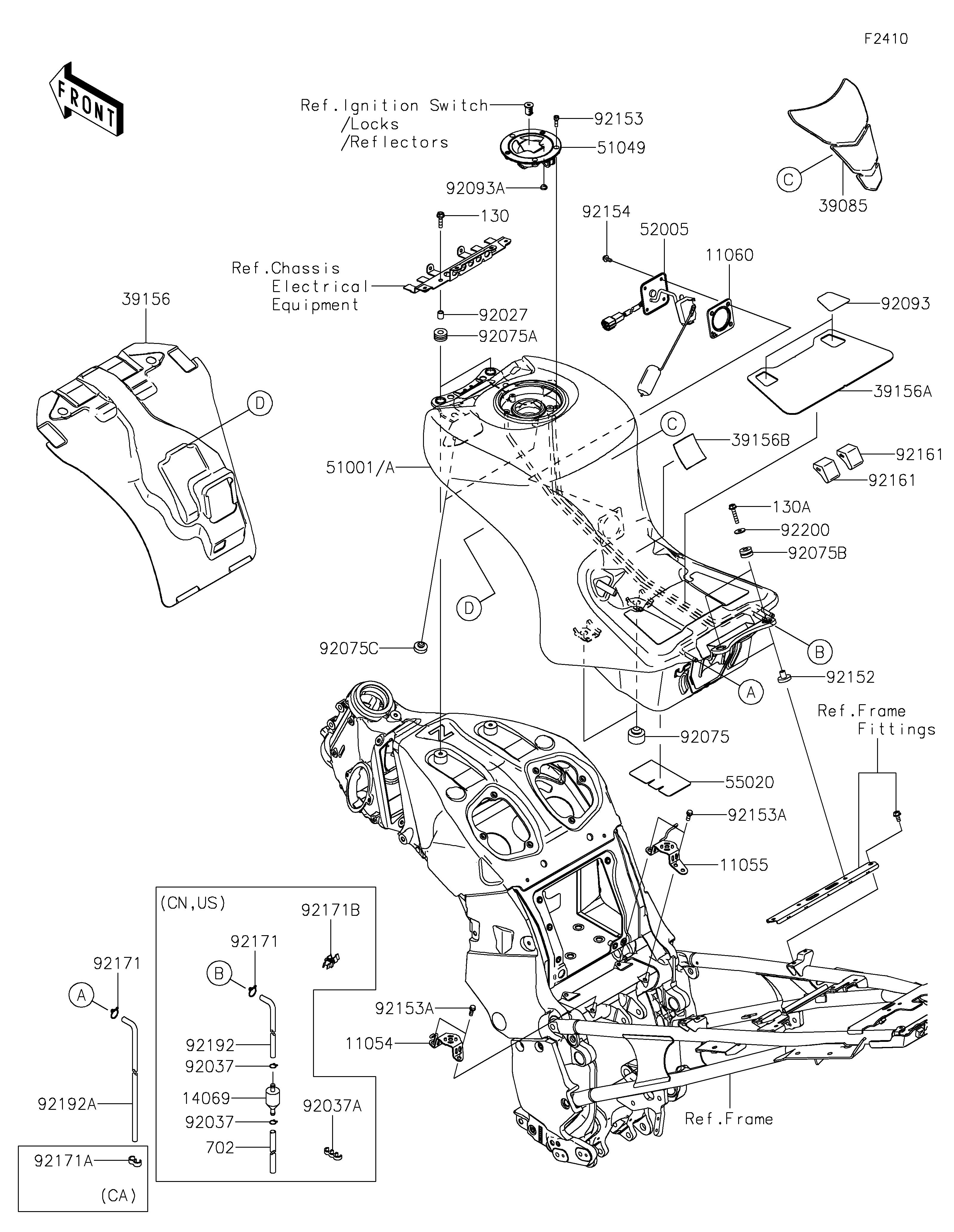
11054
11054
11055
11055
11060
11060
14069
14069
39085
39085
39156
39156
39156A
39156A
39156B
39156B
51001
51001
51001A
51001A
51049
51049
52005
52005
55020
55020
92027
92027
92037
92037
92037
92037
92037A
92037A
92075
92075
92075A
92075A
92075B
92075B
92075C
92075C
92093
92093
92093A
92093A
92152
92152
92153
92153
92153A
92153A
92153A
92153A
92154
92154
92161
92161
92161
92161
92171
92171
92171
92171
92171A
92171A
92171B
92171B
130
130
130A
130A
702
702
92192
92192
92192A
92192A
92200
92200
ITEM NAME | REF # | PART NUMBER | QUANTITY | DESTINATION | REMARKS |
---|---|---|---|---|---|
BRACKET,FUEL TANK,CNT,LH | 11054 | 11054-0681 | 1 | ||
BRACKET,FUEL TANK,CNT,RH | 11055 | 11055-0348 | 1 | ||
GASKET,FUEL GAUGE | 11060 | 11060-1952 | 1 | ||
BREATHER | 14069 | 14069-0703 | 1 | CN,US | |
PAD-TANK | 39085 | 39085-0011 | 1 | ||
PAD | 39156 | 39156-0794 | 1 | ||
PAD,FUEL TANK | 39156A | 39156-0863 | 1 | ||
PAD,50X50X3 | 39156B | 39156-1878 | 1 | ||
TANK-COMP-FUEL,M.S.BLACK | 51001 | 51001-0818-660 | 1 | CN,US | |
TANK-COMP-FUEL,M.S.BLACK | 51001A | 51001-0819-660 | 1 | CA | |
CAP-TANK,FUEL | 51049 | 51049-0744 | 1 | ||
GAUGE,FUEL | 52005 | 52005-0026 | 1 | ||
GUARD,FUEL TANK | 55020 | 55020-0551 | 1 | ||
COLLAR,6.8X10X12 | 92027 | 92027-162 | 2 | ||
CLAMP,TUBE | 92037 | 92037-147 | 2 | CN,US | |
CLAMP,TUBE | 92037A | 92037-1941 | 1 | CN,US | |
DAMPER | 92075 | 92075-015 | 2 | ||
DAMPER,10X24X12 | 92075A | 92075-1690 | 2 | ||
DAMPER | 92075B | 92075-209 | 2 | ||
DAMPER,9X24X14 | 92075C | 92075-281 | 2 | ||
SEAL | 92093 | 92093-0583 | 2 | ||
SEAL,FUEL TANK CAP | 92093A | 92093-1030 | 1 | ||
COLLAR | 92152 | 92152-0364 | 2 | ||
BOLT,SOCKET,5X16 | 92153 | 92153-1616 | 3 | ||
BOLT,FLANGED,6X20 | 92153A | 92153-1694 | 4 | ||
BOLT,FLANGED,5X12 | 92154 | 92154-1856 | 4 | ||
DAMPER | 92161 | 92161-1481 | 2 | ||
CLAMP | 92171 | 92171-0573 | 1 | CA | |
CLAMP | 92171 | 92171-0573 | 2 | CN,US | |
CLAMP | 92171A | 92171-1184 | 1 | CA | |
CLAMP | 92171B | 92171-1708 | 1 | CN,US | |
BOLT-FLANGED,6X25 | 130 | 130BA0625 | 2 | ||
BOLT-FLANGED,6X30 | 130A | 130BA0630 | 2 | ||
TUBE-RUBBER,7X10X200 | 702 | 702A07200 | 1 | CN,US | |
TUBE | 92192 | 92192-0611 | 1 | CN,US | |
TUBE,DRAIN | 92192A | 92192-0693 | 1 | ||
WASHER,6.5X20X1.6 | 92200 | 92200-0283 | 2 |
BRACKET,FUEL TANK,CNT,LH | |
REF # | 11054 |
---|---|
PART NUMBER | |
QUANTITY | 1 |
DESTINATION | |
REMARKS |
BRACKET,FUEL TANK,CNT,RH | |
REF # | 11055 |
---|---|
PART NUMBER | |
QUANTITY | 1 |
DESTINATION | |
REMARKS |
GASKET,FUEL GAUGE | |
REF # | 11060 |
---|---|
PART NUMBER | |
QUANTITY | 1 |
DESTINATION | |
REMARKS |
BREATHER | |
REF # | 14069 |
---|---|
PART NUMBER | |
QUANTITY | 1 |
DESTINATION | CN,US |
REMARKS |
PAD-TANK | |
REF # | 39085 |
---|---|
PART NUMBER | |
QUANTITY | 1 |
DESTINATION | |
REMARKS |
PAD | |
REF # | 39156 |
---|---|
PART NUMBER | |
QUANTITY | 1 |
DESTINATION | |
REMARKS |
PAD,FUEL TANK | |
REF # | 39156A |
---|---|
PART NUMBER | |
QUANTITY | 1 |
DESTINATION | |
REMARKS |
PAD,50X50X3 | |
REF # | 39156B |
---|---|
PART NUMBER | |
QUANTITY | 1 |
DESTINATION | |
REMARKS |
TANK-COMP-FUEL,M.S.BLACK | |
REF # | 51001 |
---|---|
PART NUMBER | |
QUANTITY | 1 |
DESTINATION | CN,US |
REMARKS |
TANK-COMP-FUEL,M.S.BLACK | |
REF # | 51001A |
---|---|
PART NUMBER | |
QUANTITY | 1 |
DESTINATION | CA |
REMARKS |
CAP-TANK,FUEL | |
REF # | 51049 |
---|---|
PART NUMBER | |
QUANTITY | 1 |
DESTINATION | |
REMARKS |
GAUGE,FUEL | |
REF # | 52005 |
---|---|
PART NUMBER | |
QUANTITY | 1 |
DESTINATION | |
REMARKS |
GUARD,FUEL TANK | |
REF # | 55020 |
---|---|
PART NUMBER | |
QUANTITY | 1 |
DESTINATION | |
REMARKS |
COLLAR,6.8X10X12 | |
REF # | 92027 |
---|---|
PART NUMBER | |
QUANTITY | 2 |
DESTINATION | |
REMARKS |
CLAMP,TUBE | |
REF # | 92037 |
---|---|
PART NUMBER | |
QUANTITY | 2 |
DESTINATION | CN,US |
REMARKS |
CLAMP,TUBE | |
REF # | 92037A |
---|---|
PART NUMBER | |
QUANTITY | 1 |
DESTINATION | CN,US |
REMARKS |
DAMPER | |
REF # | 92075 |
---|---|
PART NUMBER | |
QUANTITY | 2 |
DESTINATION | |
REMARKS |
DAMPER,10X24X12 | |
REF # | 92075A |
---|---|
PART NUMBER | |
QUANTITY | 2 |
DESTINATION | |
REMARKS |
DAMPER | |
REF # | 92075B |
---|---|
PART NUMBER | |
QUANTITY | 2 |
DESTINATION | |
REMARKS |
DAMPER,9X24X14 | |
REF # | 92075C |
---|---|
PART NUMBER | |
QUANTITY | 2 |
DESTINATION | |
REMARKS |
SEAL | |
REF # | 92093 |
---|---|
PART NUMBER | |
QUANTITY | 2 |
DESTINATION | |
REMARKS |
SEAL,FUEL TANK CAP | |
REF # | 92093A |
---|---|
PART NUMBER | |
QUANTITY | 1 |
DESTINATION | |
REMARKS |
COLLAR | |
REF # | 92152 |
---|---|
PART NUMBER | |
QUANTITY | 2 |
DESTINATION | |
REMARKS |
BOLT,SOCKET,5X16 | |
REF # | 92153 |
---|---|
PART NUMBER | |
QUANTITY | 3 |
DESTINATION | |
REMARKS |
BOLT,FLANGED,6X20 | |
REF # | 92153A |
---|---|
PART NUMBER | |
QUANTITY | 4 |
DESTINATION | |
REMARKS |
BOLT,FLANGED,5X12 | |
REF # | 92154 |
---|---|
PART NUMBER | |
QUANTITY | 4 |
DESTINATION | |
REMARKS |
DAMPER | |
REF # | 92161 |
---|---|
PART NUMBER | |
QUANTITY | 2 |
DESTINATION | |
REMARKS |
CLAMP | |
REF # | 92171 |
---|---|
PART NUMBER | |
QUANTITY | 1 |
DESTINATION | CA |
REMARKS |
CLAMP | |
REF # | 92171 |
---|---|
PART NUMBER | |
QUANTITY | 2 |
DESTINATION | CN,US |
REMARKS |
CLAMP | |
REF # | 92171A |
---|---|
PART NUMBER | |
QUANTITY | 1 |
DESTINATION | CA |
REMARKS |
CLAMP | |
REF # | 92171B |
---|---|
PART NUMBER | |
QUANTITY | 1 |
DESTINATION | CN,US |
REMARKS |
BOLT-FLANGED,6X25 | |
REF # | 130 |
---|---|
PART NUMBER | |
QUANTITY | 2 |
DESTINATION | |
REMARKS |
BOLT-FLANGED,6X30 | |
REF # | 130A |
---|---|
PART NUMBER | |
QUANTITY | 2 |
DESTINATION | |
REMARKS |
TUBE-RUBBER,7X10X200 | |
REF # | 702 |
---|---|
PART NUMBER | |
QUANTITY | 1 |
DESTINATION | CN,US |
REMARKS |
TUBE | |
REF # | 92192 |
---|---|
PART NUMBER | |
QUANTITY | 1 |
DESTINATION | CN,US |
REMARKS |
TUBE,DRAIN | |
REF # | 92192A |
---|---|
PART NUMBER | |
QUANTITY | 1 |
DESTINATION | |
REMARKS |
WASHER,6.5X20X1.6 | |
REF # | 92200 |
---|---|
PART NUMBER | |
QUANTITY | 2 |
DESTINATION | |
REMARKS |