Skip to main content

Parts Diagrams

customer service agent speaking with a customer

Welcome, Kawasaki owners. Access the information and tools you need to get the most out of your vehicle.

Welcome, Kawasaki owners. Access the information and tools you need to get the most out of your vehicle.

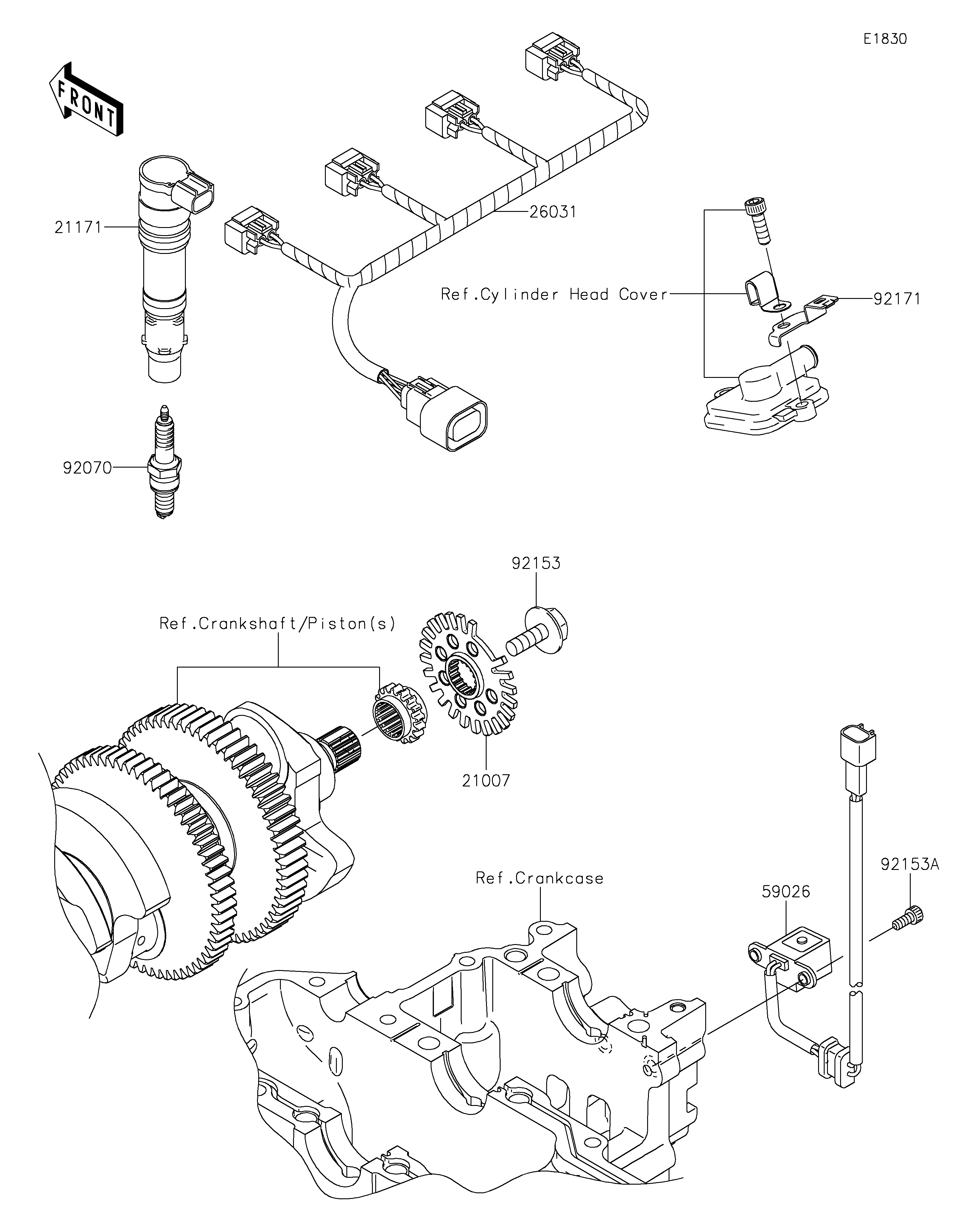
21007
21171
26031
59026
92070
92153
92153A
92171
Part Item Information
ITEM NAME REF # PART NUMBER QUANTITY DESTINATION REMARKS
ROTOR 21007 21007-0066 1
COIL-ASSY-IGNITION 21171 21171-0005 4
HARNESS,SUB 26031 26031-0742 1
COIL-PULSING 59026 59026-0041 1
PLUG-SPARK,CR9EIA(NGK) 92070 92070-0014 4
BOLT,FLANGED,8X23 92153 92153-0549 1
BOLT,SOCKET,5X12 92153A 92153-1293 2
CLAMP 92171 92171-0524 1