Skip to main content

Parts Diagrams

customer service agent speaking with a customer

Welcome, Kawasaki owners. Access the information and tools you need to get the most out of your vehicle.

Welcome, Kawasaki owners. Access the information and tools you need to get the most out of your vehicle.

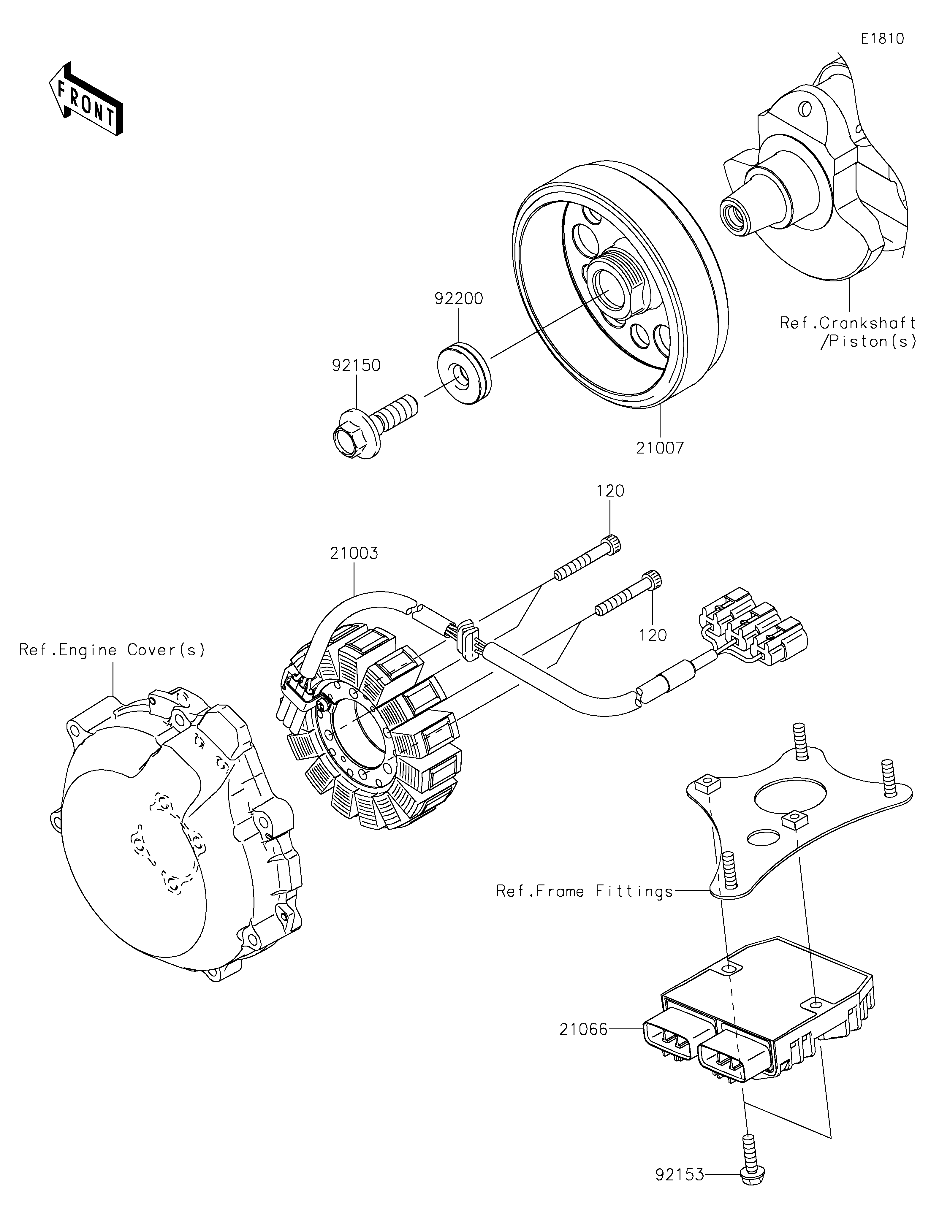
120
120
21003
21007
21066
92150
92153
92200
Part Item Information
ITEM NAME REF # PART NUMBER QUANTITY DESTINATION REMARKS
BOLT-SOCKET,6X40 120 120CA0640 4
STATOR 21003 21003-0149 1
ROTOR 21007 21007-0595 1
REGULATOR-VOLTAGE 21066 21066-0771 1
BOLT,12X40 92150 92150-1717 1
BOLT,FLANGED,6X22 92153 92153-1598 2
WASHER,12X34X9 92200 92200-0369 1