main content of page
Parts Diagrams
OWNER CENTER |

Welcome, Kawasaki owners. Access the information and tools you need to get the most out of your vehicle.
OWNER CENTER |
Welcome, Kawasaki owners. Access the information and tools you need to get the most out of your vehicle.
Parts Diagrams |
11004
11008
120
16065
39193
39193A
39193B
39193C
49002
49002
670
670
670
670
670
670
670
670
670
670
670
670
92004
92042
92042
92042
92043
92043
92055
92066
92153
92153
92153A
92153A
92154
92154
92171
92171
92200
92200
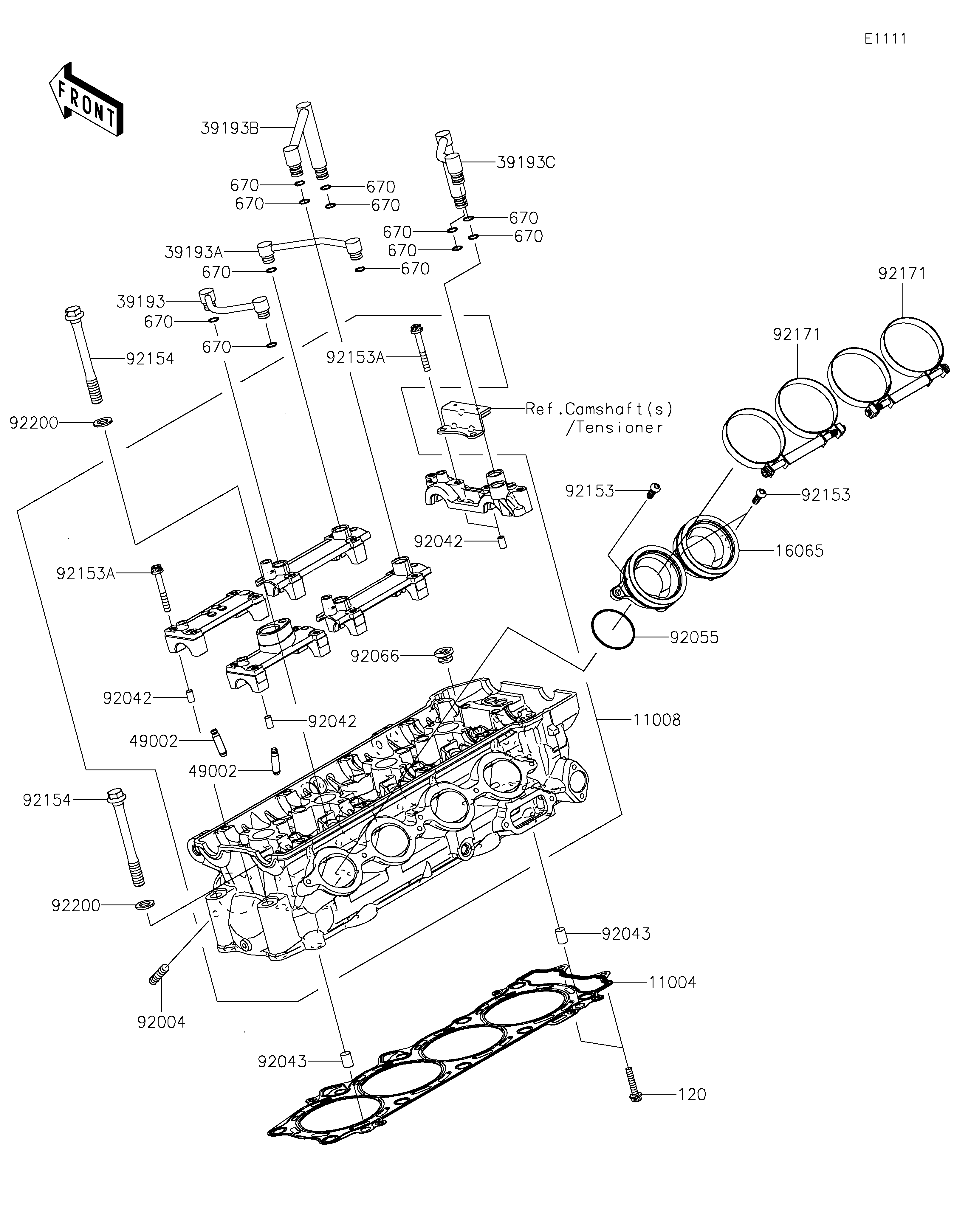
ITEM NAME | REF # | PART NUMBER | QUANTITY | DESTINATION | REMARKS |
---|---|---|---|---|---|
GASKET-HEAD | 11004 | 11004-0059 | 1 | ||
HEAD-COMP-CYLINDER | 11008 | 11008-0853 | 1 | ||
BOLT-SOCKET,6X30 | 120 | 120CD0630 | 2 | ||
HOLDER-CARBURETOR | 16065 | 16065-0040 | 2 | ||
PIPE-OIL | 39193 | 39193-0040 | 1 | ||
PIPE-OIL | 39193A | 39193-0042 | 1 | ||
PIPE-OIL | 39193B | 39193-0058 | 1 | ||
PIPE-OIL | 39193C | 39193-0059 | 1 | ||
GUIDE-VALVE | 49002 | 49002-0014 | 16 | ||
O RING,9MM | 670 | 670D1509 | 12 | ||
STUD | 92004 | 92004-0050 | 8 | ||
PIN,DOWEL,6.3X8X14 | 92042 | 92042-007 | 10 | ||
PIN,8.2X10X14 | 92043 | 92043-1264 | 2 | ||
RING-O,47X1.9 | 92055 | 92055-1600 | 4 | ||
PLUG,18X10 | 92066 | 92066-0016 | 4 | ||
BOLT,TORX,6X18 | 92153 | 92153-0454 | 6 | ||
BOLT,SOCKET,6X45 | 92153A | 92153-0656 | 20 | ||
BOLT,11X98 | 92154 | 92154-1625 | 10 | ||
CLAMP | 92171 | 92171-1892 | 2 | ||
WASHER,11.2X18.2X1.8 | 92200 | 92200-0940 | 10 |
GASKET-HEAD | |
REF # | 11004 |
---|---|
PART NUMBER | |
QUANTITY | 1 |
DESTINATION | |
REMARKS |
HEAD-COMP-CYLINDER | |
REF # | 11008 |
---|---|
PART NUMBER | |
QUANTITY | 1 |
DESTINATION | |
REMARKS |
BOLT-SOCKET,6X30 | |
REF # | 120 |
---|---|
PART NUMBER | |
QUANTITY | 2 |
DESTINATION | |
REMARKS |
HOLDER-CARBURETOR | |
REF # | 16065 |
---|---|
PART NUMBER | |
QUANTITY | 2 |
DESTINATION | |
REMARKS |
PIPE-OIL | |
REF # | 39193 |
---|---|
PART NUMBER | |
QUANTITY | 1 |
DESTINATION | |
REMARKS |
PIPE-OIL | |
REF # | 39193A |
---|---|
PART NUMBER | |
QUANTITY | 1 |
DESTINATION | |
REMARKS |
PIPE-OIL | |
REF # | 39193B |
---|---|
PART NUMBER | |
QUANTITY | 1 |
DESTINATION | |
REMARKS |
PIPE-OIL | |
REF # | 39193C |
---|---|
PART NUMBER | |
QUANTITY | 1 |
DESTINATION | |
REMARKS |
GUIDE-VALVE | |
REF # | 49002 |
---|---|
PART NUMBER | |
QUANTITY | 16 |
DESTINATION | |
REMARKS |
O RING,9MM | |
REF # | 670 |
---|---|
PART NUMBER | |
QUANTITY | 12 |
DESTINATION | |
REMARKS |
STUD | |
REF # | 92004 |
---|---|
PART NUMBER | |
QUANTITY | 8 |
DESTINATION | |
REMARKS |
PIN,DOWEL,6.3X8X14 | |
REF # | 92042 |
---|---|
PART NUMBER | |
QUANTITY | 10 |
DESTINATION | |
REMARKS |
PIN,8.2X10X14 | |
REF # | 92043 |
---|---|
PART NUMBER | |
QUANTITY | 2 |
DESTINATION | |
REMARKS |
RING-O,47X1.9 | |
REF # | 92055 |
---|---|
PART NUMBER | |
QUANTITY | 4 |
DESTINATION | |
REMARKS |
PLUG,18X10 | |
REF # | 92066 |
---|---|
PART NUMBER | |
QUANTITY | 4 |
DESTINATION | |
REMARKS |
BOLT,TORX,6X18 | |
REF # | 92153 |
---|---|
PART NUMBER | |
QUANTITY | 6 |
DESTINATION | |
REMARKS |
BOLT,SOCKET,6X45 | |
REF # | 92153A |
---|---|
PART NUMBER | |
QUANTITY | 20 |
DESTINATION | |
REMARKS |
BOLT,11X98 | |
REF # | 92154 |
---|---|
PART NUMBER | |
QUANTITY | 10 |
DESTINATION | |
REMARKS |
CLAMP | |
REF # | 92171 |
---|---|
PART NUMBER | |
QUANTITY | 2 |
DESTINATION | |
REMARKS |
WASHER,11.2X18.2X1.8 | |
REF # | 92200 |
---|---|
PART NUMBER | |
QUANTITY | 10 |
DESTINATION | |
REMARKS |