Skip to main content

Parts Diagrams

customer service agent speaking with a customer

Welcome, Kawasaki owners. Access the information and tools you need to get the most out of your vehicle.

Welcome, Kawasaki owners. Access the information and tools you need to get the most out of your vehicle.

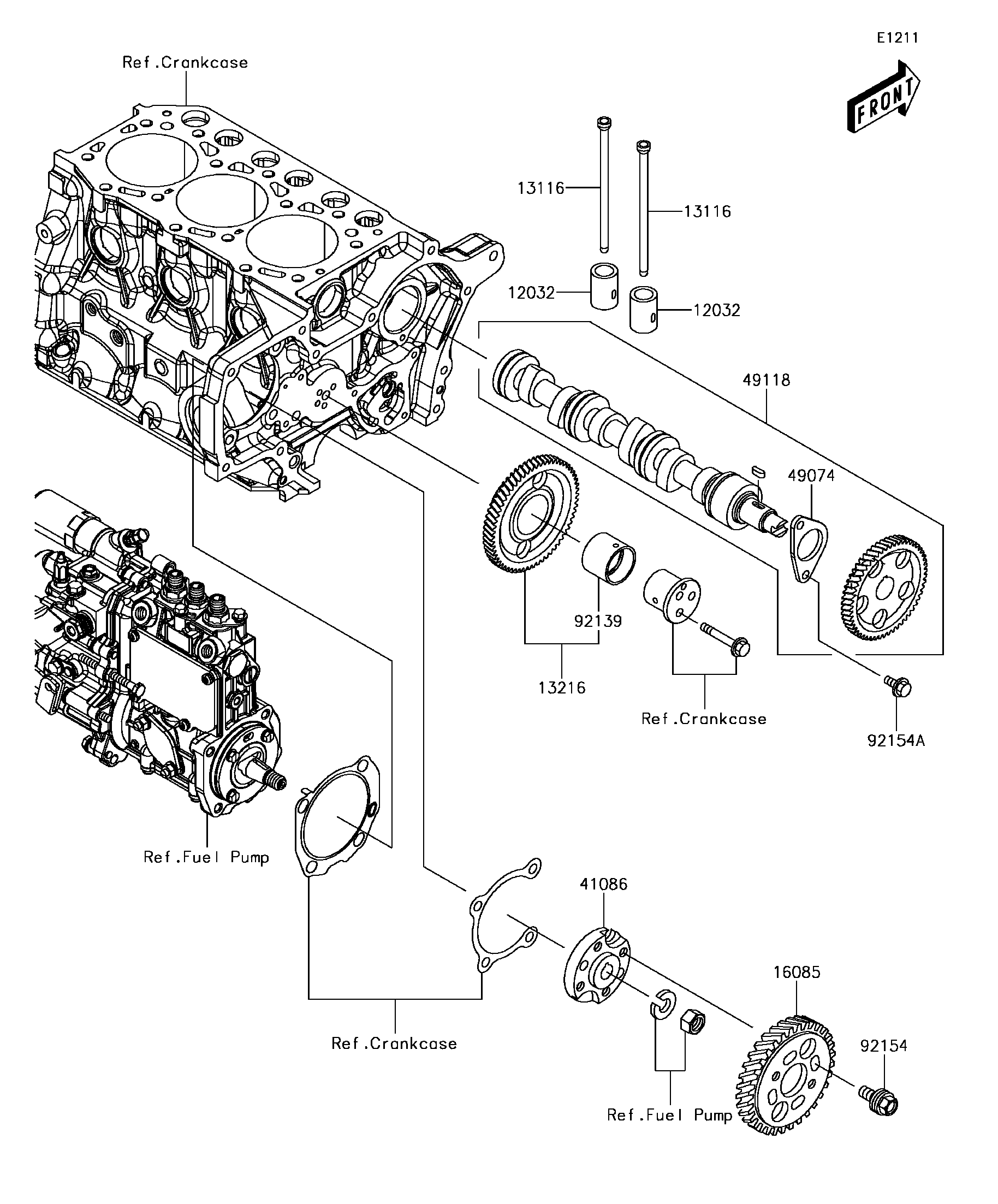
2017 MULE PRO-DX DIESEL - Valve(s)/Camshaft(s)

12032
12032
13116
13116
13216
16085
41086
49074
49118
92139
92154
92154A
Part Item Information
ITEM NAME REF # PART NUMBER QUANTITY DESTINATION REMARKS
TAPPET 12032 12032-0021 6
ROD-PUSH 13116 13116-0726 6
GEAR-COMP,IDLE 13216 13216-0889 1
GEAR,PUMP 16085 16085-0648 1
FLANGE 41086 41086-0723 1
PLATE-THRUST 49074 49074-0004 1
CAMSHAFT-COMP 49118 49118-0864 1
BUSHING,IDLE GEAR 92139 92139-0863 1
BOLT 92154 92154-1996 4
BOLT,FLANGED,6X12 92154A 92154-1998 2