Skip to main content

Parts Diagrams

customer service agent speaking with a customer

Welcome, Kawasaki owners. Access the information and tools you need to get the most out of your vehicle.

Welcome, Kawasaki owners. Access the information and tools you need to get the most out of your vehicle.

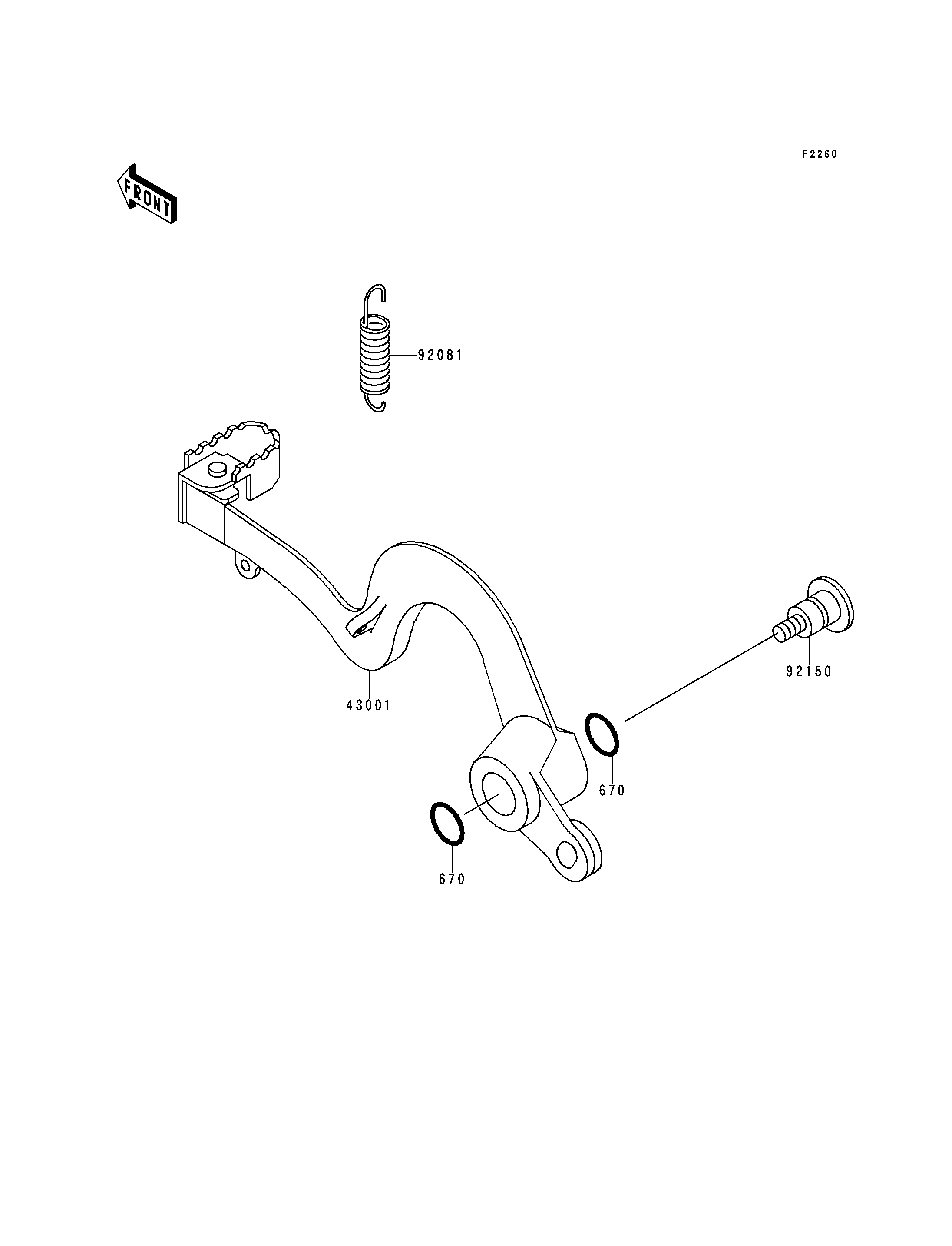
Part Item Information
ITEM NAME REF # PART NUMBER QUANTITY DESTINATION REMARKS
O RING,16MM 670 670B2016 2
LEVER-BRAKE,PEDAL 43001 43001-1351 1
SPRING,BRAKE PEDAL RETURN 92081 92081-1932 1
BOLT 92150 92150-1832 1