Skip to main content

Parts Diagrams

customer service agent speaking with a customer

Welcome, Kawasaki owners. Access the information and tools you need to get the most out of your vehicle.

Welcome, Kawasaki owners. Access the information and tools you need to get the most out of your vehicle.

Part Item Information
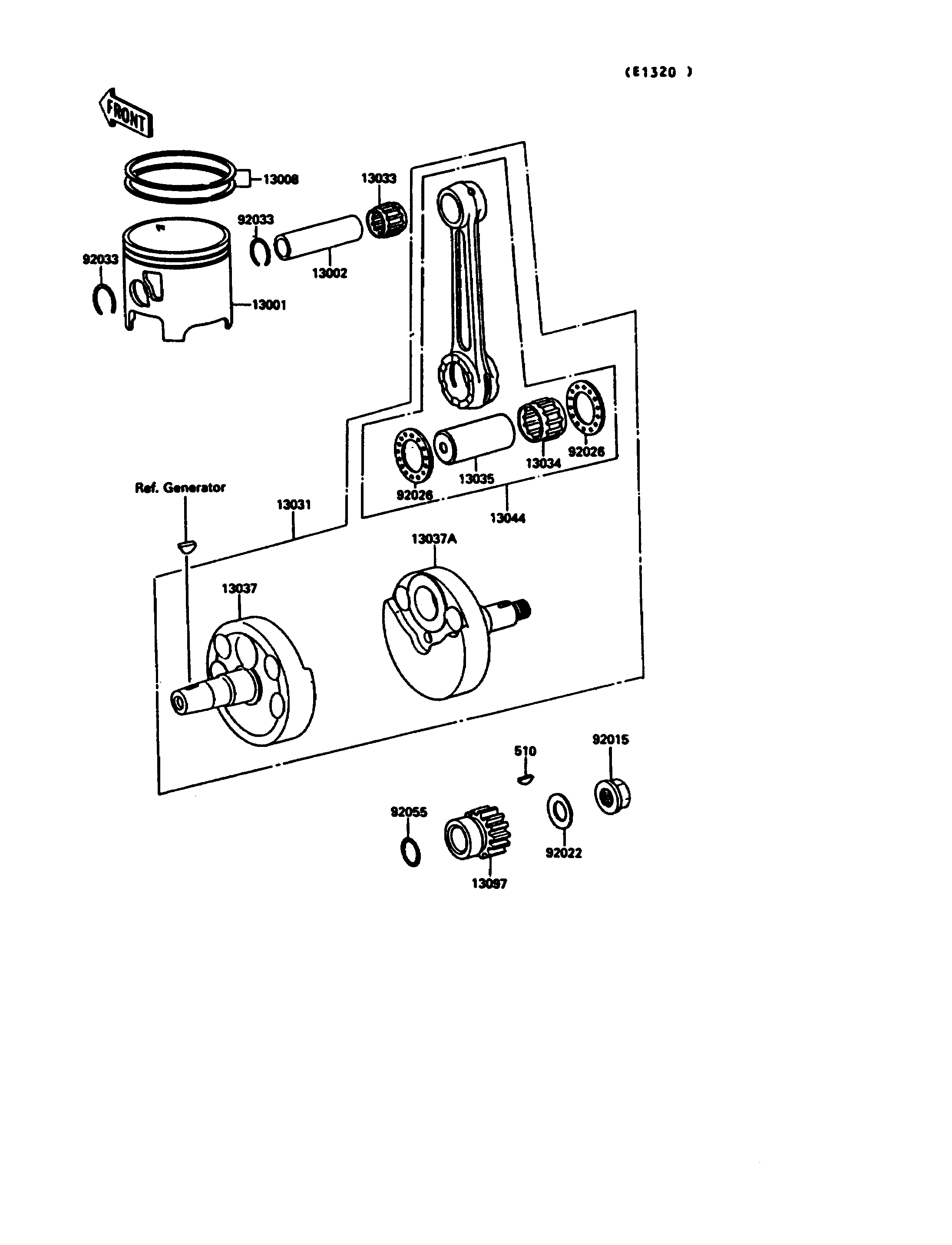
ITEM NAME REF # PART NUMBER QUANTITY DESTINATION REMARKS
PISTON-ENGINE 13001 13001-1303 1
PIN-PISTON 13002 13002-1066 1
RING-SET-PISTON 13008 13008-1096 1
CRANKSHAFT-COMP 13031 13031-1293 1
BEARING-SMALL END 13033 13033-1056 1
BEARING-BIG END,B4 13034 13034-1081 1
PIN-CRANK 13035 13035-1010 1
CRANKSHAFT,LH 13037 13037-1373 1
CRANKSHAFT,RH 13037A 13037-1374 1
SET-CONNECTING ROD 13044 13044-5071 1
GEAR-PRIMARY SPUR,18T 13097 13097-1203 1
NUT,FLANGED,12MM 92015 92015-1156 1
WASHER 92022 92022-1831 1
SPACER,22.2X37X1.0 92026 92026-1136 2
RING-SNAP,PISTON PIN 92033 92033-1242 2
RING-O 92055 92055-086 1
KEY-WOODRUFF 510 510A5100 1