Skip to main content

Parts Diagrams

customer service agent speaking with a customer

Welcome, Kawasaki owners. Access the information and tools you need to get the most out of your vehicle.

Welcome, Kawasaki owners. Access the information and tools you need to get the most out of your vehicle.

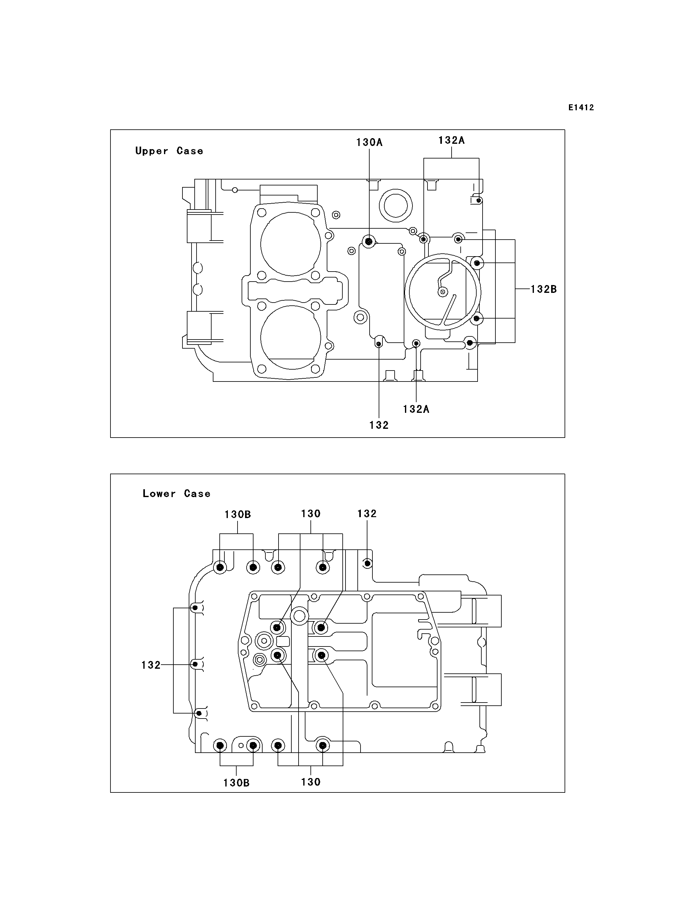
2009 Vulcan® 500 LTD - Crankcase Bolt Pattern

130
130
130A
130B
130B
132
132
132
132A
132A
132B
Part Item Information
ITEM NAME REF # PART NUMBER QUANTITY DESTINATION REMARKS
BOLT-FLANGED,8X100 130 130CD08100 8
BOLT-FLANGED,8X55 130A 130CD0855 1
BOLT-FLANGED,8X75 130B 130CD0875 4
BOLT-FLANGED-SMALL,6X40 132 132BD0640 5
BOLT-FLANGED-SMALL,6X60 132A 132BD0660 3
BOLT-FLANGED-SMALL,6X80 132B 132BD0680 4