Skip to main content

Parts Diagrams

customer service agent speaking with a customer

Welcome, Kawasaki owners. Access the information and tools you need to get the most out of your vehicle.

Welcome, Kawasaki owners. Access the information and tools you need to get the most out of your vehicle.

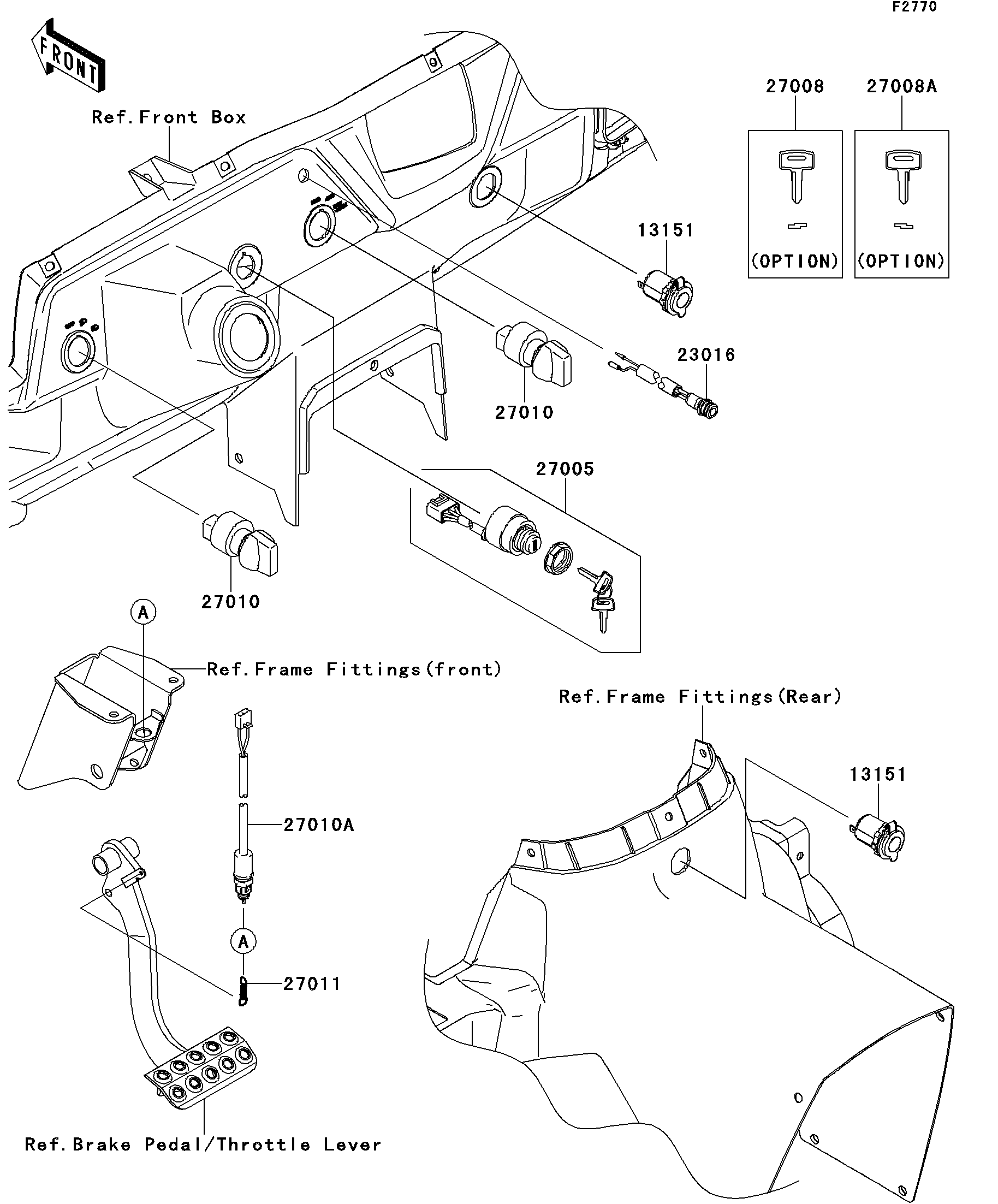
2013 Teryx4 750 4x4 EPS LE - Ignition Switch

13151
13151
23016
27005
27008
27008A
27010
27010
27010A
27011
Part Item Information
ITEM NAME REF # PART NUMBER QUANTITY DESTINATION REMARKS
SWITCH-COMP,OUTLET,12V 13151 13151-0556 2
LAMP-ASSY,LED 23016 23016-0046 1
SWITCH-ASSY-IGNITION 27005 27005-0036 1
KEY-LOCK,BLANK 27008 27008-1153 1 (OPTION)
KEY-LOCK,BLANK 27008A 27008-1157 1 (OPTION)
SWITCH,HEAD LAMP 27010 27010-0706 2
SWITCH,BRAKE 27010A 27010-0724 1
SPRING,BRAKE LAMP SWITCH 27011 27011-006 1