Skip to main content

Parts Diagrams

customer service agent speaking with a customer

Welcome, Kawasaki owners. Access the information and tools you need to get the most out of your vehicle.

Welcome, Kawasaki owners. Access the information and tools you need to get the most out of your vehicle.

Find diagram by part name or number

Find diagram by part name or number

Accessory(Lower Cowling)

Accessory(Meter Cover)

Accessory(Pillion Seat Cover)

Accessory(Radiator Screen)

Accessory(USB Output)

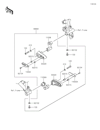
Brake Pedal/Torque Link

Camshaft(s)/Tensioner

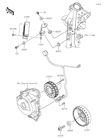
Chassis Electrical Equipment

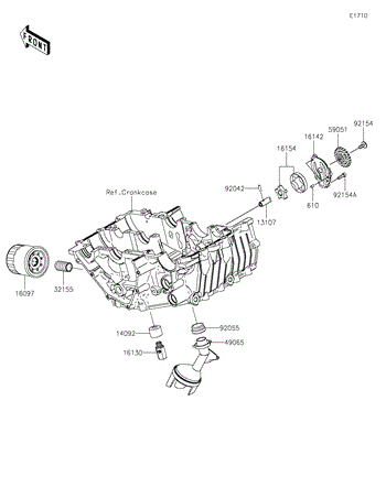
Crankcase Bolt Pattern

Decals(Black)(ERFNN/ESFNN/ESFNL)

Front Master Cylinder

Fuel Evaporative System(CA)

Gear Change Drum/Shift Fork(s)

Gear Change Mechanism

Ignition Switch/Locks/Reflectors

Side Covers/Chain Cover

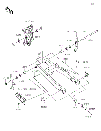
Suspension/Shock Absorber

FIND PARTS DIAGRAMS

Select a category and model to find the parts diagram you are looking for.

SEARCH BY VEHICLE VIN/HIN

Enter Your Vehicle VIN/HIN

Enter Your Vehicle VIN/HIN
Where is my VIN/HIN?