Skip to main content

Parts Diagrams

customer service agent speaking with a customer

Welcome, Kawasaki owners. Access the information and tools you need to get the most out of your vehicle.

Welcome, Kawasaki owners. Access the information and tools you need to get the most out of your vehicle.

2015 NINJA® ZX-6R ABS 30TH ANNIVERSARY

SELECT A NEW VEHICLE

Find diagram by part name or number

Find diagram by part name or number

Accessory(Engine Guard)

Accessory(Single Seat Cover)

Accessory(Steering Damper)

Brake Pedal/Torque Link

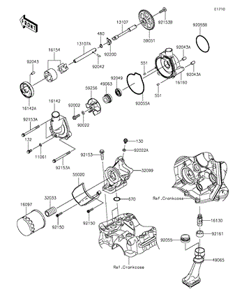
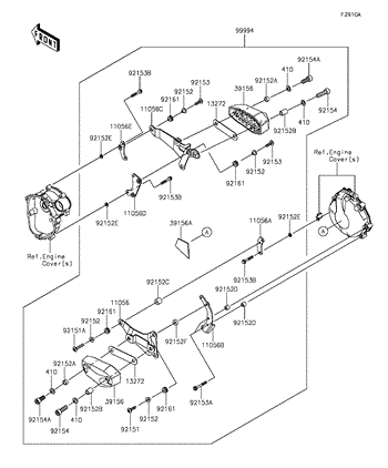
Camshaft(s)/Tensioner

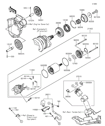
Chassis Electrical Equipment

Cowling Lowers(FDF/FEF)

Cowling Lowers(FFF/FFFA)

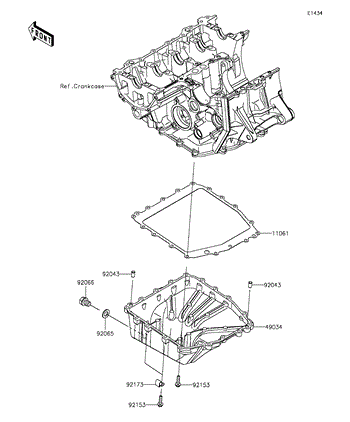
Crankcase Bolt Pattern

Decals(P.F.C.White)(FEF)

Front Master Cylinder

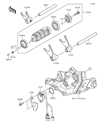
Gear Change Drum/Shift Fork(s)

Gear Change Mechanism

Ignition Switch/Locks/Reflectors

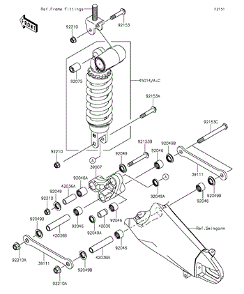
Suspension/Shock Absorber

FIND PARTS DIAGRAMS

Select a category and model to find the parts diagram you are looking for.

SEARCH BY VEHICLE VIN/HIN

Enter Your Vehicle VIN/HIN

Enter Your Vehicle VIN/HIN
Where is my VIN/HIN?