main content of page
Parts Diagrams
OWNER CENTER |

Welcome, Kawasaki owners. Access the information and tools you need to get the most out of your vehicle.
OWNER CENTER |
Welcome, Kawasaki owners. Access the information and tools you need to get the most out of your vehicle.
Parts Diagrams |
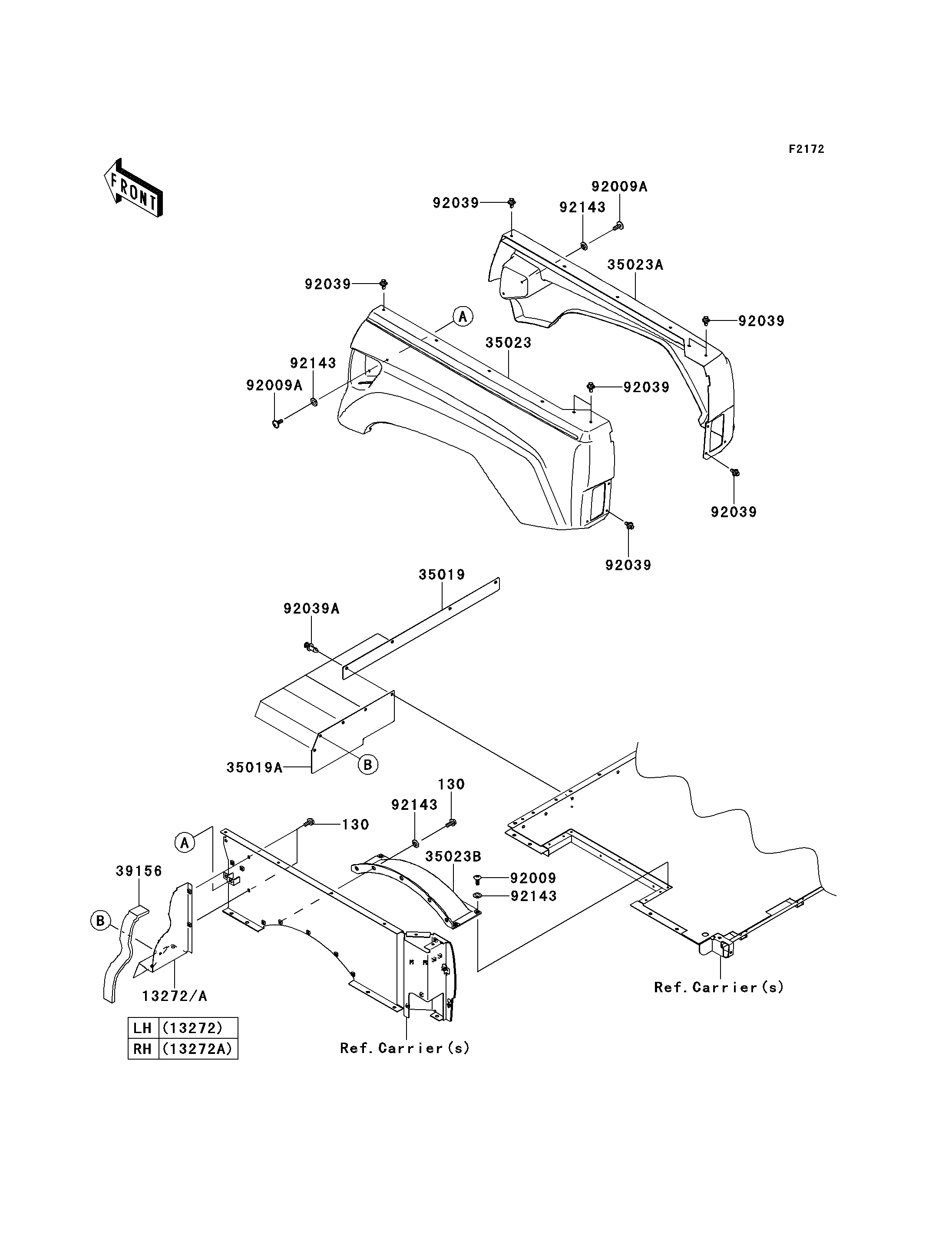
2013 TERYX® 750 FI 4x4 LE - Rear Fender(s)
130
130
13272
13272A
35019
35019A
35023
35023A
35023B
39156
92009
92009A
92009A
92039
92039
92039
92039
92039
92039
92039A
92143
92143
92143
92143
ITEM NAME | REF # | PART NUMBER | QUANTITY | DESTINATION | REMARKS |
---|---|---|---|---|---|
BOLT-FLANGED,6X14 | 130 | 130BB0614 | 14 | ||
PLATE,REAR FENDER,INNER,LH | 13272 | 13272-0688 | 1 | ||
PLATE,REAR FENDER,INNER,RH | 13272A | 13272-0689 | 1 | ||
FLAP,FRONT CARRIER,CNT | 35019 | 35019-0084 | 1 | ||
FLAP,CARRIER,FR | 35019A | 35019-0090 | 2 | ||
FENDER-REAR,RR,LH,CAMOUFLAGE | 35023 | 35023-0130-16P | 1 | ||
FENDER-REAR,RR,RH,CAMOUFLAGE | 35023A | 35023-0131-16P | 1 | ||
FENDER-REAR | 35023B | 35023-0151 | 2 | ||
PAD,REAR FENDER,INNER,LH&RH | 39156 | 39156-0519 | 2 | ||
SCREW,TAPPING,6X16 | 92009 | 92009-1166 | 10 | ||
SCREW,6X16 | 92009A | 92009-1621 | 2 | ||
RIVET | 92039 | 92039-1227 | 18 | ||
RIVET | 92039A | 92039-1229 | 12 | ||
COLLAR | 92143 | 92143-1087 | 22 |
BOLT-FLANGED,6X14 | |
REF # | 130 |
---|---|
PART NUMBER | |
QUANTITY | 14 |
DESTINATION | |
REMARKS |
PLATE,REAR FENDER,INNER,LH | |
REF # | 13272 |
---|---|
PART NUMBER | |
QUANTITY | 1 |
DESTINATION | |
REMARKS |
PLATE,REAR FENDER,INNER,RH | |
REF # | 13272A |
---|---|
PART NUMBER | |
QUANTITY | 1 |
DESTINATION | |
REMARKS |
FLAP,FRONT CARRIER,CNT | |
REF # | 35019 |
---|---|
PART NUMBER | |
QUANTITY | 1 |
DESTINATION | |
REMARKS |
FLAP,CARRIER,FR | |
REF # | 35019A |
---|---|
PART NUMBER | |
QUANTITY | 2 |
DESTINATION | |
REMARKS |
FENDER-REAR,RR,LH,CAMOUFLAGE | |
REF # | 35023 |
---|---|
PART NUMBER | |
QUANTITY | 1 |
DESTINATION | |
REMARKS |
FENDER-REAR,RR,RH,CAMOUFLAGE | |
REF # | 35023A |
---|---|
PART NUMBER | |
QUANTITY | 1 |
DESTINATION | |
REMARKS |
FENDER-REAR | |
REF # | 35023B |
---|---|
PART NUMBER | |
QUANTITY | 2 |
DESTINATION | |
REMARKS |
PAD,REAR FENDER,INNER,LH&RH | |
REF # | 39156 |
---|---|
PART NUMBER | |
QUANTITY | 2 |
DESTINATION | |
REMARKS |
SCREW,TAPPING,6X16 | |
REF # | 92009 |
---|---|
PART NUMBER | |
QUANTITY | 10 |
DESTINATION | |
REMARKS |
SCREW,6X16 | |
REF # | 92009A |
---|---|
PART NUMBER | |
QUANTITY | 2 |
DESTINATION | |
REMARKS |
RIVET | |
REF # | 92039 |
---|---|
PART NUMBER | |
QUANTITY | 18 |
DESTINATION | |
REMARKS |
RIVET | |
REF # | 92039A |
---|---|
PART NUMBER | |
QUANTITY | 12 |
DESTINATION | |
REMARKS |
COLLAR | |
REF # | 92143 |
---|---|
PART NUMBER | |
QUANTITY | 22 |
DESTINATION | |
REMARKS |