main content of page
Parts Diagrams
OWNER CENTER |

Welcome, Kawasaki owners. Access the information and tools you need to get the most out of your vehicle.
OWNER CENTER |
Welcome, Kawasaki owners. Access the information and tools you need to get the most out of your vehicle.
Parts Diagrams |
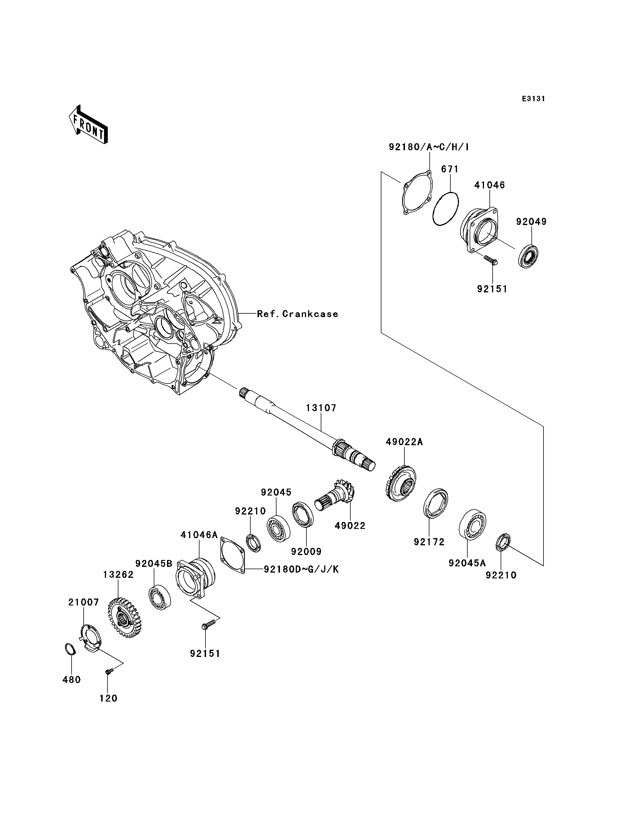
2013 TERYX® 750 FI 4x4 LE - Front Bevel Gear
120
480
671
13107
13262
21007
41046
41046A
49022
49022A
92009
92045
92045A
92045B
92049
92151
92151
92172
92180
92180A
92180B
92180C
92180D
92180E
92180F
92180G
92180H
92180I
92180J
92180K
92210
92210
ITEM NAME | REF # | PART NUMBER | QUANTITY | DESTINATION | REMARKS |
---|---|---|---|---|---|
BOLT-SOCKET,6X12 | 120 | 120CA0612 | 3 | ||
CIRCLIP-TYPE-C,28MM | 480 | 480J2800 | 1 | ||
O RING | 671 | 671D2585 | 1 | ||
SHAFT | 13107 | 13107-0176 | 1 | ||
GEAR,OUTPUT DRIVEN,29T | 13262 | 13262-0548 | 1 | ||
ROTOR,REVERSE SENSOR | 21007 | 21007-1416 | 1 | ||
HOUSING-BEARING | 41046 | 41046-0025 | 1 | ||
HOUSING-BEARING | 41046A | 41046-1101 | 1 | ||
GEAR-BEVEL,DRIVE,11T | 49022 | 49022-0044 | 1 | ||
GEAR-BEVEL,DRIVEN,21T | 49022A | 49022-0045 | 1 | ||
SCREW,64MM | 92009 | 92009-1914 | 1 | ||
BEARING-BALL | 92045 | 92045-0131 | 1 | ||
BEARING-BALL,6306SH2 | 92045A | 92045-1190 | 1 | ||
BEARING-BALL,62/28 | 92045B | 92045-1207 | 1 | ||
SEAL-OIL | 92049 | 92049-0160 | 1 | ||
BOLT-FLANGED-SMALL,8X30 | 92151 | 92151-1688 | 8 | ||
SCREW,SET,75X10 | 92172 | 92172-0371 | 1 | ||
SHIM,DRIVEN,T=0.15 | 92180 | 92180-1307 | AR | ||
SHIM,DRIVEN,T=0.20 | 92180A | 92180-1308 | AR | ||
SHIM,DRIVEN,T=0.50 | 92180B | 92180-1309 | AR | ||
SHIM,DRIVEN,T=0.80 | 92180C | 92180-1310 | AR | ||
SHIM,DRIVE,T=0.15 | 92180D | 92180-1311 | AR | ||
SHIM,DRIVE,T=0.20 | 92180E | 92180-1312 | AR | ||
SHIM,DRIVE,T=0.50 | 92180F | 92180-1313 | AR | ||
SHIM,DRIVE,T=0.80 | 92180G | 92180-1314 | AR | ||
SHIM,DRIVEN,T=1.00 | 92180H | 92180-1349 | AR | ||
SHIM,DRIVEN,T=1.20 | 92180I | 92180-1350 | AR | ||
SHIM,DRIVE,T=1.00 | 92180J | 92180-1351 | AR | ||
SHIM,DRIVE,T=1.20 | 92180K | 92180-1352 | AR | ||
NUT,30MM | 92210 | 92210-1294 | 2 |
BOLT-SOCKET,6X12 | |
REF # | 120 |
---|---|
PART NUMBER | |
QUANTITY | 3 |
DESTINATION | |
REMARKS |
CIRCLIP-TYPE-C,28MM | |
REF # | 480 |
---|---|
PART NUMBER | |
QUANTITY | 1 |
DESTINATION | |
REMARKS |
O RING | |
REF # | 671 |
---|---|
PART NUMBER | |
QUANTITY | 1 |
DESTINATION | |
REMARKS |
SHAFT | |
REF # | 13107 |
---|---|
PART NUMBER | |
QUANTITY | 1 |
DESTINATION | |
REMARKS |
GEAR,OUTPUT DRIVEN,29T | |
REF # | 13262 |
---|---|
PART NUMBER | |
QUANTITY | 1 |
DESTINATION | |
REMARKS |
ROTOR,REVERSE SENSOR | |
REF # | 21007 |
---|---|
PART NUMBER | |
QUANTITY | 1 |
DESTINATION | |
REMARKS |
HOUSING-BEARING | |
REF # | 41046 |
---|---|
PART NUMBER | |
QUANTITY | 1 |
DESTINATION | |
REMARKS |
HOUSING-BEARING | |
REF # | 41046A |
---|---|
PART NUMBER | |
QUANTITY | 1 |
DESTINATION | |
REMARKS |
GEAR-BEVEL,DRIVE,11T | |
REF # | 49022 |
---|---|
PART NUMBER | |
QUANTITY | 1 |
DESTINATION | |
REMARKS |
GEAR-BEVEL,DRIVEN,21T | |
REF # | 49022A |
---|---|
PART NUMBER | |
QUANTITY | 1 |
DESTINATION | |
REMARKS |
SCREW,64MM | |
REF # | 92009 |
---|---|
PART NUMBER | |
QUANTITY | 1 |
DESTINATION | |
REMARKS |
BEARING-BALL | |
REF # | 92045 |
---|---|
PART NUMBER | |
QUANTITY | 1 |
DESTINATION | |
REMARKS |
BEARING-BALL,6306SH2 | |
REF # | 92045A |
---|---|
PART NUMBER | |
QUANTITY | 1 |
DESTINATION | |
REMARKS |
BEARING-BALL,62/28 | |
REF # | 92045B |
---|---|
PART NUMBER | |
QUANTITY | 1 |
DESTINATION | |
REMARKS |
SEAL-OIL | |
REF # | 92049 |
---|---|
PART NUMBER | |
QUANTITY | 1 |
DESTINATION | |
REMARKS |
BOLT-FLANGED-SMALL,8X30 | |
REF # | 92151 |
---|---|
PART NUMBER | |
QUANTITY | 8 |
DESTINATION | |
REMARKS |
SCREW,SET,75X10 | |
REF # | 92172 |
---|---|
PART NUMBER | |
QUANTITY | 1 |
DESTINATION | |
REMARKS |
SHIM,DRIVEN,T=0.15 | |
REF # | 92180 |
---|---|
PART NUMBER | |
QUANTITY | AR |
DESTINATION | |
REMARKS |
SHIM,DRIVEN,T=0.20 | |
REF # | 92180A |
---|---|
PART NUMBER | |
QUANTITY | AR |
DESTINATION | |
REMARKS |
SHIM,DRIVEN,T=0.50 | |
REF # | 92180B |
---|---|
PART NUMBER | |
QUANTITY | AR |
DESTINATION | |
REMARKS |
SHIM,DRIVEN,T=0.80 | |
REF # | 92180C |
---|---|
PART NUMBER | |
QUANTITY | AR |
DESTINATION | |
REMARKS |
SHIM,DRIVE,T=0.15 | |
REF # | 92180D |
---|---|
PART NUMBER | |
QUANTITY | AR |
DESTINATION | |
REMARKS |
SHIM,DRIVE,T=0.20 | |
REF # | 92180E |
---|---|
PART NUMBER | |
QUANTITY | AR |
DESTINATION | |
REMARKS |
SHIM,DRIVE,T=0.50 | |
REF # | 92180F |
---|---|
PART NUMBER | |
QUANTITY | AR |
DESTINATION | |
REMARKS |
SHIM,DRIVE,T=0.80 | |
REF # | 92180G |
---|---|
PART NUMBER | |
QUANTITY | AR |
DESTINATION | |
REMARKS |
SHIM,DRIVEN,T=1.00 | |
REF # | 92180H |
---|---|
PART NUMBER | |
QUANTITY | AR |
DESTINATION | |
REMARKS |
SHIM,DRIVEN,T=1.20 | |
REF # | 92180I |
---|---|
PART NUMBER | |
QUANTITY | AR |
DESTINATION | |
REMARKS |
SHIM,DRIVE,T=1.00 | |
REF # | 92180J |
---|---|
PART NUMBER | |
QUANTITY | AR |
DESTINATION | |
REMARKS |
SHIM,DRIVE,T=1.20 | |
REF # | 92180K |
---|---|
PART NUMBER | |
QUANTITY | AR |
DESTINATION | |
REMARKS |
NUT,30MM | |
REF # | 92210 |
---|---|
PART NUMBER | |
QUANTITY | 2 |
DESTINATION | |
REMARKS |