Skip to main content

Parts Diagrams

customer service agent speaking with a customer

Welcome, Kawasaki owners. Access the information and tools you need to get the most out of your vehicle.

Welcome, Kawasaki owners. Access the information and tools you need to get the most out of your vehicle.

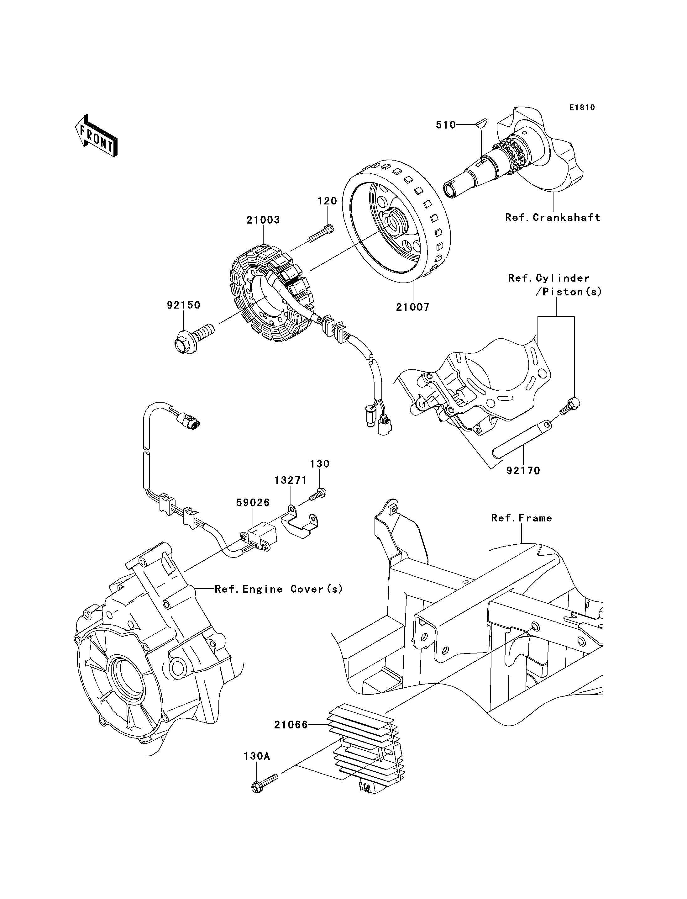
120
130
130A
510
13271
21003
21007
21066
59026
92150
92170
Part Item Information
ITEM NAME REF # PART NUMBER QUANTITY DESTINATION REMARKS
BOLT-SOCKET,6X30 120 120CB0630 3
BOLT-FLANGED,5X16 130 130BA0516 2
BOLT-FLANGED,6X30 130A 130BB0630 2
KEY-WOODRUFF 510 510A4200 1
PLATE 13271 13271-1369 1
STATOR 21003 21003-0125 1
ROTOR 21007 21007-0561 1
REGULATOR-VOLTAGE 21066 21066-0030 1
COIL-PULSING 59026 59026-1159 1
BOLT,12X40 92150 92150-1717 1
CLAMP 92170 92170-1925 1