main content of page
Parts Diagrams
OWNER CENTER |
Welcome, Kawasaki owners. Access the information and tools you need to get the most out of your vehicle.
OWNER CENTER |
Welcome, Kawasaki owners. Access the information and tools you need to get the most out of your vehicle.
Parts Diagrams |
130
550
550
670
670
670
670
11065
11065
11065
11065
13272
39007
39007A
39007B
39007C
39186
39186A
42036
42036A
46102
46102A
55020
59266
59266
59437
92015
92015
92015
92022
92022
92033
92033
92033A
92045
92092
92139
92139
92139A
92139A
92151
92153
92153
92153A
92161
92200
92200
92210
92210
92210A
92210A
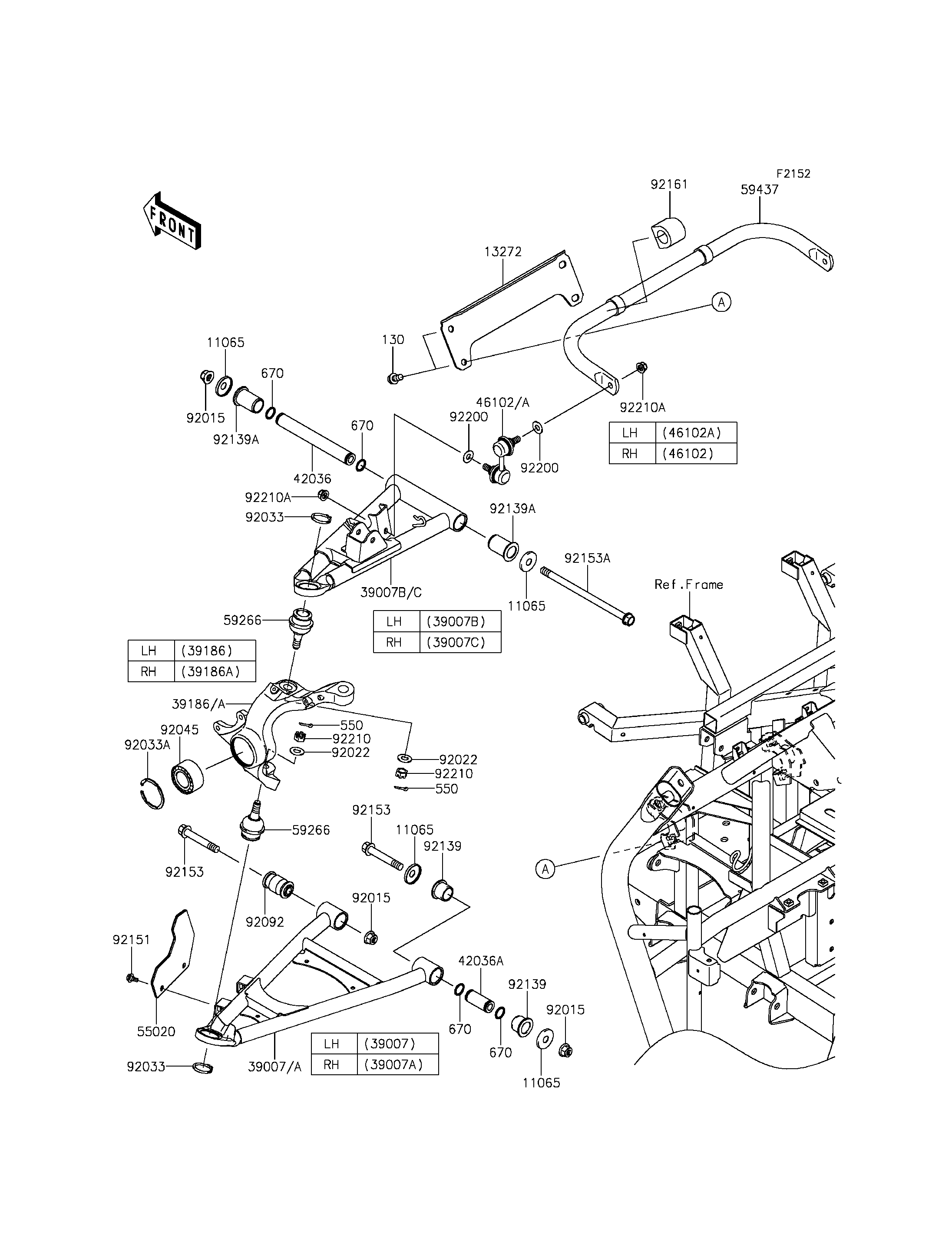
| ITEM NAME | REF # | PART NUMBER | QUANTITY | DESTINATION | REMARKS |
|---|---|---|---|---|---|
| BOLT-FLANGED,10X16 | 130 | 130CA1016 | 4 | ||
| PIN-COTTER,3.0X25 | 550 | 550AA3025 | 4 | ||
| O RING,18MM | 670 | 670B2018 | 8 | ||
| CAP | 11065 | 11065-0253 | 8 | ||
| PLATE | 13272 | 13272-1650 | 1 | ||
| ARM-SUSP,FR,LWR,LH,BLACK | 39007 | 39007-0364-10 | 1 | ||
| ARM-SUSP,FR,LWR,RH,BLACK | 39007A | 39007-0365-10 | 1 | ||
| ARM-SUSP,FR,UPP,LH,BLACK | 39007B | 39007-0367-10 | 1 | ||
| ARM-SUSP,FR,UPP,RH,BLACK | 39007C | 39007-0368-10 | 1 | ||
| KNUCKLE,FR,LH | 39186 | 39186-0311 | 1 | ||
| KNUCKLE,FR,RH | 39186A | 39186-0312 | 1 | ||
| SLEEVE | 42036 | 42036-0061 | 2 | ||
| SLEEVE | 42036A | 42036-0062 | 2 | ||
| ROD,STABILIZER,RH | 46102 | 46102-0100 | 1 | ||
| ROD,STABILIZER,LH | 46102A | 46102-0101 | 1 | ||
| GUARD,FRONT ARM | 55020 | 55020-0839 | 2 | ||
| JOINT-BALL | 59266 | 59266-0014 | 4 | ||
| STABILIZER,FR | 59437 | 59437-0010 | 1 | ||
| NUT,LOCK,FLANGED,12MM | 92015 | 92015-1433 | 6 | ||
| WASHER | 92022 | 92022-1831 | 4 | ||
| RING-SNAP,C-TYPE,32MM | 92033 | 92033-1262 | 4 | ||
| RING-SNAP,55MM | 92033A | 92033-1274 | 2 | ||
| BEARING-BALL,DAC3055W-3CS31 | 92045 | 92045-0123 | 2 | ||
| BUSHING-RUBBER | 92092 | 92092-0555 | 2 | ||
| BUSHING | 92139 | 92139-0231 | 4 | ||
| BUSHING,22.4X28.2X46 | 92139A | 92139-0806 | 4 | ||
| BOLT,FLANGED,6X13 | 92151 | 92151-1703 | 4 | ||
| BOLT,FLANGED,12X76.5 | 92153 | 92153-1733 | 4 | ||
| BOLT,FLANGED,12X213 | 92153A | 92153-1958 | 2 | ||
| DAMPER | 92161 | 92161-1508 | 2 | ||
| WASHER,10.3X23X1.6 | 92200 | 92200-2009 | 4 | ||
| NUT,CASTLE,12MM | 92210 | 92210-0395 | 4 | ||
| NUT,LOCK,FLANGED,10MM | 92210A | 92210-1080 | 4 |
| BOLT-FLANGED,10X16 | |
| REF # | 130 |
|---|---|
| PART NUMBER | |
| QUANTITY | 4 |
| DESTINATION | |
| REMARKS | |
| PIN-COTTER,3.0X25 | |
| REF # | 550 |
|---|---|
| PART NUMBER | |
| QUANTITY | 4 |
| DESTINATION | |
| REMARKS | |
| O RING,18MM | |
| REF # | 670 |
|---|---|
| PART NUMBER | |
| QUANTITY | 8 |
| DESTINATION | |
| REMARKS | |
| CAP | |
| REF # | 11065 |
|---|---|
| PART NUMBER | |
| QUANTITY | 8 |
| DESTINATION | |
| REMARKS | |
| PLATE | |
| REF # | 13272 |
|---|---|
| PART NUMBER | |
| QUANTITY | 1 |
| DESTINATION | |
| REMARKS | |
| ARM-SUSP,FR,LWR,LH,BLACK | |
| REF # | 39007 |
|---|---|
| PART NUMBER | |
| QUANTITY | 1 |
| DESTINATION | |
| REMARKS | |
| ARM-SUSP,FR,LWR,RH,BLACK | |
| REF # | 39007A |
|---|---|
| PART NUMBER | |
| QUANTITY | 1 |
| DESTINATION | |
| REMARKS | |
| ARM-SUSP,FR,UPP,LH,BLACK | |
| REF # | 39007B |
|---|---|
| PART NUMBER | |
| QUANTITY | 1 |
| DESTINATION | |
| REMARKS | |
| ARM-SUSP,FR,UPP,RH,BLACK | |
| REF # | 39007C |
|---|---|
| PART NUMBER | |
| QUANTITY | 1 |
| DESTINATION | |
| REMARKS | |
| KNUCKLE,FR,LH | |
| REF # | 39186 |
|---|---|
| PART NUMBER | |
| QUANTITY | 1 |
| DESTINATION | |
| REMARKS | |
| KNUCKLE,FR,RH | |
| REF # | 39186A |
|---|---|
| PART NUMBER | |
| QUANTITY | 1 |
| DESTINATION | |
| REMARKS | |
| SLEEVE | |
| REF # | 42036 |
|---|---|
| PART NUMBER | |
| QUANTITY | 2 |
| DESTINATION | |
| REMARKS | |
| SLEEVE | |
| REF # | 42036A |
|---|---|
| PART NUMBER | |
| QUANTITY | 2 |
| DESTINATION | |
| REMARKS | |
| ROD,STABILIZER,RH | |
| REF # | 46102 |
|---|---|
| PART NUMBER | |
| QUANTITY | 1 |
| DESTINATION | |
| REMARKS | |
| ROD,STABILIZER,LH | |
| REF # | 46102A |
|---|---|
| PART NUMBER | |
| QUANTITY | 1 |
| DESTINATION | |
| REMARKS | |
| GUARD,FRONT ARM | |
| REF # | 55020 |
|---|---|
| PART NUMBER | |
| QUANTITY | 2 |
| DESTINATION | |
| REMARKS | |
| JOINT-BALL | |
| REF # | 59266 |
|---|---|
| PART NUMBER | |
| QUANTITY | 4 |
| DESTINATION | |
| REMARKS | |
| STABILIZER,FR | |
| REF # | 59437 |
|---|---|
| PART NUMBER | |
| QUANTITY | 1 |
| DESTINATION | |
| REMARKS | |
| NUT,LOCK,FLANGED,12MM | |
| REF # | 92015 |
|---|---|
| PART NUMBER | |
| QUANTITY | 6 |
| DESTINATION | |
| REMARKS | |
| WASHER | |
| REF # | 92022 |
|---|---|
| PART NUMBER | |
| QUANTITY | 4 |
| DESTINATION | |
| REMARKS | |
| RING-SNAP,C-TYPE,32MM | |
| REF # | 92033 |
|---|---|
| PART NUMBER | |
| QUANTITY | 4 |
| DESTINATION | |
| REMARKS | |
| RING-SNAP,55MM | |
| REF # | 92033A |
|---|---|
| PART NUMBER | |
| QUANTITY | 2 |
| DESTINATION | |
| REMARKS | |
| BEARING-BALL,DAC3055W-3CS31 | |
| REF # | 92045 |
|---|---|
| PART NUMBER | |
| QUANTITY | 2 |
| DESTINATION | |
| REMARKS | |
| BUSHING-RUBBER | |
| REF # | 92092 |
|---|---|
| PART NUMBER | |
| QUANTITY | 2 |
| DESTINATION | |
| REMARKS | |
| BUSHING | |
| REF # | 92139 |
|---|---|
| PART NUMBER | |
| QUANTITY | 4 |
| DESTINATION | |
| REMARKS | |
| BUSHING,22.4X28.2X46 | |
| REF # | 92139A |
|---|---|
| PART NUMBER | |
| QUANTITY | 4 |
| DESTINATION | |
| REMARKS | |
| BOLT,FLANGED,6X13 | |
| REF # | 92151 |
|---|---|
| PART NUMBER | |
| QUANTITY | 4 |
| DESTINATION | |
| REMARKS | |
| BOLT,FLANGED,12X76.5 | |
| REF # | 92153 |
|---|---|
| PART NUMBER | |
| QUANTITY | 4 |
| DESTINATION | |
| REMARKS | |
| BOLT,FLANGED,12X213 | |
| REF # | 92153A |
|---|---|
| PART NUMBER | |
| QUANTITY | 2 |
| DESTINATION | |
| REMARKS | |
| DAMPER | |
| REF # | 92161 |
|---|---|
| PART NUMBER | |
| QUANTITY | 2 |
| DESTINATION | |
| REMARKS | |
| WASHER,10.3X23X1.6 | |
| REF # | 92200 |
|---|---|
| PART NUMBER | |
| QUANTITY | 4 |
| DESTINATION | |
| REMARKS | |
| NUT,CASTLE,12MM | |
| REF # | 92210 |
|---|---|
| PART NUMBER | |
| QUANTITY | 4 |
| DESTINATION | |
| REMARKS | |
| NUT,LOCK,FLANGED,10MM | |
| REF # | 92210A |
|---|---|
| PART NUMBER | |
| QUANTITY | 4 |
| DESTINATION | |
| REMARKS | |