main content of page
Parts Diagrams
OWNER CENTER |
Welcome, Kawasaki owners. Access the information and tools you need to get the most out of your vehicle.
OWNER CENTER |
Welcome, Kawasaki owners. Access the information and tools you need to get the most out of your vehicle.
Parts Diagrams |
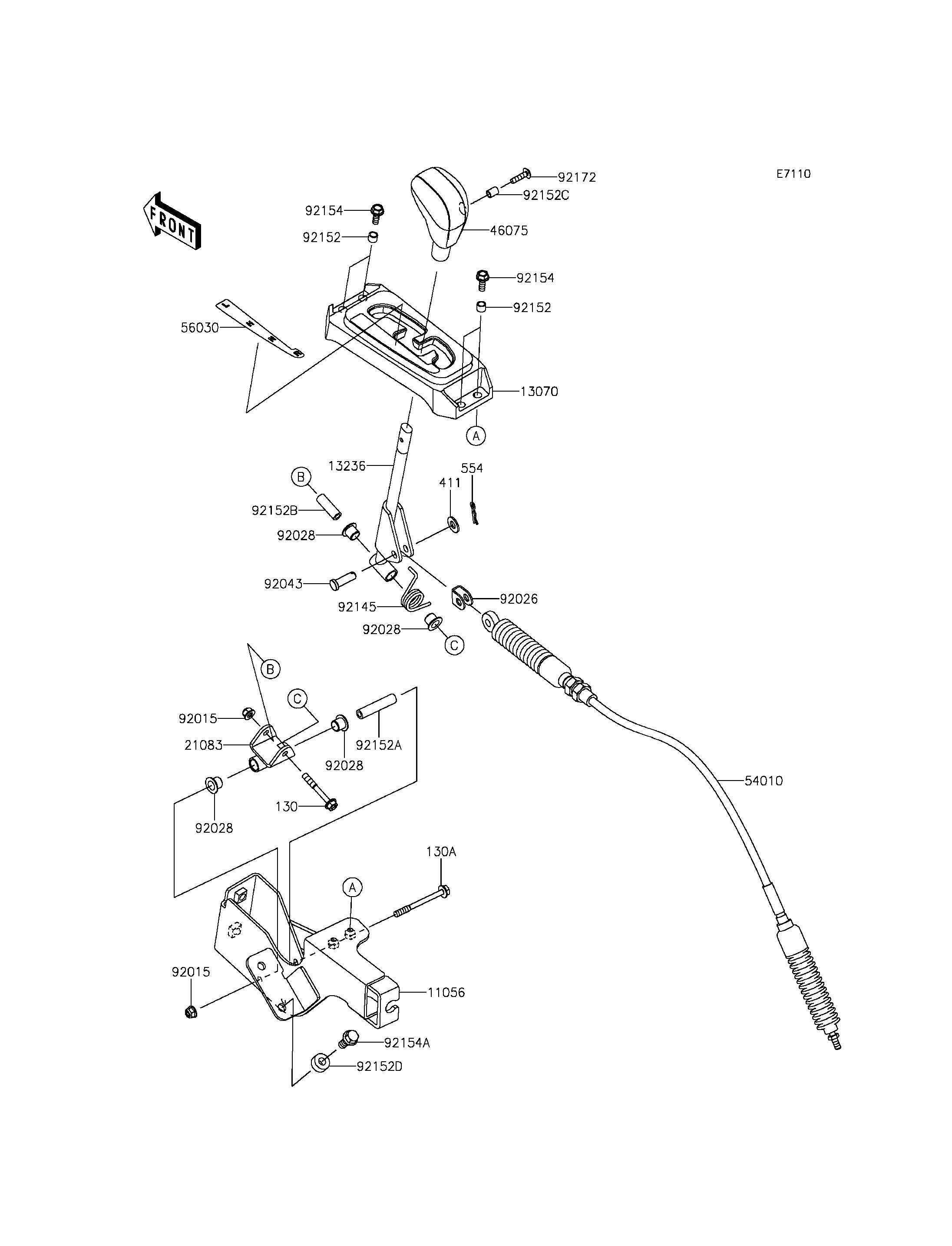
130
130A
411
554
11056
13070
13236
21083
46075
54010
56030
92015
92015
92026
92028
92028
92028
92028
92043
92145
92152
92152
92152A
92152B
92152C
92152D
92154
92154
92154A
92172
| ITEM NAME | REF # | PART NUMBER | QUANTITY | DESTINATION | REMARKS |
|---|---|---|---|---|---|
| BOLT-FLANGED,6X45 | 130 | 130CA0645 | 1 | ||
| BOLT-FLANGED,6X65 | 130A | 130CA0665 | 1 | ||
| WASHER-PLAIN | 411 | 411AA0800 | 1 | ||
| PIN-SNAP | 554 | 554DA0800 | 1 | ||
| BRACKET,SHIFT | 11056 | 11056-2244 | 1 | ||
| GUIDE,SHIFT GAUGE | 13070 | 13070-0748 | 1 | ||
| LEVER-COMP,SHIFT | 13236 | 13236-0727 | 1 | ||
| ARM | 21083 | 21083-0710 | 1 | ||
| GRIP | 46075 | 46075-0569 | 1 | ||
| CABLE,SHIFT | 54010 | 54010-0583 | 1 | ||
| LABEL,SHIFT POSITION | 56030 | 56030-0849 | 1 | ||
| NUT,LOCK,FLANGED,6MM | 92015 | 92015-1675 | 2 | ||
| SPACER | 92026 | 92026-0074 | 1 | ||
| BUSHING | 92028 | 92028-1507 | 4 | ||
| PIN | 92043 | 92043-0053 | 1 | ||
| SPRING | 92145 | 92145-0832 | 1 | ||
| COLLAR | 92152 | 92152-1332 | 4 | ||
| COLLAR,6.0X10X47 | 92152A | 92152-1517 | 1 | ||
| COLLAR,6.0X10X30 | 92152B | 92152-1518 | 1 | ||
| COLLAR,5.6X8X10.5 | 92152C | 92152-1545 | 1 | ||
| COLLAR,8.2X18X8 | 92152D | 92152-1553 | 2 | ||
| BOLT,FLANGED,6X16 | 92154 | 92154-0887 | 4 | ||
| BOLT,FLANGED,8X20 | 92154A | 92154-1104 | 2 | ||
| SCREW,5X20 | 92172 | 92172-2081 | 1 |
| BOLT-FLANGED,6X45 | |
| REF # | 130 |
|---|---|
| PART NUMBER | |
| QUANTITY | 1 |
| DESTINATION | |
| REMARKS | |
| BOLT-FLANGED,6X65 | |
| REF # | 130A |
|---|---|
| PART NUMBER | |
| QUANTITY | 1 |
| DESTINATION | |
| REMARKS | |
| WASHER-PLAIN | |
| REF # | 411 |
|---|---|
| PART NUMBER | |
| QUANTITY | 1 |
| DESTINATION | |
| REMARKS | |
| PIN-SNAP | |
| REF # | 554 |
|---|---|
| PART NUMBER | |
| QUANTITY | 1 |
| DESTINATION | |
| REMARKS | |
| BRACKET,SHIFT | |
| REF # | 11056 |
|---|---|
| PART NUMBER | |
| QUANTITY | 1 |
| DESTINATION | |
| REMARKS | |
| GUIDE,SHIFT GAUGE | |
| REF # | 13070 |
|---|---|
| PART NUMBER | |
| QUANTITY | 1 |
| DESTINATION | |
| REMARKS | |
| LEVER-COMP,SHIFT | |
| REF # | 13236 |
|---|---|
| PART NUMBER | |
| QUANTITY | 1 |
| DESTINATION | |
| REMARKS | |
| ARM | |
| REF # | 21083 |
|---|---|
| PART NUMBER | |
| QUANTITY | 1 |
| DESTINATION | |
| REMARKS | |
| GRIP | |
| REF # | 46075 |
|---|---|
| PART NUMBER | |
| QUANTITY | 1 |
| DESTINATION | |
| REMARKS | |
| CABLE,SHIFT | |
| REF # | 54010 |
|---|---|
| PART NUMBER | |
| QUANTITY | 1 |
| DESTINATION | |
| REMARKS | |
| LABEL,SHIFT POSITION | |
| REF # | 56030 |
|---|---|
| PART NUMBER | |
| QUANTITY | 1 |
| DESTINATION | |
| REMARKS | |
| NUT,LOCK,FLANGED,6MM | |
| REF # | 92015 |
|---|---|
| PART NUMBER | |
| QUANTITY | 2 |
| DESTINATION | |
| REMARKS | |
| SPACER | |
| REF # | 92026 |
|---|---|
| PART NUMBER | |
| QUANTITY | 1 |
| DESTINATION | |
| REMARKS | |
| BUSHING | |
| REF # | 92028 |
|---|---|
| PART NUMBER | |
| QUANTITY | 4 |
| DESTINATION | |
| REMARKS | |
| PIN | |
| REF # | 92043 |
|---|---|
| PART NUMBER | |
| QUANTITY | 1 |
| DESTINATION | |
| REMARKS | |
| SPRING | |
| REF # | 92145 |
|---|---|
| PART NUMBER | |
| QUANTITY | 1 |
| DESTINATION | |
| REMARKS | |
| COLLAR | |
| REF # | 92152 |
|---|---|
| PART NUMBER | |
| QUANTITY | 4 |
| DESTINATION | |
| REMARKS | |
| COLLAR,6.0X10X47 | |
| REF # | 92152A |
|---|---|
| PART NUMBER | |
| QUANTITY | 1 |
| DESTINATION | |
| REMARKS | |
| COLLAR,6.0X10X30 | |
| REF # | 92152B |
|---|---|
| PART NUMBER | |
| QUANTITY | 1 |
| DESTINATION | |
| REMARKS | |
| COLLAR,5.6X8X10.5 | |
| REF # | 92152C |
|---|---|
| PART NUMBER | |
| QUANTITY | 1 |
| DESTINATION | |
| REMARKS | |
| COLLAR,8.2X18X8 | |
| REF # | 92152D |
|---|---|
| PART NUMBER | |
| QUANTITY | 2 |
| DESTINATION | |
| REMARKS | |
| BOLT,FLANGED,6X16 | |
| REF # | 92154 |
|---|---|
| PART NUMBER | |
| QUANTITY | 4 |
| DESTINATION | |
| REMARKS | |
| BOLT,FLANGED,8X20 | |
| REF # | 92154A |
|---|---|
| PART NUMBER | |
| QUANTITY | 2 |
| DESTINATION | |
| REMARKS | |
| SCREW,5X20 | |
| REF # | 92172 |
|---|---|
| PART NUMBER | |
| QUANTITY | 1 |
| DESTINATION | |
| REMARKS | |