main content of page
Parts Diagrams
OWNER CENTER |

Welcome, Kawasaki owners. Access the information and tools you need to get the most out of your vehicle.
OWNER CENTER |
Welcome, Kawasaki owners. Access the information and tools you need to get the most out of your vehicle.
Parts Diagrams |
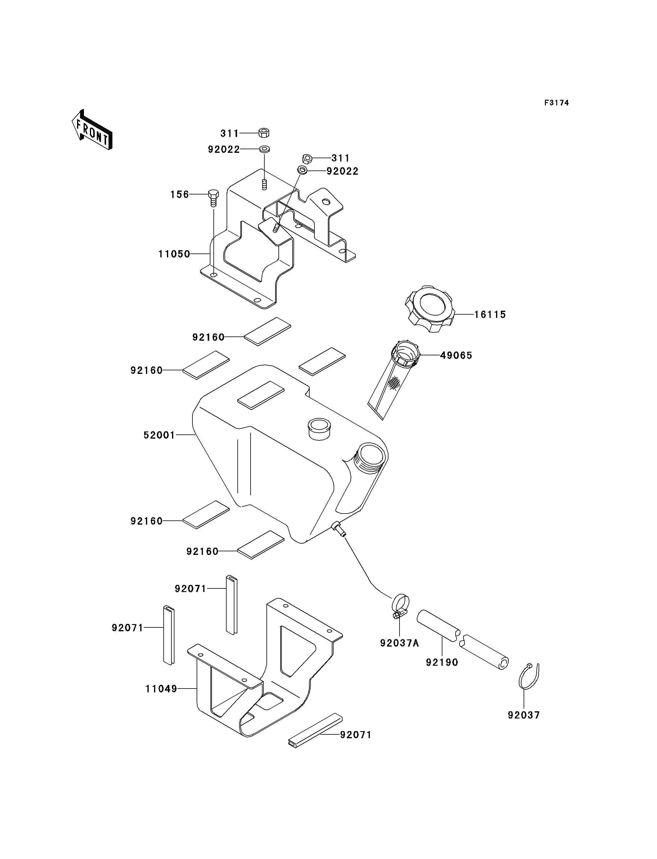
156
311
311
11049
11050
16115
49065
52001
92022
92022
92037
92037A
92071
92071
92071
92160
92160
92160
92160
92190
ITEM NAME | REF # | PART NUMBER | QUANTITY | DESTINATION | REMARKS |
---|---|---|---|---|---|
BOLT-WP,6X14 | 156 | 156R0614 | 4 | ||
NUT-HEX,6MM | 311 | 311R0600 | 2 | ||
BRACKET | 11049 | 11049-3760 | 1 | ||
BRACKET | 11050 | 11050-3725 | 1 | ||
CAP-OIL FILLER | 16115 | 16115-3714 | 1 | ||
FILTER-OIL | 49065 | 49065-3702 | 1 | ||
TANK-OIL | 52001 | 52001-3730 | 1 | ||
WASHER,6.5X20X1.5 | 92022 | 92022-3710 | 2 | ||
CLAMP | 92037 | 92037-1173 | 1 | ||
CLAMP | 92037A | 92037-3726 | 1 | ||
GROMMET | 92071 | 92071-1198 | 3 | ||
DAMPER,WATER MUFFER | 92160 | 92160-3880 | 8 | ||
TUBE,5.8X10.8X370 | 92190 | 92190-3864 | 1 |
BOLT-WP,6X14 | |
REF # | 156 |
---|---|
PART NUMBER | |
QUANTITY | 4 |
DESTINATION | |
REMARKS |
NUT-HEX,6MM | |
REF # | 311 |
---|---|
PART NUMBER | |
QUANTITY | 2 |
DESTINATION | |
REMARKS |
BRACKET | |
REF # | 11049 |
---|---|
PART NUMBER | |
QUANTITY | 1 |
DESTINATION | |
REMARKS |
BRACKET | |
REF # | 11050 |
---|---|
PART NUMBER | |
QUANTITY | 1 |
DESTINATION | |
REMARKS |
CAP-OIL FILLER | |
REF # | 16115 |
---|---|
PART NUMBER | |
QUANTITY | 1 |
DESTINATION | |
REMARKS |
FILTER-OIL | |
REF # | 49065 |
---|---|
PART NUMBER | |
QUANTITY | 1 |
DESTINATION | |
REMARKS |
TANK-OIL | |
REF # | 52001 |
---|---|
PART NUMBER | |
QUANTITY | 1 |
DESTINATION | |
REMARKS |
WASHER,6.5X20X1.5 | |
REF # | 92022 |
---|---|
PART NUMBER | |
QUANTITY | 2 |
DESTINATION | |
REMARKS |
CLAMP | |
REF # | 92037 |
---|---|
PART NUMBER | |
QUANTITY | 1 |
DESTINATION | |
REMARKS |
CLAMP | |
REF # | 92037A |
---|---|
PART NUMBER | |
QUANTITY | 1 |
DESTINATION | |
REMARKS |
GROMMET | |
REF # | 92071 |
---|---|
PART NUMBER | |
QUANTITY | 3 |
DESTINATION | |
REMARKS |
DAMPER,WATER MUFFER | |
REF # | 92160 |
---|---|
PART NUMBER | |
QUANTITY | 8 |
DESTINATION | |
REMARKS |
TUBE,5.8X10.8X370 | |
REF # | 92190 |
---|---|
PART NUMBER | |
QUANTITY | 1 |
DESTINATION | |
REMARKS |