Skip to main content

Parts Diagrams

customer service agent speaking with a customer

Welcome, Kawasaki owners. Access the information and tools you need to get the most out of your vehicle.

Welcome, Kawasaki owners. Access the information and tools you need to get the most out of your vehicle.

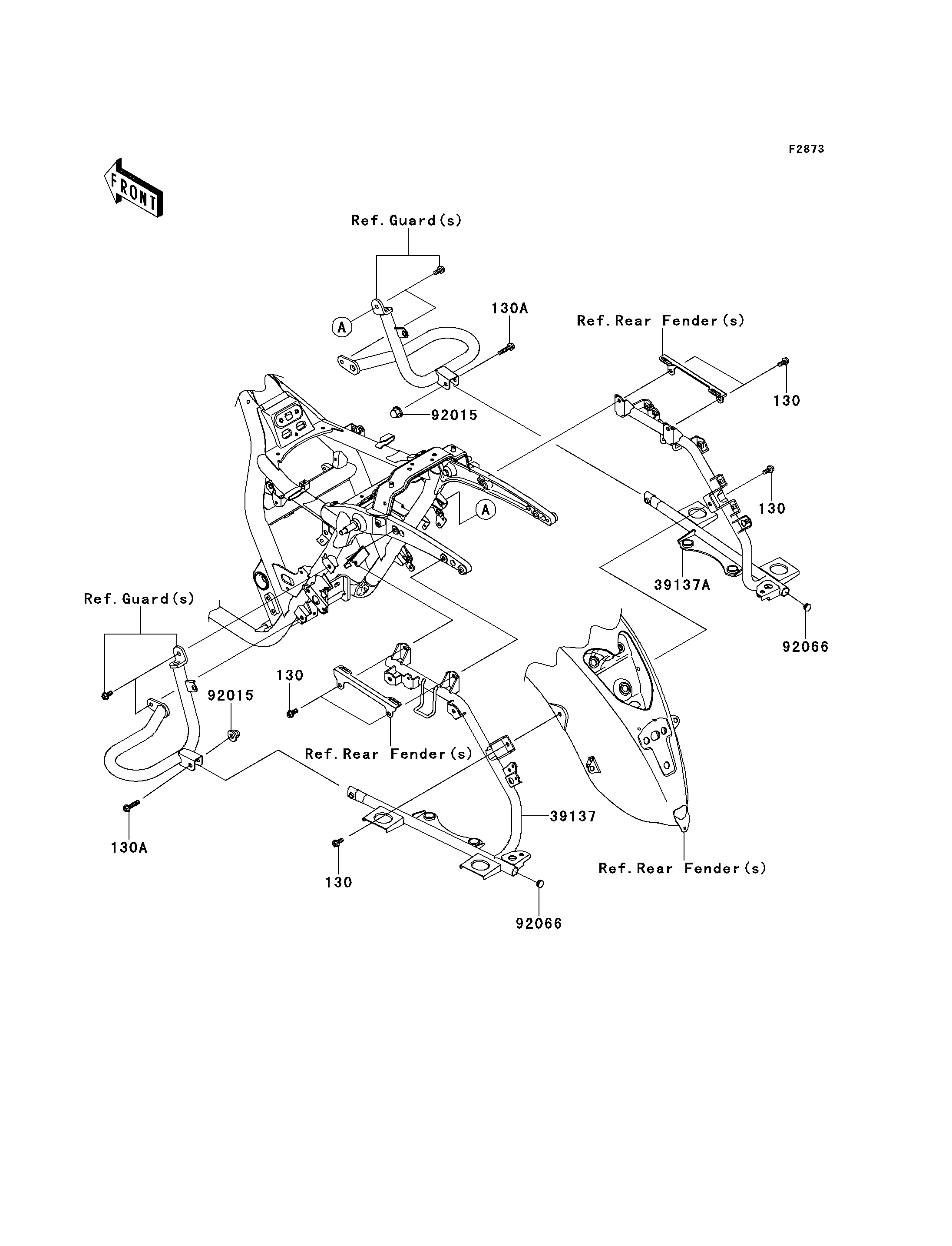
2013 VULCAN® 1700 VAQUERO® - Saddlebags(Side Bag Bracket)

130
130
130
130
130A
130A
39137
39137A
92015
92015
92066
92066
Part Item Information
ITEM NAME REF # PART NUMBER QUANTITY DESTINATION REMARKS
BOLT-FLANGED,8X18 130 130BB0818 6
BOLT-FLANGED,8X35 130A 130BB0835 2
STAY-COMP,PANNIER,LH 39137 39137-0558 1
STAY-COMP,PANNIER,RH 39137A 39137-0559 1
NUT,CAP,8MM,BLACK 92015 92015-1174 2
PLUG 92066 92066-1306 2