main content of page
Parts Diagrams
OWNER CENTER |

Welcome, Kawasaki owners. Access the information and tools you need to get the most out of your vehicle.
OWNER CENTER |
Welcome, Kawasaki owners. Access the information and tools you need to get the most out of your vehicle.
Parts Diagrams |
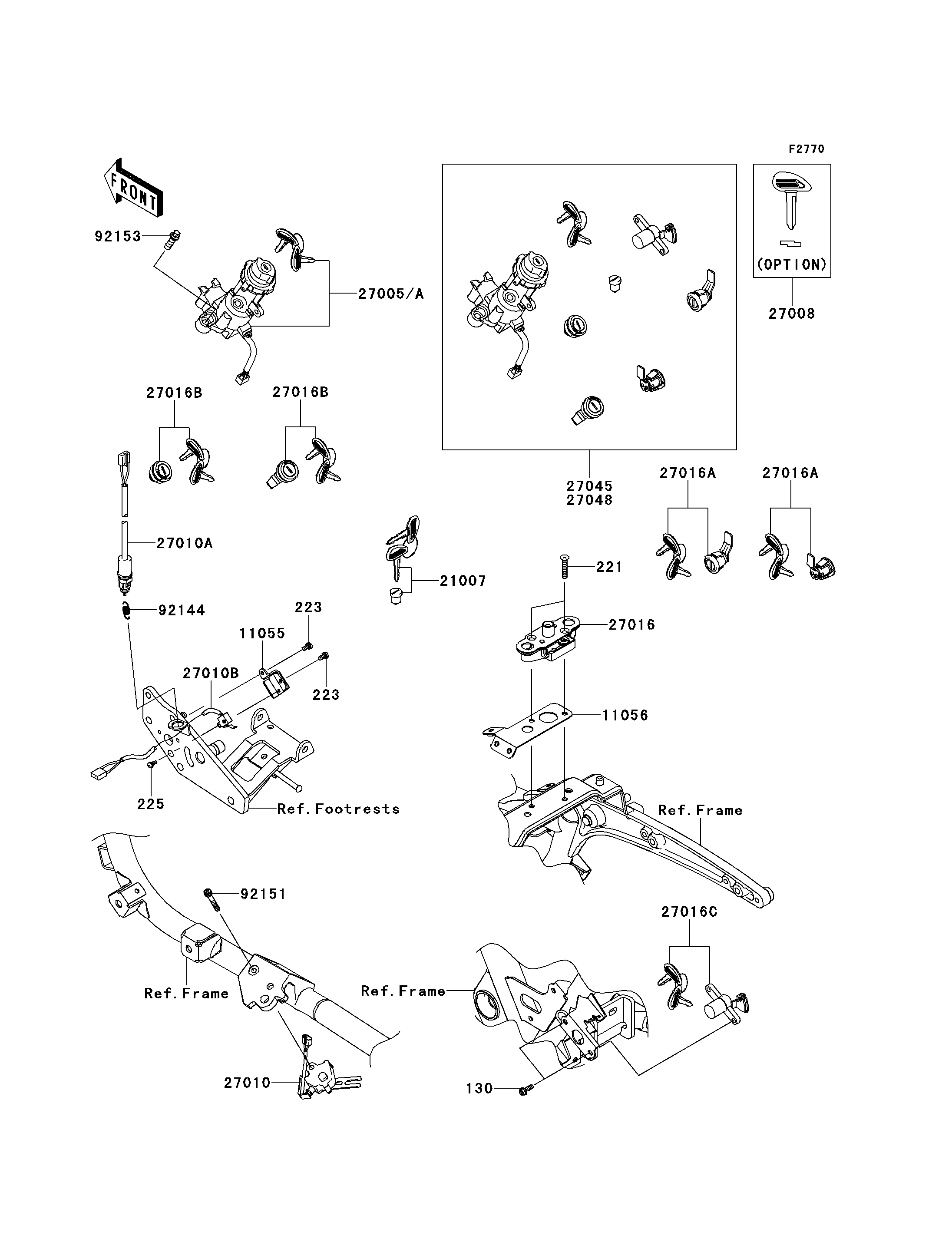
2013 VULCAN® 1700 VAQUERO® - Ignition Switch/Locks/Reflectors
130
221
223
223
225
11055
11056
21007
27005
27008
27010
27010A
27010B
27016
27016A
27016A
27016B
27016B
27016C
27045
92144
92151
92153
ITEM NAME | REF # | PART NUMBER | QUANTITY | DESTINATION | REMARKS |
---|---|---|---|---|---|
BOLT-FLANGED,6X10 | 130 | 130BA0610 | 2 | ||
SCREW-CSK-CROS,6X30 | 221 | 221AA0630 | 2 | ||
SCREW-PAN-WS-CROS,5X10 | 223 | 223AB0510 | 2 | ||
SCREW-PAN-WSP-CROS,4X12 | 225 | 225AB0412 | 1 | ||
BRACKET,CRUISE CONTROL SWITCH | 11055 | 11055-0609 | 1 | ||
BRACKET | 11056 | 11056-0959 | 1 | ||
ROTOR,LOCK,TANK CAP | 21007 | 21007-5053 | 1 | ||
SWITCH-ASSY-IGNITION | 27005 | 27005-0052 | 1 | ||
KEY-LOCK,BLANK | 27008 | 27008-1211 | 1 | (OPTION) | |
SWITCH,SIDE STAND | 27010 | 27010-0088 | 1 | ||
SWITCH,REAR BRAKE | 27010A | 27010-0089 | 1 | ||
SWITCH,CRUISE CONTROL | 27010B | 27010-0090 | 1 | ||
LOCK-ASSY,SEAT STRIKER | 27016 | 27016-1098 | 1 | ||
LOCK-ASSY,SIDE BAG | 27016A | 27016-5325 | 2 | ||
LOCK-ASSY,LID | 27016B | 27016-5358 | 2 | ||
LOCK-ASSY,SEAT | 27016C | 27016-5360 | 1 | ||
SWITCH-ASSY | 27045 | 27045-5438 | 1 | ||
SPRING,REAR BRAKE SWITCH | 92144 | 92144-1141 | 1 | ||
BOLT,SOCKET,6X35 | 92151 | 92151-1390 | 1 | ||
BOLT,TORX,8X22 | 92153 | 92153-1273 | 2 |
BOLT-FLANGED,6X10 | |
REF # | 130 |
---|---|
PART NUMBER | |
QUANTITY | 2 |
DESTINATION | |
REMARKS |
SCREW-CSK-CROS,6X30 | |
REF # | 221 |
---|---|
PART NUMBER | |
QUANTITY | 2 |
DESTINATION | |
REMARKS |
SCREW-PAN-WS-CROS,5X10 | |
REF # | 223 |
---|---|
PART NUMBER | |
QUANTITY | 2 |
DESTINATION | |
REMARKS |
SCREW-PAN-WSP-CROS,4X12 | |
REF # | 225 |
---|---|
PART NUMBER | |
QUANTITY | 1 |
DESTINATION | |
REMARKS |
BRACKET,CRUISE CONTROL SWITCH | |
REF # | 11055 |
---|---|
PART NUMBER | |
QUANTITY | 1 |
DESTINATION | |
REMARKS |
BRACKET | |
REF # | 11056 |
---|---|
PART NUMBER | |
QUANTITY | 1 |
DESTINATION | |
REMARKS |
ROTOR,LOCK,TANK CAP | |
REF # | 21007 |
---|---|
PART NUMBER | |
QUANTITY | 1 |
DESTINATION | |
REMARKS |
SWITCH-ASSY-IGNITION | |
REF # | 27005 |
---|---|
PART NUMBER | |
QUANTITY | 1 |
DESTINATION | |
REMARKS |
KEY-LOCK,BLANK | |
REF # | 27008 |
---|---|
PART NUMBER | |
QUANTITY | 1 |
DESTINATION | |
REMARKS | (OPTION) |
SWITCH,SIDE STAND | |
REF # | 27010 |
---|---|
PART NUMBER | |
QUANTITY | 1 |
DESTINATION | |
REMARKS |
SWITCH,REAR BRAKE | |
REF # | 27010A |
---|---|
PART NUMBER | |
QUANTITY | 1 |
DESTINATION | |
REMARKS |
SWITCH,CRUISE CONTROL | |
REF # | 27010B |
---|---|
PART NUMBER | |
QUANTITY | 1 |
DESTINATION | |
REMARKS |
LOCK-ASSY,SEAT STRIKER | |
REF # | 27016 |
---|---|
PART NUMBER | |
QUANTITY | 1 |
DESTINATION | |
REMARKS |
LOCK-ASSY,SIDE BAG | |
REF # | 27016A |
---|---|
PART NUMBER | |
QUANTITY | 2 |
DESTINATION | |
REMARKS |
LOCK-ASSY,LID | |
REF # | 27016B |
---|---|
PART NUMBER | |
QUANTITY | 2 |
DESTINATION | |
REMARKS |
LOCK-ASSY,SEAT | |
REF # | 27016C |
---|---|
PART NUMBER | |
QUANTITY | 1 |
DESTINATION | |
REMARKS |
SWITCH-ASSY | |
REF # | 27045 |
---|---|
PART NUMBER | |
QUANTITY | 1 |
DESTINATION | |
REMARKS |
SPRING,REAR BRAKE SWITCH | |
REF # | 92144 |
---|---|
PART NUMBER | |
QUANTITY | 1 |
DESTINATION | |
REMARKS |
BOLT,SOCKET,6X35 | |
REF # | 92151 |
---|---|
PART NUMBER | |
QUANTITY | 1 |
DESTINATION | |
REMARKS |
BOLT,TORX,8X22 | |
REF # | 92153 |
---|---|
PART NUMBER | |
QUANTITY | 2 |
DESTINATION | |
REMARKS |