Skip to main content

Parts Diagrams

customer service agent speaking with a customer

Welcome, Kawasaki owners. Access the information and tools you need to get the most out of your vehicle.

Welcome, Kawasaki owners. Access the information and tools you need to get the most out of your vehicle.

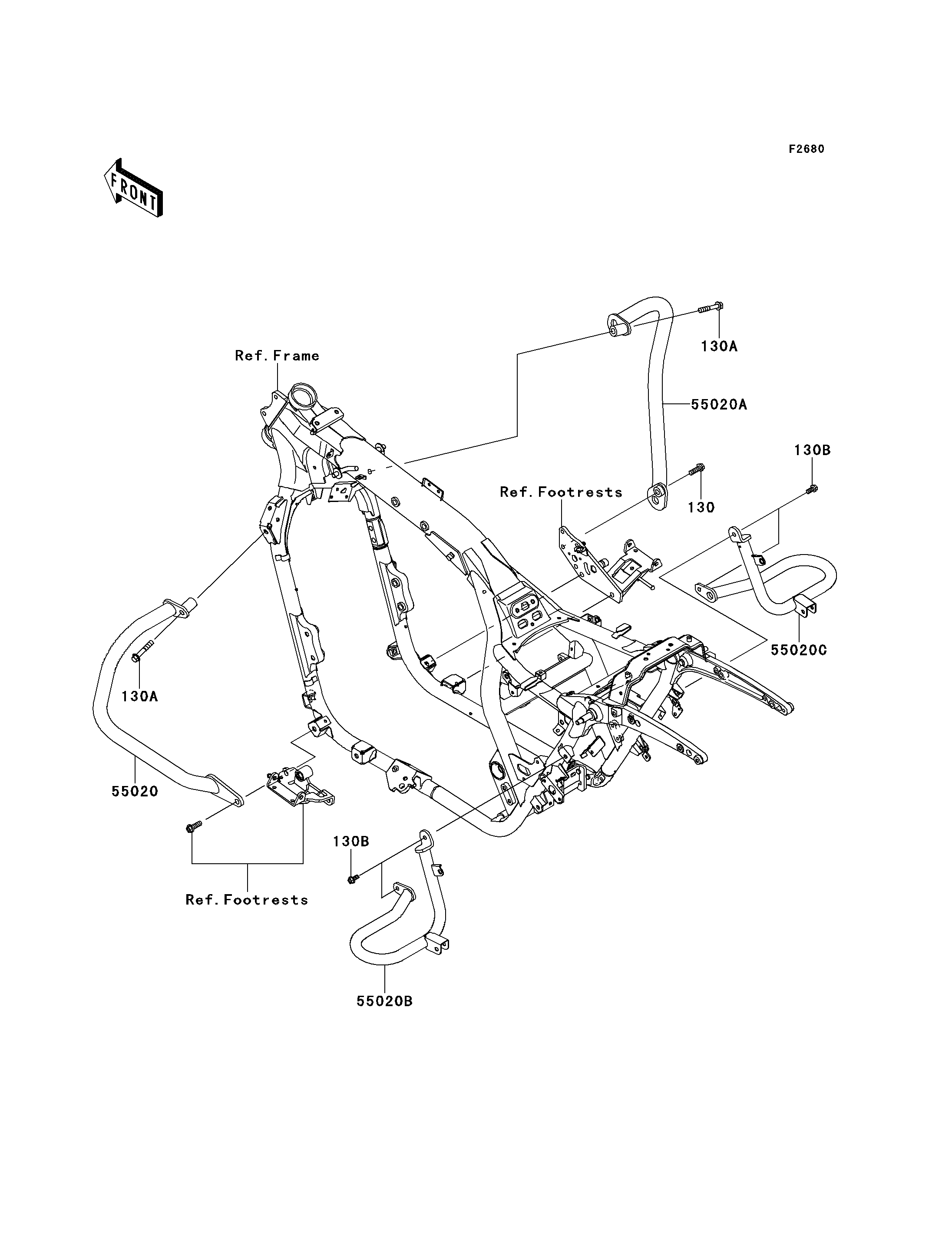
130
130A
130A
130B
130B
55020
55020A
55020B
55020C
Part Item Information
ITEM NAME REF # PART NUMBER QUANTITY DESTINATION REMARKS
BOLT-FLANGED,10X30 130 130BA1030 1
BOLT-FLANGED,10X55 130A 130BA1055 2
BOLT-FLANGED,8X18 130B 130BB0818 4
GUARD,FR,LH 55020 55020-0786 1
GUARD,FR,RH 55020A 55020-0787 1
GUARD,RR,LH 55020B 55020-0788 1
GUARD,RR,RH 55020C 55020-0789 1