main content of page
Parts Diagrams
OWNER CENTER |

Welcome, Kawasaki owners. Access the information and tools you need to get the most out of your vehicle.
OWNER CENTER |
Welcome, Kawasaki owners. Access the information and tools you need to get the most out of your vehicle.
Parts Diagrams |
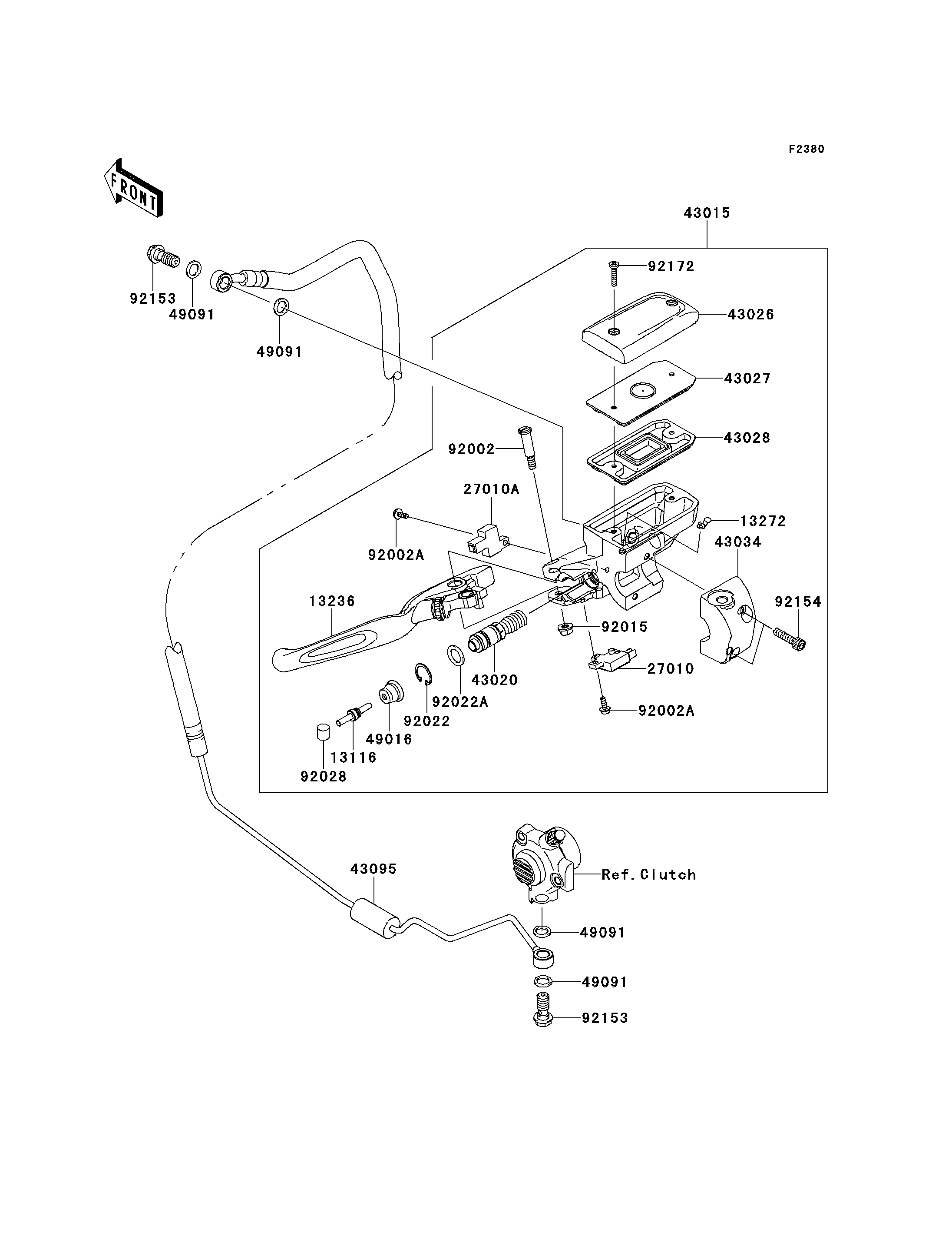
2013 VULCAN® 1700 VAQUERO® - Clutch Master Cylinder
13116
13236
13272
27010
27010A
43015
43020
43026
43027
43028
43034
43095
49016
49091
49091
49091
49091
92002
92002A
92002A
92015
92022
92022A
92028
92153
92153
92154
92172
ITEM NAME | REF # | PART NUMBER | QUANTITY | DESTINATION | REMARKS |
---|---|---|---|---|---|
ROD-PUSH | 13116 | 13116-0031 | 1 | ||
LEVER-COMP,CLUTCH | 13236 | 13236-0167 | 1 | ||
PLATE | 13272 | 13272-0573 | 1 | ||
SWITCH,CRUISE | 27010 | 27010-0102 | 1 | ||
SWITCH,CLUTCH | 27010A | 27010-0103 | 1 | ||
CYLINDER-ASSY-MASTER | 43015 | 43015-0164 | 1 | ||
PISTON-COMP-BRAKE,CLUTCH | 43020 | 43020-1055 | 1 | ||
CAP-BRAKE | 43026 | 43026-0021 | 1 | ||
PLATE-DIAPHRAGM | 43027 | 43027-0004 | 1 | ||
DIAPHRAGM | 43028 | 43028-0010 | 1 | ||
HOLDER-BRAKE | 43034 | 43034-0040 | 1 | ||
HOSE-BRAKE,CLUTCH | 43095 | 43095-0479 | 1 | ||
COVER-SEAL | 49016 | 49016-0056 | 1 | ||
WASHER-SEAL,10.1X14.5X1.5 | 49091 | 49091-0001 | 4 | ||
BOLT,LEVER SET,BLACK | 92002 | 92002-1322 | 1 | ||
BOLT,SCREW,4X12 | 92002A | 92002-1323 | 2 | ||
NUT,FLANGED,6MM | 92015 | 92015-1528 | 1 | ||
CIRCLIP | 92022 | 92022-1605 | 1 | ||
WASHER,PISTON | 92022A | 92022-1606 | 1 | ||
BUSHING,MASTER CYLINDER | 92028 | 92028-1310 | 1 | ||
BOLT,OIL,L=23 | 92153 | 92153-0627 | 2 | ||
BOLT,SOCKET | 92154 | 92154-0167 | 2 | ||
SCREW | 92172 | 92172-0492 | 2 |
ROD-PUSH | |
REF # | 13116 |
---|---|
PART NUMBER | |
QUANTITY | 1 |
DESTINATION | |
REMARKS |
LEVER-COMP,CLUTCH | |
REF # | 13236 |
---|---|
PART NUMBER | |
QUANTITY | 1 |
DESTINATION | |
REMARKS |
PLATE | |
REF # | 13272 |
---|---|
PART NUMBER | |
QUANTITY | 1 |
DESTINATION | |
REMARKS |
SWITCH,CRUISE | |
REF # | 27010 |
---|---|
PART NUMBER | |
QUANTITY | 1 |
DESTINATION | |
REMARKS |
SWITCH,CLUTCH | |
REF # | 27010A |
---|---|
PART NUMBER | |
QUANTITY | 1 |
DESTINATION | |
REMARKS |
CYLINDER-ASSY-MASTER | |
REF # | 43015 |
---|---|
PART NUMBER | |
QUANTITY | 1 |
DESTINATION | |
REMARKS |
PISTON-COMP-BRAKE,CLUTCH | |
REF # | 43020 |
---|---|
PART NUMBER | |
QUANTITY | 1 |
DESTINATION | |
REMARKS |
CAP-BRAKE | |
REF # | 43026 |
---|---|
PART NUMBER | |
QUANTITY | 1 |
DESTINATION | |
REMARKS |
PLATE-DIAPHRAGM | |
REF # | 43027 |
---|---|
PART NUMBER | |
QUANTITY | 1 |
DESTINATION | |
REMARKS |
DIAPHRAGM | |
REF # | 43028 |
---|---|
PART NUMBER | |
QUANTITY | 1 |
DESTINATION | |
REMARKS |
HOLDER-BRAKE | |
REF # | 43034 |
---|---|
PART NUMBER | |
QUANTITY | 1 |
DESTINATION | |
REMARKS |
HOSE-BRAKE,CLUTCH | |
REF # | 43095 |
---|---|
PART NUMBER | |
QUANTITY | 1 |
DESTINATION | |
REMARKS |
COVER-SEAL | |
REF # | 49016 |
---|---|
PART NUMBER | |
QUANTITY | 1 |
DESTINATION | |
REMARKS |
WASHER-SEAL,10.1X14.5X1.5 | |
REF # | 49091 |
---|---|
PART NUMBER | |
QUANTITY | 4 |
DESTINATION | |
REMARKS |
BOLT,LEVER SET,BLACK | |
REF # | 92002 |
---|---|
PART NUMBER | |
QUANTITY | 1 |
DESTINATION | |
REMARKS |
BOLT,SCREW,4X12 | |
REF # | 92002A |
---|---|
PART NUMBER | |
QUANTITY | 2 |
DESTINATION | |
REMARKS |
NUT,FLANGED,6MM | |
REF # | 92015 |
---|---|
PART NUMBER | |
QUANTITY | 1 |
DESTINATION | |
REMARKS |
CIRCLIP | |
REF # | 92022 |
---|---|
PART NUMBER | |
QUANTITY | 1 |
DESTINATION | |
REMARKS |
WASHER,PISTON | |
REF # | 92022A |
---|---|
PART NUMBER | |
QUANTITY | 1 |
DESTINATION | |
REMARKS |
BUSHING,MASTER CYLINDER | |
REF # | 92028 |
---|---|
PART NUMBER | |
QUANTITY | 1 |
DESTINATION | |
REMARKS |
BOLT,OIL,L=23 | |
REF # | 92153 |
---|---|
PART NUMBER | |
QUANTITY | 2 |
DESTINATION | |
REMARKS |
BOLT,SOCKET | |
REF # | 92154 |
---|---|
PART NUMBER | |
QUANTITY | 2 |
DESTINATION | |
REMARKS |
SCREW | |
REF # | 92172 |
---|---|
PART NUMBER | |
QUANTITY | 2 |
DESTINATION | |
REMARKS |