main content of page
Parts Diagrams
OWNER CENTER |

Welcome, Kawasaki owners. Access the information and tools you need to get the most out of your vehicle.
OWNER CENTER |
Welcome, Kawasaki owners. Access the information and tools you need to get the most out of your vehicle.
Parts Diagrams |
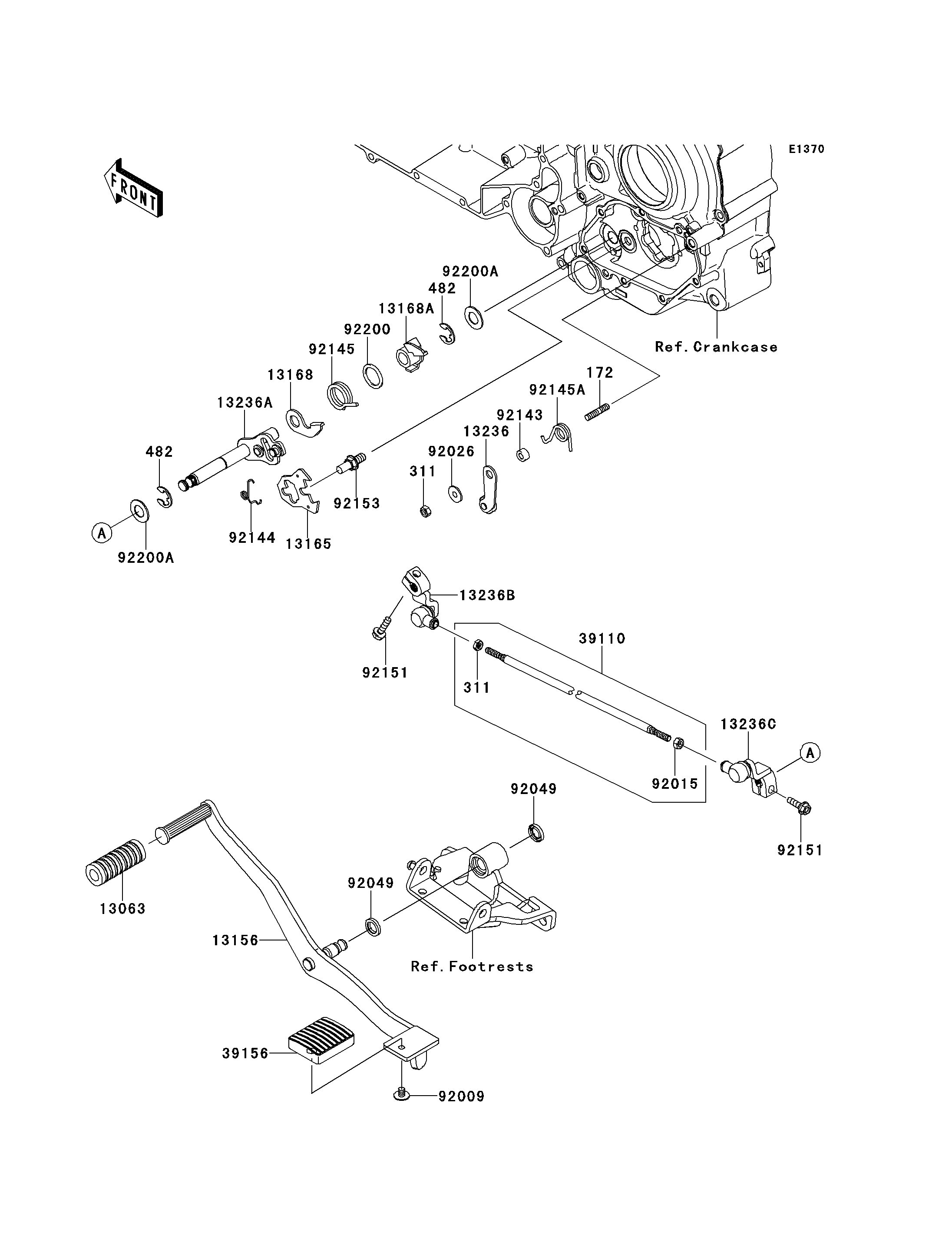
2013 VULCAN® 1700 VAQUERO® - Gear Change Mechanism
172
311
311
482
482
13063
13156
13165
13168
13168A
13236
13236A
13236B
13236C
39110
39156
92009
92015
92026
92049
92049
92143
92144
92145
92145A
92151
92151
92153
92200
92200A
92200A
ITEM NAME | REF # | PART NUMBER | QUANTITY | DESTINATION | REMARKS |
---|---|---|---|---|---|
BOLT-STUD,6X18 | 172 | 172BA0618 | 1 | ||
NUT-HEX | 311 | 311BA0600 | 2 | ||
CIRCLIP-TYPE-E,12MM | 482 | 482J0200 | 2 | ||
DAMPER,PEDAL | 13063 | 13063-002 | 1 | ||
LEVER-CHANGE | 13156 | 13156-0555 | 1 | ||
PAWL | 13165 | 13165-0001 | 1 | ||
LEVER | 13168 | 13168-0009 | 1 | ||
LEVER | 13168A | 13168-0010 | 1 | ||
LEVER-COMP,POSITION | 13236 | 13236-0059 | 1 | ||
LEVER-COMP,CHANGE | 13236A | 13236-0153 | 1 | ||
LEVER-COMP,FR LINKAGE | 13236B | 13236-0154 | 1 | ||
LEVER-COMP,RR LINKAGE | 13236C | 13236-0155 | 1 | ||
ROD-ASSY-TIE | 39110 | 39110-0034 | 1 | ||
PAD | 39156 | 39156-1641 | 1 | ||
SCREW,6X8 | 92009 | 92009-1677 | 1 | ||
NUT,LEFT HANDED,6MM | 92015 | 92015-1125 | 1 | ||
SPACER | 92026 | 92026-1217 | 1 | ||
SEAL-OIL,VB13193 | 92049 | 92049-1398 | 2 | ||
COLLAR | 92143 | 92143-1595 | 1 | ||
SPRING | 92144 | 92144-1029 | 1 | ||
SPRING,24X3.2 | 92145 | 92145-0661 | 1 | ||
SPRING,16X3 | 92145A | 92145-0718 | 1 | ||
BOLT,FLANGED,6X20 | 92151 | 92151-1226 | 2 | ||
BOLT,RETURN SPRING | 92153 | 92153-0421 | 1 | ||
WASHER,20.5X27X1.6 | 92200 | 92200-0018 | 1 | ||
WASHER,13.4X25X1.6 | 92200A | 92200-0477 | 2 |
BOLT-STUD,6X18 | |
REF # | 172 |
---|---|
PART NUMBER | |
QUANTITY | 1 |
DESTINATION | |
REMARKS |
NUT-HEX | |
REF # | 311 |
---|---|
PART NUMBER | |
QUANTITY | 2 |
DESTINATION | |
REMARKS |
CIRCLIP-TYPE-E,12MM | |
REF # | 482 |
---|---|
PART NUMBER | |
QUANTITY | 2 |
DESTINATION | |
REMARKS |
DAMPER,PEDAL | |
REF # | 13063 |
---|---|
PART NUMBER | |
QUANTITY | 1 |
DESTINATION | |
REMARKS |
LEVER-CHANGE | |
REF # | 13156 |
---|---|
PART NUMBER | |
QUANTITY | 1 |
DESTINATION | |
REMARKS |
PAWL | |
REF # | 13165 |
---|---|
PART NUMBER | |
QUANTITY | 1 |
DESTINATION | |
REMARKS |
LEVER | |
REF # | 13168 |
---|---|
PART NUMBER | |
QUANTITY | 1 |
DESTINATION | |
REMARKS |
LEVER | |
REF # | 13168A |
---|---|
PART NUMBER | |
QUANTITY | 1 |
DESTINATION | |
REMARKS |
LEVER-COMP,POSITION | |
REF # | 13236 |
---|---|
PART NUMBER | |
QUANTITY | 1 |
DESTINATION | |
REMARKS |
LEVER-COMP,CHANGE | |
REF # | 13236A |
---|---|
PART NUMBER | |
QUANTITY | 1 |
DESTINATION | |
REMARKS |
LEVER-COMP,FR LINKAGE | |
REF # | 13236B |
---|---|
PART NUMBER | |
QUANTITY | 1 |
DESTINATION | |
REMARKS |
LEVER-COMP,RR LINKAGE | |
REF # | 13236C |
---|---|
PART NUMBER | |
QUANTITY | 1 |
DESTINATION | |
REMARKS |
ROD-ASSY-TIE | |
REF # | 39110 |
---|---|
PART NUMBER | |
QUANTITY | 1 |
DESTINATION | |
REMARKS |
PAD | |
REF # | 39156 |
---|---|
PART NUMBER | |
QUANTITY | 1 |
DESTINATION | |
REMARKS |
SCREW,6X8 | |
REF # | 92009 |
---|---|
PART NUMBER | |
QUANTITY | 1 |
DESTINATION | |
REMARKS |
NUT,LEFT HANDED,6MM | |
REF # | 92015 |
---|---|
PART NUMBER | |
QUANTITY | 1 |
DESTINATION | |
REMARKS |
SPACER | |
REF # | 92026 |
---|---|
PART NUMBER | |
QUANTITY | 1 |
DESTINATION | |
REMARKS |
SEAL-OIL,VB13193 | |
REF # | 92049 |
---|---|
PART NUMBER | |
QUANTITY | 2 |
DESTINATION | |
REMARKS |
COLLAR | |
REF # | 92143 |
---|---|
PART NUMBER | |
QUANTITY | 1 |
DESTINATION | |
REMARKS |
SPRING | |
REF # | 92144 |
---|---|
PART NUMBER | |
QUANTITY | 1 |
DESTINATION | |
REMARKS |
SPRING,24X3.2 | |
REF # | 92145 |
---|---|
PART NUMBER | |
QUANTITY | 1 |
DESTINATION | |
REMARKS |
SPRING,16X3 | |
REF # | 92145A |
---|---|
PART NUMBER | |
QUANTITY | 1 |
DESTINATION | |
REMARKS |
BOLT,FLANGED,6X20 | |
REF # | 92151 |
---|---|
PART NUMBER | |
QUANTITY | 2 |
DESTINATION | |
REMARKS |
BOLT,RETURN SPRING | |
REF # | 92153 |
---|---|
PART NUMBER | |
QUANTITY | 1 |
DESTINATION | |
REMARKS |
WASHER,20.5X27X1.6 | |
REF # | 92200 |
---|---|
PART NUMBER | |
QUANTITY | 1 |
DESTINATION | |
REMARKS |
WASHER,13.4X25X1.6 | |
REF # | 92200A |
---|---|
PART NUMBER | |
QUANTITY | 2 |
DESTINATION | |
REMARKS |