main content of page
Parts Diagrams
OWNER CENTER |

Welcome, Kawasaki owners. Access the information and tools you need to get the most out of your vehicle.
OWNER CENTER |
Welcome, Kawasaki owners. Access the information and tools you need to get the most out of your vehicle.
Parts Diagrams |
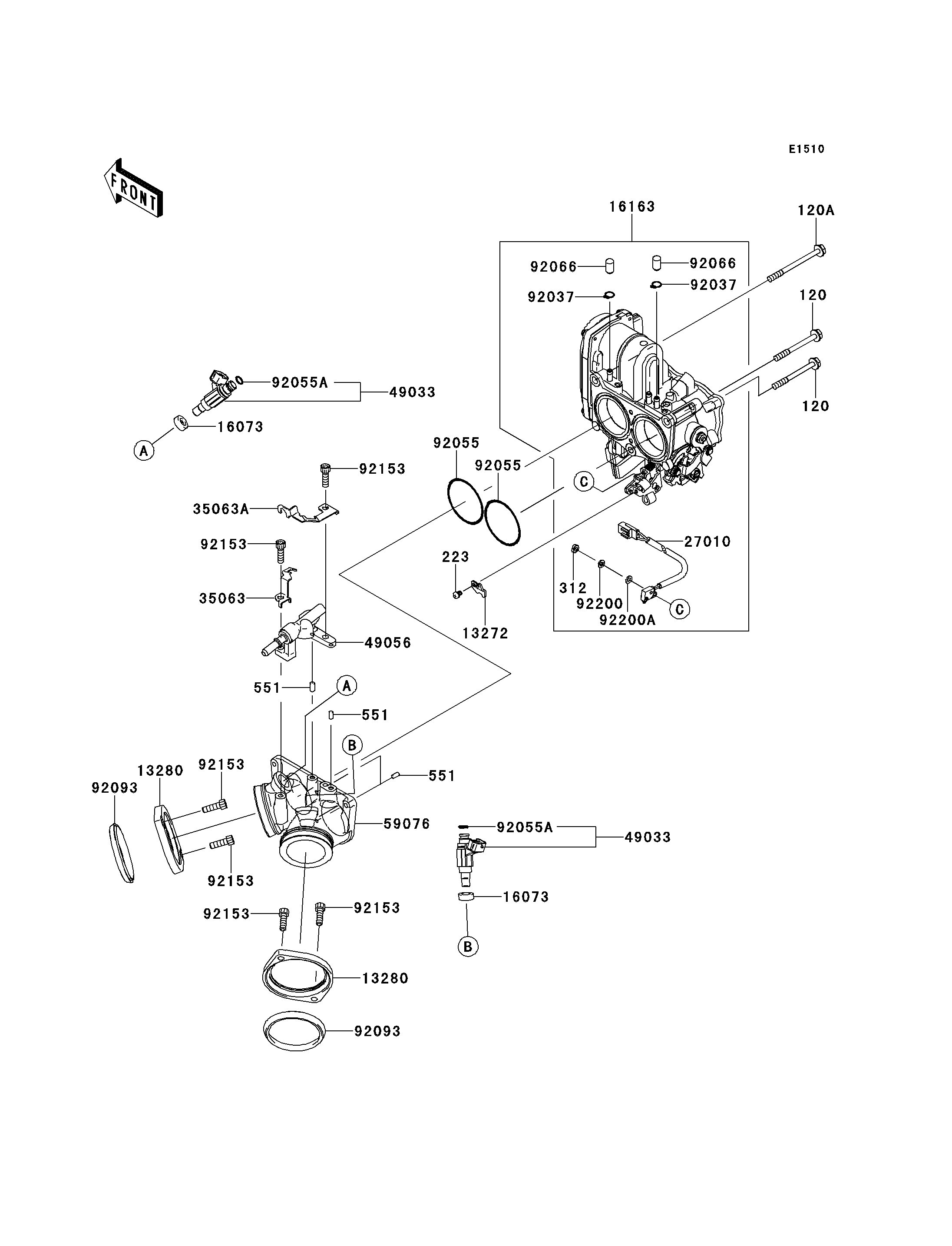
120
120
120A
223
312
551
551
551
13272
13280
13280
16073
16073
16163
27010
35063
35063A
49033
49033
49056
59076
92037
92037
92055
92055
92055A
92055A
92066
92066
92093
92093
92153
92153
92153
92153
92153
92153
92200
92200A
ITEM NAME | REF # | PART NUMBER | QUANTITY | DESTINATION | REMARKS |
---|---|---|---|---|---|
BOLT-SOCKET,6X60 | 120 | 120CA0660 | 2 | ||
BOLT-SOCKET,6X75 | 120A | 120CA0675 | 1 | ||
SCREW-PAN-WS-CROSS,4X6 | 223 | 223AA0406 | 1 | ||
NUT-HEX | 312 | 312BC0300 | 1 | ||
PIN-DOWEL,4X8 | 551 | 551A0408 | 4 | ||
PLATE,CABLE STOPPER | 13272 | 13272-0620 | 1 | ||
HOLDER,INTAKE MANIFOLD | 13280 | 13280-0007 | 2 | ||
INSULATOR | 16073 | 16073-3707 | 2 | ||
THROTTLE-ASSY,EACW42 | 16163 | 16163-0124 | 1 | ||
SWITCH,AUTOCRUISE CANCEL | 27010 | 27010-0093 | 1 | ||
STAY | 35063 | 35063-0075 | 1 | ||
STAY | 35063A | 35063-0076 | 1 | ||
NOZZLE-INJECTION | 49033 | 49033-0003 | 2 | ||
PIPE-INJECTION | 49056 | 49056-0020 | 1 | ||
MANIFOLD-INTAKE | 59076 | 59076-0005 | 1 | ||
CLAMP,BREATHER TUBE | 92037 | 92037-174 | 2 | ||
RING-O,49.7X2.4 | 92055 | 92055-0183 | 2 | ||
RING-O,INJECTION NOZZLE | 92055A | 92055-1622 | 2 | ||
PLUG,FITTING | 92066 | 92066-1549 | 2 | ||
SEAL | 92093 | 92093-0006 | 2 | ||
BOLT,SOCKET,6X20 | 92153 | 92153-1031 | 6 | ||
WASHER,SPRING | 92200 | 92200-0539 | 1 | ||
WASHER | 92200A | 92200-0540 | 1 |
BOLT-SOCKET,6X60 | |
REF # | 120 |
---|---|
PART NUMBER | |
QUANTITY | 2 |
DESTINATION | |
REMARKS |
BOLT-SOCKET,6X75 | |
REF # | 120A |
---|---|
PART NUMBER | |
QUANTITY | 1 |
DESTINATION | |
REMARKS |
SCREW-PAN-WS-CROSS,4X6 | |
REF # | 223 |
---|---|
PART NUMBER | |
QUANTITY | 1 |
DESTINATION | |
REMARKS |
NUT-HEX | |
REF # | 312 |
---|---|
PART NUMBER | |
QUANTITY | 1 |
DESTINATION | |
REMARKS |
PIN-DOWEL,4X8 | |
REF # | 551 |
---|---|
PART NUMBER | |
QUANTITY | 4 |
DESTINATION | |
REMARKS |
PLATE,CABLE STOPPER | |
REF # | 13272 |
---|---|
PART NUMBER | |
QUANTITY | 1 |
DESTINATION | |
REMARKS |
HOLDER,INTAKE MANIFOLD | |
REF # | 13280 |
---|---|
PART NUMBER | |
QUANTITY | 2 |
DESTINATION | |
REMARKS |
INSULATOR | |
REF # | 16073 |
---|---|
PART NUMBER | |
QUANTITY | 2 |
DESTINATION | |
REMARKS |
THROTTLE-ASSY,EACW42 | |
REF # | 16163 |
---|---|
PART NUMBER | |
QUANTITY | 1 |
DESTINATION | |
REMARKS |
SWITCH,AUTOCRUISE CANCEL | |
REF # | 27010 |
---|---|
PART NUMBER | |
QUANTITY | 1 |
DESTINATION | |
REMARKS |
STAY | |
REF # | 35063 |
---|---|
PART NUMBER | |
QUANTITY | 1 |
DESTINATION | |
REMARKS |
STAY | |
REF # | 35063A |
---|---|
PART NUMBER | |
QUANTITY | 1 |
DESTINATION | |
REMARKS |
NOZZLE-INJECTION | |
REF # | 49033 |
---|---|
PART NUMBER | |
QUANTITY | 2 |
DESTINATION | |
REMARKS |
PIPE-INJECTION | |
REF # | 49056 |
---|---|
PART NUMBER | |
QUANTITY | 1 |
DESTINATION | |
REMARKS |
MANIFOLD-INTAKE | |
REF # | 59076 |
---|---|
PART NUMBER | |
QUANTITY | 1 |
DESTINATION | |
REMARKS |
CLAMP,BREATHER TUBE | |
REF # | 92037 |
---|---|
PART NUMBER | |
QUANTITY | 2 |
DESTINATION | |
REMARKS |
RING-O,49.7X2.4 | |
REF # | 92055 |
---|---|
PART NUMBER | |
QUANTITY | 2 |
DESTINATION | |
REMARKS |
RING-O,INJECTION NOZZLE | |
REF # | 92055A |
---|---|
PART NUMBER | |
QUANTITY | 2 |
DESTINATION | |
REMARKS |
PLUG,FITTING | |
REF # | 92066 |
---|---|
PART NUMBER | |
QUANTITY | 2 |
DESTINATION | |
REMARKS |
SEAL | |
REF # | 92093 |
---|---|
PART NUMBER | |
QUANTITY | 2 |
DESTINATION | |
REMARKS |
BOLT,SOCKET,6X20 | |
REF # | 92153 |
---|---|
PART NUMBER | |
QUANTITY | 6 |
DESTINATION | |
REMARKS |
WASHER,SPRING | |
REF # | 92200 |
---|---|
PART NUMBER | |
QUANTITY | 1 |
DESTINATION | |
REMARKS |
WASHER | |
REF # | 92200A |
---|---|
PART NUMBER | |
QUANTITY | 1 |
DESTINATION | |
REMARKS |