Skip to main content

Parts Diagrams

customer service agent speaking with a customer

Welcome, Kawasaki owners. Access the information and tools you need to get the most out of your vehicle.

Welcome, Kawasaki owners. Access the information and tools you need to get the most out of your vehicle.

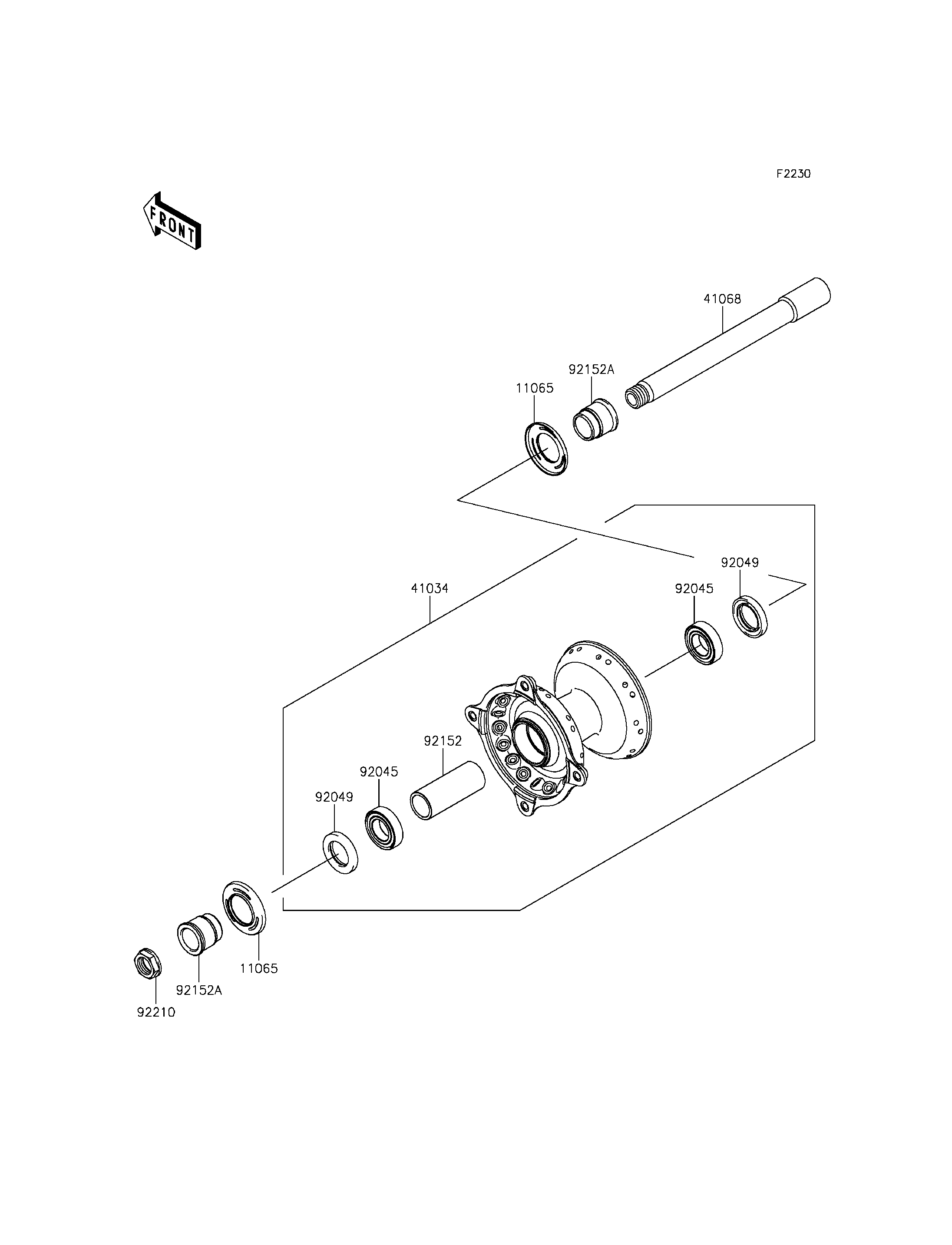
11065
11065
41034
41068
92045
92045
92049
92049
92152
92152A
92152A
92210
Part Item Information
ITEM NAME REF # PART NUMBER QUANTITY DESTINATION REMARKS
CAP,AXLE 11065 11065-0350 2
DRUM-ASSY,FRONT BRAKE 41034 41034-0034 1
AXLE,FR,20X186 41068 41068-0590 1
BEARING-BALL,69042RS 92045 92045-1284 2
SEAL-OIL,BJNC-2 25X37X5 92049 92049-1403 2
COLLAR,FRONT BRAKE DRUM,L=65 92152 92152-0028 1
COLLAR,L=27.5 92152A 92152-0845 2
NUT,18MM 92210 92210-0065 1