Skip to main content

Parts Diagrams

customer service agent speaking with a customer

Welcome, Kawasaki owners. Access the information and tools you need to get the most out of your vehicle.

Welcome, Kawasaki owners. Access the information and tools you need to get the most out of your vehicle.

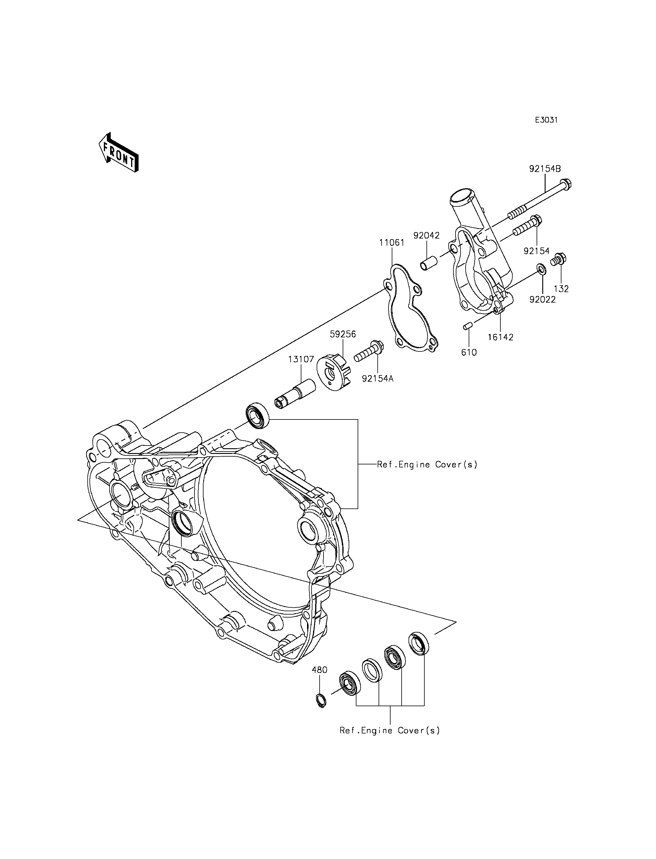
132
480
610
11061
13107
16142
59256
92022
92042
92154
92154A
92154B
Part Item Information
ITEM NAME REF # PART NUMBER QUANTITY DESTINATION REMARKS
BOLT-FLANGED-SMALL,6X8 132 132BA0608 1
CIRCLIP-TYPE-C,10MM 480 480J1000 1
ROLLER,4X8 610 610A0408 1
GASKET 11061 11061-0983 1
SHAFT 13107 13107-0826 1
COVER-PUMP 16142 16142-0726 1
IMPELLER 59256 59256-0003 1
WASHER,6.2X11X1 92022 92022-304 1
PIN,DOWEL,6.3X8X14 92042 92042-007 1
BOLT,FLANGED,6X25 92154 92154-0520 3
BOLT,FLANGED,6X25 92154A 92154-0531 1
BOLT,FLANGED,6X70 92154B 92154-1930 1