Skip to main content

Parts Diagrams

customer service agent speaking with a customer

Welcome, Kawasaki owners. Access the information and tools you need to get the most out of your vehicle.

Welcome, Kawasaki owners. Access the information and tools you need to get the most out of your vehicle.

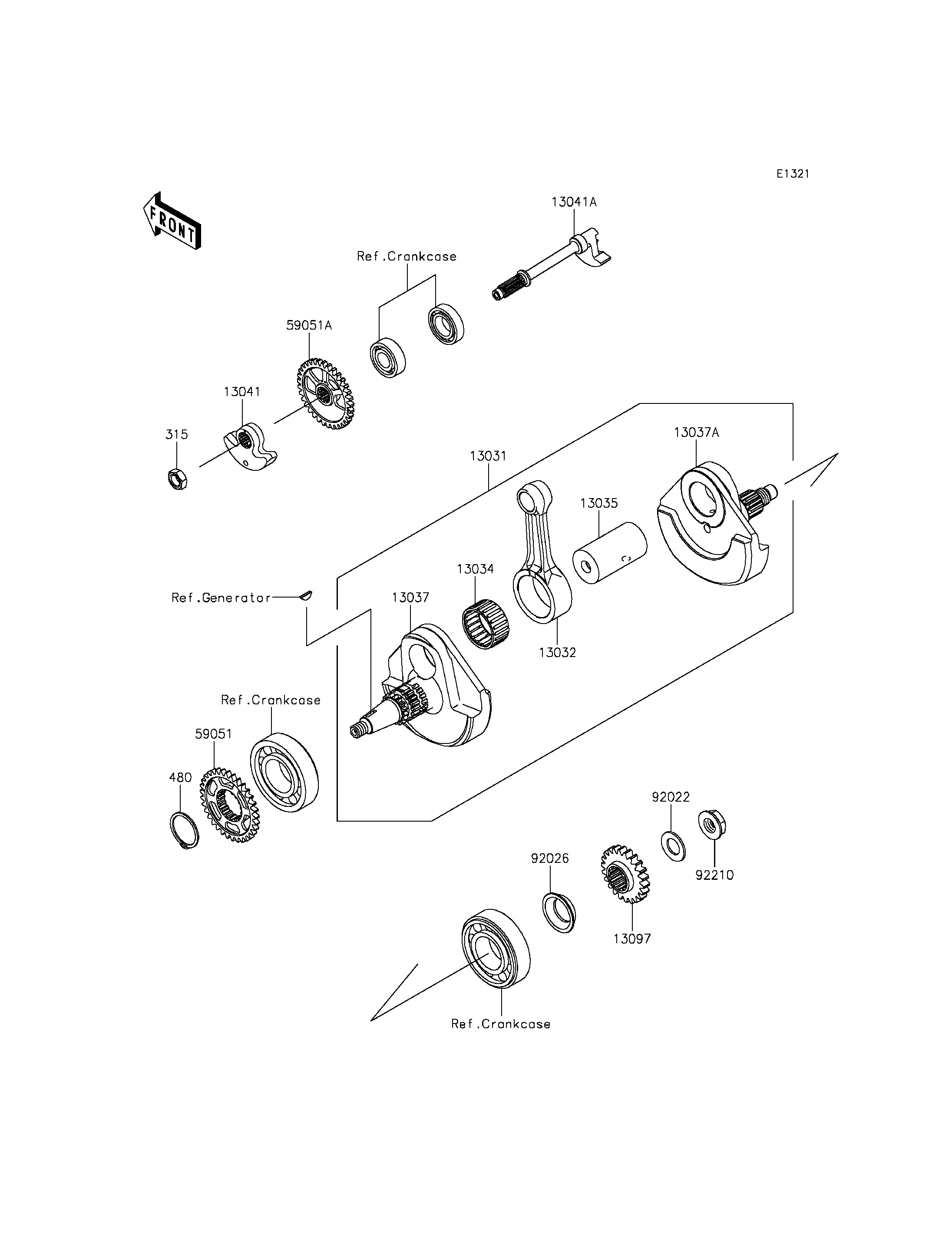
315
480
13031
13032
13034
13035
13037
13037A
13041
13041A
13097
59051
59051A
92022
92026
92210
Part Item Information
ITEM NAME REF # PART NUMBER QUANTITY DESTINATION REMARKS
NUT-HEX-FINE,12MM 315 315BA1200 1
CIRCLIP-TYPE-C,32MM 480 480J3200 1
CRANKSHAFT-COMP 13031 13031-0839 1
ROD-CONNECTING,RED 13032 13032-0067 1
BEARING-BIG END,B4(BLUE) 13034 13034-0017 1
PIN-CRANK 13035 13035-0018 1
CRANKSHAFT,LH 13037 13037-0874 1
CRANKSHAFT,RH 13037A 13037-0875 1
BALANCER,WEIGHT 13041 13041-0023 1
BALANCER,SHAFT 13041A 13041-0046 1
GEAR-PRIMARY SPUR,22T 13097 13097-0013 1
GEAR-SPUR,BALANCER DRIVE,33T 59051 59051-0768 1
GEAR-SPUR,BALANCER DRIVEN,33T 59051A 59051-0769 1
WASHER,16.3X29X1.75 92022 92022-1356 1
SPACER 92026 92026-0806 1
NUT,16MM 92210 92210-0490 1