Skip to main content

Parts Diagrams

customer service agent speaking with a customer

Welcome, Kawasaki owners. Access the information and tools you need to get the most out of your vehicle.

Welcome, Kawasaki owners. Access the information and tools you need to get the most out of your vehicle.

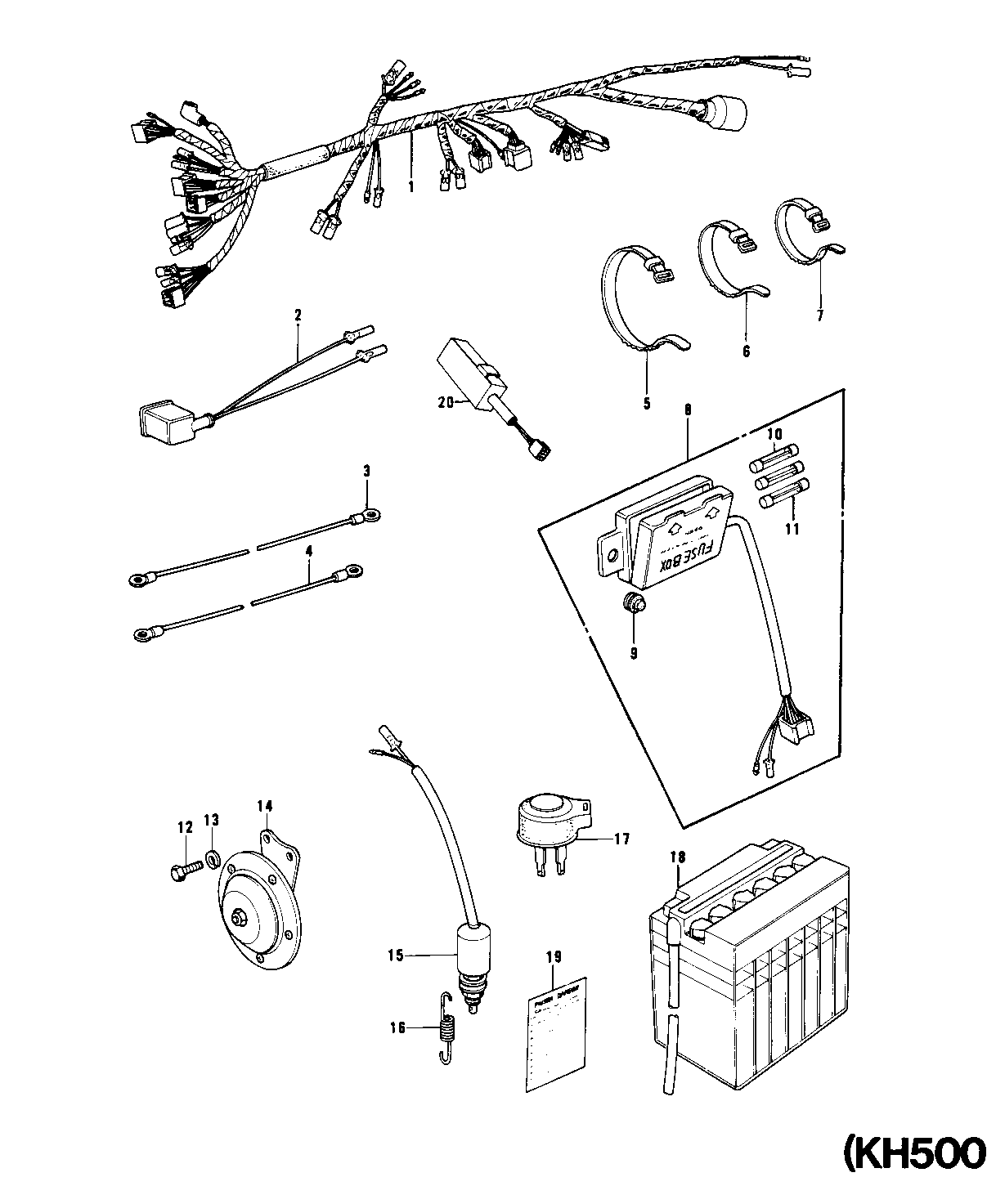
1975 H1-F - CHASSIS ELECTRICAL EQUIPMENT (KH500-A8)

Part Item Information
ITEM NAME REF # PART NUMBER QUANTITY DESTINATION REMARKS
WIRING HARNESS,MAIN 1 26001-131 1
WIRE,LEAD 2 26011-092 1
WIRE-GROUND LEAD 3 26010-023 1
WIRE-LEAD 4 26011-084 1
BAND,WIRING HARNESS 5 92072-056 5
BAND,MIDDLE 6 92072-031 5
BAND,SHORT 7 92072-030 4
FUSE ASSY 8 26004-035 1
DAMPER RUBBER,FUSE 9 92075-279 1
FUSE-20A 10 26006-005 3
FUSE 10A 11 26006-003 2
BOLT-SMALL-UPSET,8X18 12 115G0818 2
WASHER SPRING 8MM 13 461F0800 2
HORN 14 27003-047 1
SWITCH-BRAKE LAMP 15 27010-015 1
SPRING,BRAKE LAMP SN 16 27011-017 1
RELAY-TURN SIGNAL 17 27002-011 1
YUA BAT 12N9-3B 18 26012-039 1 12N9-3B
LABEL-WARNING,BATTERY 19 56040-1036 1
SWITCH,OUTAGE,INDICTR 20 28019-001 1