main content of page
Parts Diagrams
OWNER CENTER |

Welcome, Kawasaki owners. Access the information and tools you need to get the most out of your vehicle.
OWNER CENTER |
Welcome, Kawasaki owners. Access the information and tools you need to get the most out of your vehicle.
Parts Diagrams |
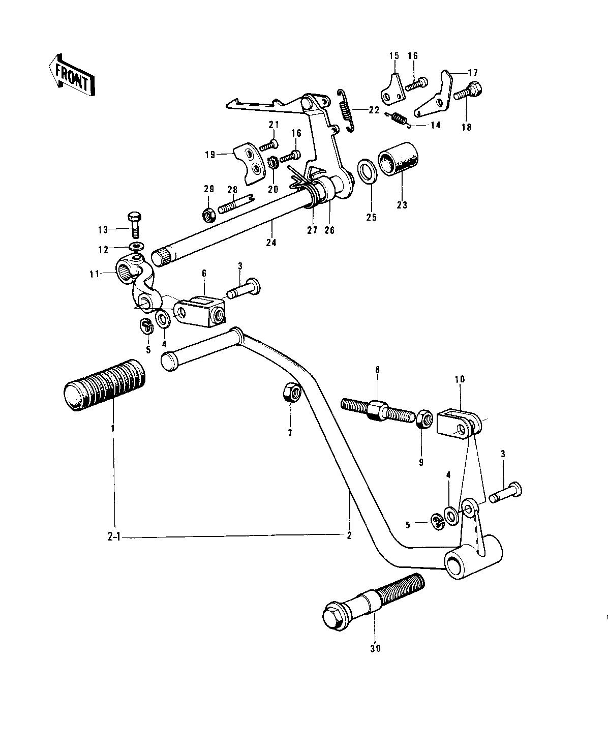
1975 H1-F - GEAR CHANGE MECHANISM ('73-'75 D/E/F & '
ITEM NAME | REF # | PART NUMBER | QUANTITY | DESTINATION | REMARKS |
---|---|---|---|---|---|
RUBBER CHANGE PEDAL | 1 | 13157-004 | 1 | ||
PEDAL ANY,GEAR CHANGE | 2 | 13242-011 | 1 | ||
PEDAL ANY,GEAR CHANGE | 2-1 | 13242-011 | 1 | ||
PIN | 3 | 92043-069 | 2 | ||
WASHER,PLAIN | 4 | 92022-1028 | 2 | ||
CIRCLIP 5MM | 5 | 482K5000 | 2 | ||
CONNECTOR,B | 6 | 13159-008 | 1 | ||
NUT,8MM | 7 | 92017-010 | 1 | ||
BOLT,CHNG PEDAL JOINT | 8 | 92003-115 | 1 | ||
NUT,8MM | 9 | 318N0800 | 1 | ||
CONNECTOR,A | 10 | 13159-007 | 1 | ||
LEVER-GEAR CHANGE | 11 | 13158-011 | 1 | ||
WASHER SPRING 8MM | 12 | 461F0800 | 1 | ||
BOLT,8X20 | 13 | 115G0820 | 1 | H1-D | |
BOLT-SMALL-UPSET,8X22 | 13 | 115B0822 | 1 | H1-E/F, KH500-A8 | |
SPRING,CHNG DRUM LEVR | 14 | 92081-1045 | 1 | H1-D/E/F | |
PLATE CHANGE DRUM LEV | 15 | 13170-004 | 1 | H1-D/E/F | |
SCREW PAN HEAD 6X16 | 16 | 220B0616 | 2 | H1-D/E/F | |
LEVER GEAR CHNG DRUM | 17 | 13168-012 | 1 | H1-D/E/F | |
BOLT,CHANGE DRUM LEVE | 18 | 92150-1450 | 1 | H1-D/E/F | |
PLATE CHNG DRUM PSTON | 19 | 13169-005 | 1 | ||
WASHER LOCK 6MM | 20 | 464H0600 | 1 | ||
SCREW CNTSNK HD 6X16 | 21 | 212B0616 | 1 | ||
SPRING,CHANGE LEVER | 22 | 92144-1720 | 1 | H1-D/E/F | |
SPRING,CHANGE LEVER | 22 | 92081-151 | 1 | KH500-A8 | |
RUBBER CAP | 23 | 13080-004 | 1 | ||
LEVER ASSY GEAR CHNG | 24 | 13161-035 | 1 | H1-D | |
LEVER ASSY GEAR CHNG | 24 | 13161-035 | 1 | H1-E/F | |
LEVER ASSY,CHANGE | 24 | 13161-045 | 1 | KH500-A8 | |
SPACER | 25 | 92026-068 | 1 | ||
COLLAR | 26 | 92027-121 | 1 | ||
SPRING,TENTION | 27 | 92081-1129 | 1 | ||
BOLT,RETURN SPRING | 28 | 92001-1401 | 1 | ||
NUT 8MM | 29 | 312B0800 | 1 | ||
BOLT,CHANGE PEDAL | 30 | 92003-117 | 1 | ||
SHIM-KICK SHAFT,0.5T | 31 | 92022-150 | 1 | ||
NUT,12MM | 32 | 314G1200A | 1 |
RUBBER CHANGE PEDAL | |
REF # | 1 |
---|---|
PART NUMBER | |
QUANTITY | 1 |
DESTINATION | |
REMARKS |
PEDAL ANY,GEAR CHANGE | |
REF # | 2 |
---|---|
PART NUMBER | |
QUANTITY | 1 |
DESTINATION | |
REMARKS |
PEDAL ANY,GEAR CHANGE | |
REF # | 2-1 |
---|---|
PART NUMBER | |
QUANTITY | 1 |
DESTINATION | |
REMARKS |
PIN | |
REF # | 3 |
---|---|
PART NUMBER | |
QUANTITY | 2 |
DESTINATION | |
REMARKS |
WASHER,PLAIN | |
REF # | 4 |
---|---|
PART NUMBER | |
QUANTITY | 2 |
DESTINATION | |
REMARKS |
CIRCLIP 5MM | |
REF # | 5 |
---|---|
PART NUMBER | |
QUANTITY | 2 |
DESTINATION | |
REMARKS |
CONNECTOR,B | |
REF # | 6 |
---|---|
PART NUMBER | |
QUANTITY | 1 |
DESTINATION | |
REMARKS |
NUT,8MM | |
REF # | 7 |
---|---|
PART NUMBER | |
QUANTITY | 1 |
DESTINATION | |
REMARKS |
BOLT,CHNG PEDAL JOINT | |
REF # | 8 |
---|---|
PART NUMBER | |
QUANTITY | 1 |
DESTINATION | |
REMARKS |
NUT,8MM | |
REF # | 9 |
---|---|
PART NUMBER | |
QUANTITY | 1 |
DESTINATION | |
REMARKS |
CONNECTOR,A | |
REF # | 10 |
---|---|
PART NUMBER | |
QUANTITY | 1 |
DESTINATION | |
REMARKS |
LEVER-GEAR CHANGE | |
REF # | 11 |
---|---|
PART NUMBER | |
QUANTITY | 1 |
DESTINATION | |
REMARKS |
WASHER SPRING 8MM | |
REF # | 12 |
---|---|
PART NUMBER | |
QUANTITY | 1 |
DESTINATION | |
REMARKS |
BOLT,8X20 | |
REF # | 13 |
---|---|
PART NUMBER | |
QUANTITY | 1 |
DESTINATION | |
REMARKS | H1-D |
BOLT-SMALL-UPSET,8X22 | |
REF # | 13 |
---|---|
PART NUMBER | |
QUANTITY | 1 |
DESTINATION | |
REMARKS | H1-E/F, KH500-A8 |
SPRING,CHNG DRUM LEVR | |
REF # | 14 |
---|---|
PART NUMBER | |
QUANTITY | 1 |
DESTINATION | |
REMARKS | H1-D/E/F |
PLATE CHANGE DRUM LEV | |
REF # | 15 |
---|---|
PART NUMBER | |
QUANTITY | 1 |
DESTINATION | |
REMARKS | H1-D/E/F |
SCREW PAN HEAD 6X16 | |
REF # | 16 |
---|---|
PART NUMBER | |
QUANTITY | 2 |
DESTINATION | |
REMARKS | H1-D/E/F |
LEVER GEAR CHNG DRUM | |
REF # | 17 |
---|---|
PART NUMBER | |
QUANTITY | 1 |
DESTINATION | |
REMARKS | H1-D/E/F |
BOLT,CHANGE DRUM LEVE | |
REF # | 18 |
---|---|
PART NUMBER | |
QUANTITY | 1 |
DESTINATION | |
REMARKS | H1-D/E/F |
PLATE CHNG DRUM PSTON | |
REF # | 19 |
---|---|
PART NUMBER | |
QUANTITY | 1 |
DESTINATION | |
REMARKS |
WASHER LOCK 6MM | |
REF # | 20 |
---|---|
PART NUMBER | |
QUANTITY | 1 |
DESTINATION | |
REMARKS |
SCREW CNTSNK HD 6X16 | |
REF # | 21 |
---|---|
PART NUMBER | |
QUANTITY | 1 |
DESTINATION | |
REMARKS |
SPRING,CHANGE LEVER | |
REF # | 22 |
---|---|
PART NUMBER | |
QUANTITY | 1 |
DESTINATION | |
REMARKS | H1-D/E/F |
SPRING,CHANGE LEVER | |
REF # | 22 |
---|---|
PART NUMBER | |
QUANTITY | 1 |
DESTINATION | |
REMARKS | KH500-A8 |
RUBBER CAP | |
REF # | 23 |
---|---|
PART NUMBER | |
QUANTITY | 1 |
DESTINATION | |
REMARKS |
LEVER ASSY GEAR CHNG | |
REF # | 24 |
---|---|
PART NUMBER | |
QUANTITY | 1 |
DESTINATION | |
REMARKS | H1-D |
LEVER ASSY GEAR CHNG | |
REF # | 24 |
---|---|
PART NUMBER | |
QUANTITY | 1 |
DESTINATION | |
REMARKS | H1-E/F |
LEVER ASSY,CHANGE | |
REF # | 24 |
---|---|
PART NUMBER | |
QUANTITY | 1 |
DESTINATION | |
REMARKS | KH500-A8 |
SPACER | |
REF # | 25 |
---|---|
PART NUMBER | |
QUANTITY | 1 |
DESTINATION | |
REMARKS |
COLLAR | |
REF # | 26 |
---|---|
PART NUMBER | |
QUANTITY | 1 |
DESTINATION | |
REMARKS |
SPRING,TENTION | |
REF # | 27 |
---|---|
PART NUMBER | |
QUANTITY | 1 |
DESTINATION | |
REMARKS |
BOLT,RETURN SPRING | |
REF # | 28 |
---|---|
PART NUMBER | |
QUANTITY | 1 |
DESTINATION | |
REMARKS |
NUT 8MM | |
REF # | 29 |
---|---|
PART NUMBER | |
QUANTITY | 1 |
DESTINATION | |
REMARKS |
BOLT,CHANGE PEDAL | |
REF # | 30 |
---|---|
PART NUMBER | |
QUANTITY | 1 |
DESTINATION | |
REMARKS |
SHIM-KICK SHAFT,0.5T | |
REF # | 31 |
---|---|
PART NUMBER | |
QUANTITY | 1 |
DESTINATION | |
REMARKS |
NUT,12MM | |
REF # | 32 |
---|---|
PART NUMBER | |
QUANTITY | 1 |
DESTINATION | |
REMARKS |