main content of page
Parts Diagrams
OWNER CENTER |

Welcome, Kawasaki owners. Access the information and tools you need to get the most out of your vehicle.
OWNER CENTER |
Welcome, Kawasaki owners. Access the information and tools you need to get the most out of your vehicle.
Parts Diagrams |
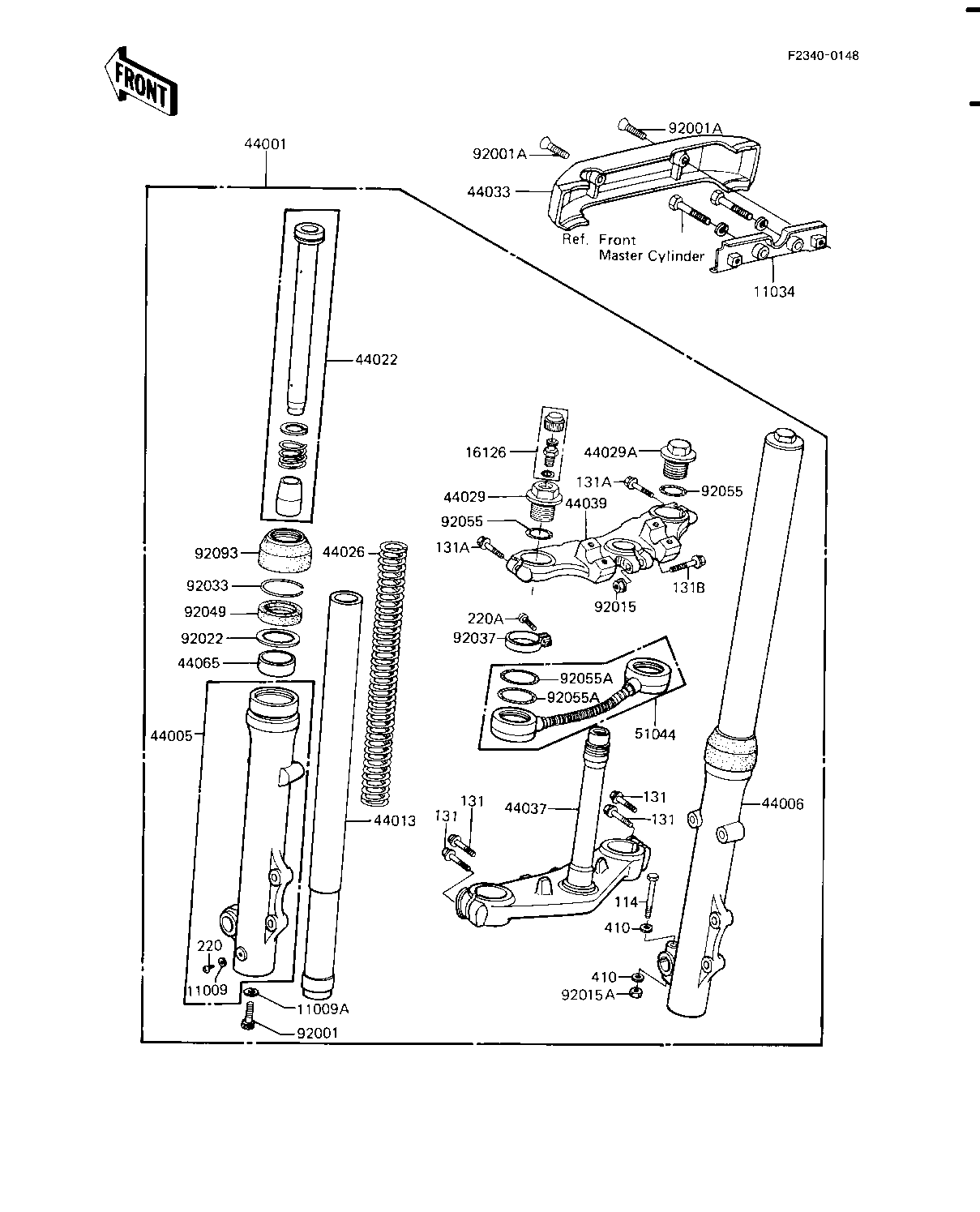
ITEM NAME | REF # | PART NUMBER | QUANTITY | DESTINATION | REMARKS |
---|---|---|---|---|---|
GASKET FORK DRAIN PLG | 11009 | 44045-002 | 2 | ||
GASKET,FORK CYLINDER | 11009A | 44045-057 | 2 | ||
BRACKET,FORK COVER | 11034 | 11034-1842 | 1 | ||
VALVE AIR | 16126 | 16126-1052 | 1 | ||
FORK-FRONT | 44001 | 44001-1387 | 1 | ||
TUBE,LH,FORK OUTER | 44005 | 44005-1067 | 1 | ||
TUBE,RH,FORK OUTER | 44006 | 44006-1067 | 1 | ||
PIPE-FORK INNER | 44013 | 44013-1111 | 2 | ||
CYLINDER-FORK | 44022 | 44022-1045 | 2 | ||
SPRING-FRONT FORK | 44026 | 44026-1189 | 2 | ||
SEAT-FORK SPRING,LH | 44029 | 44029-1044 | 1 | ||
SEAT-FORK SPRING,RH | 44029A | 44029-1045 | 1 | ||
COVER,FORK | 44033 | 44033-1054 | 1 | ||
HOLDER-FORK UNDER | 44037 | 44037-1109 | 1 | ||
HOLDER-FORK UPPER | 44039 | 44039-1069 | 1 | ||
BUSHING-FRONT FORK,OU | 44065 | 44065-1091 | 2 | ||
TUBE-ASSY,AIR,FORK | 51044 | 51044-1024 | 1 | ||
BOLT-FORK CYLINDER | 92001 | 44041-040 | 2 | ||
SCREW-CSK-RD-CROS | 92001A | 222C0518 | 2 | ||
NUT-8MM | 92015 | 92015-1022 | 1 | ||
NUT,LOCK,8MM | 92015A | 92015-1124 | 1 | ||
WASHER,FORK OUT PIPE | 92022 | 92022-1262 | 2 | ||
SNAP RING,FORK OUTER | 92033 | 92033-1047 | 2 | ||
CLAMP,FRONT FORK | 92037 | 92037-1277 | 2 | ||
SEAL-OIL,FORK OUTER T | 92049 | 92049-1295 | 2 | ||
"0" RING,FORK TOP | 92055 | 92055-1051 | 2 | ||
RING-O,ROD | 92055A | 92055-1369 | 4 | ||
SEAL | 92093 | 92093-1051 | 2 | ||
BOLT,HEX HEAD,8X55 | 114 | 114G0855 | 1 | ||
BOLT,8X40 | 131 | 92001-1188 | 4 | ||
BOLT,FLANGED,8X45 | 131A | 131G0845 | 2 | ||
BOLT,FLANGED,8X55 | 131B | 130G0855 | 1 | ||
SCREW PAN HEAD 4X8 | 220 | 220B0408 | 2 | ||
SCREW-PAN-CROS | 220A | 220B0414 | 2 | ||
WASHER PLAIN 8MM | 410 | 410B0800 | 2 |
GASKET FORK DRAIN PLG | |
REF # | 11009 |
---|---|
PART NUMBER | |
QUANTITY | 2 |
DESTINATION | |
REMARKS |
GASKET,FORK CYLINDER | |
REF # | 11009A |
---|---|
PART NUMBER | |
QUANTITY | 2 |
DESTINATION | |
REMARKS |
BRACKET,FORK COVER | |
REF # | 11034 |
---|---|
PART NUMBER | |
QUANTITY | 1 |
DESTINATION | |
REMARKS |
VALVE AIR | |
REF # | 16126 |
---|---|
PART NUMBER | |
QUANTITY | 1 |
DESTINATION | |
REMARKS |
FORK-FRONT | |
REF # | 44001 |
---|---|
PART NUMBER | |
QUANTITY | 1 |
DESTINATION | |
REMARKS |
TUBE,LH,FORK OUTER | |
REF # | 44005 |
---|---|
PART NUMBER | |
QUANTITY | 1 |
DESTINATION | |
REMARKS |
TUBE,RH,FORK OUTER | |
REF # | 44006 |
---|---|
PART NUMBER | |
QUANTITY | 1 |
DESTINATION | |
REMARKS |
PIPE-FORK INNER | |
REF # | 44013 |
---|---|
PART NUMBER | |
QUANTITY | 2 |
DESTINATION | |
REMARKS |
CYLINDER-FORK | |
REF # | 44022 |
---|---|
PART NUMBER | |
QUANTITY | 2 |
DESTINATION | |
REMARKS |
SPRING-FRONT FORK | |
REF # | 44026 |
---|---|
PART NUMBER | |
QUANTITY | 2 |
DESTINATION | |
REMARKS |
SEAT-FORK SPRING,LH | |
REF # | 44029 |
---|---|
PART NUMBER | |
QUANTITY | 1 |
DESTINATION | |
REMARKS |
SEAT-FORK SPRING,RH | |
REF # | 44029A |
---|---|
PART NUMBER | |
QUANTITY | 1 |
DESTINATION | |
REMARKS |
COVER,FORK | |
REF # | 44033 |
---|---|
PART NUMBER | |
QUANTITY | 1 |
DESTINATION | |
REMARKS |
HOLDER-FORK UNDER | |
REF # | 44037 |
---|---|
PART NUMBER | |
QUANTITY | 1 |
DESTINATION | |
REMARKS |
HOLDER-FORK UPPER | |
REF # | 44039 |
---|---|
PART NUMBER | |
QUANTITY | 1 |
DESTINATION | |
REMARKS |
BUSHING-FRONT FORK,OU | |
REF # | 44065 |
---|---|
PART NUMBER | |
QUANTITY | 2 |
DESTINATION | |
REMARKS |
TUBE-ASSY,AIR,FORK | |
REF # | 51044 |
---|---|
PART NUMBER | |
QUANTITY | 1 |
DESTINATION | |
REMARKS |
BOLT-FORK CYLINDER | |
REF # | 92001 |
---|---|
PART NUMBER | |
QUANTITY | 2 |
DESTINATION | |
REMARKS |
SCREW-CSK-RD-CROS | |
REF # | 92001A |
---|---|
PART NUMBER | |
QUANTITY | 2 |
DESTINATION | |
REMARKS |
NUT-8MM | |
REF # | 92015 |
---|---|
PART NUMBER | |
QUANTITY | 1 |
DESTINATION | |
REMARKS |
NUT,LOCK,8MM | |
REF # | 92015A |
---|---|
PART NUMBER | |
QUANTITY | 1 |
DESTINATION | |
REMARKS |
WASHER,FORK OUT PIPE | |
REF # | 92022 |
---|---|
PART NUMBER | |
QUANTITY | 2 |
DESTINATION | |
REMARKS |
SNAP RING,FORK OUTER | |
REF # | 92033 |
---|---|
PART NUMBER | |
QUANTITY | 2 |
DESTINATION | |
REMARKS |
CLAMP,FRONT FORK | |
REF # | 92037 |
---|---|
PART NUMBER | |
QUANTITY | 2 |
DESTINATION | |
REMARKS |
SEAL-OIL,FORK OUTER T | |
REF # | 92049 |
---|---|
PART NUMBER | |
QUANTITY | 2 |
DESTINATION | |
REMARKS |
"0" RING,FORK TOP | |
REF # | 92055 |
---|---|
PART NUMBER | |
QUANTITY | 2 |
DESTINATION | |
REMARKS |
RING-O,ROD | |
REF # | 92055A |
---|---|
PART NUMBER | |
QUANTITY | 4 |
DESTINATION | |
REMARKS |
SEAL | |
REF # | 92093 |
---|---|
PART NUMBER | |
QUANTITY | 2 |
DESTINATION | |
REMARKS |
BOLT,HEX HEAD,8X55 | |
REF # | 114 |
---|---|
PART NUMBER | |
QUANTITY | 1 |
DESTINATION | |
REMARKS |
BOLT,8X40 | |
REF # | 131 |
---|---|
PART NUMBER | |
QUANTITY | 4 |
DESTINATION | |
REMARKS |
BOLT,FLANGED,8X45 | |
REF # | 131A |
---|---|
PART NUMBER | |
QUANTITY | 2 |
DESTINATION | |
REMARKS |
BOLT,FLANGED,8X55 | |
REF # | 131B |
---|---|
PART NUMBER | |
QUANTITY | 1 |
DESTINATION | |
REMARKS |
SCREW PAN HEAD 4X8 | |
REF # | 220 |
---|---|
PART NUMBER | |
QUANTITY | 2 |
DESTINATION | |
REMARKS |
SCREW-PAN-CROS | |
REF # | 220A |
---|---|
PART NUMBER | |
QUANTITY | 2 |
DESTINATION | |
REMARKS |
WASHER PLAIN 8MM | |
REF # | 410 |
---|---|
PART NUMBER | |
QUANTITY | 2 |
DESTINATION | |
REMARKS |