main content of page
Parts Diagrams
OWNER CENTER |

Welcome, Kawasaki owners. Access the information and tools you need to get the most out of your vehicle.
OWNER CENTER |
Welcome, Kawasaki owners. Access the information and tools you need to get the most out of your vehicle.
Parts Diagrams |
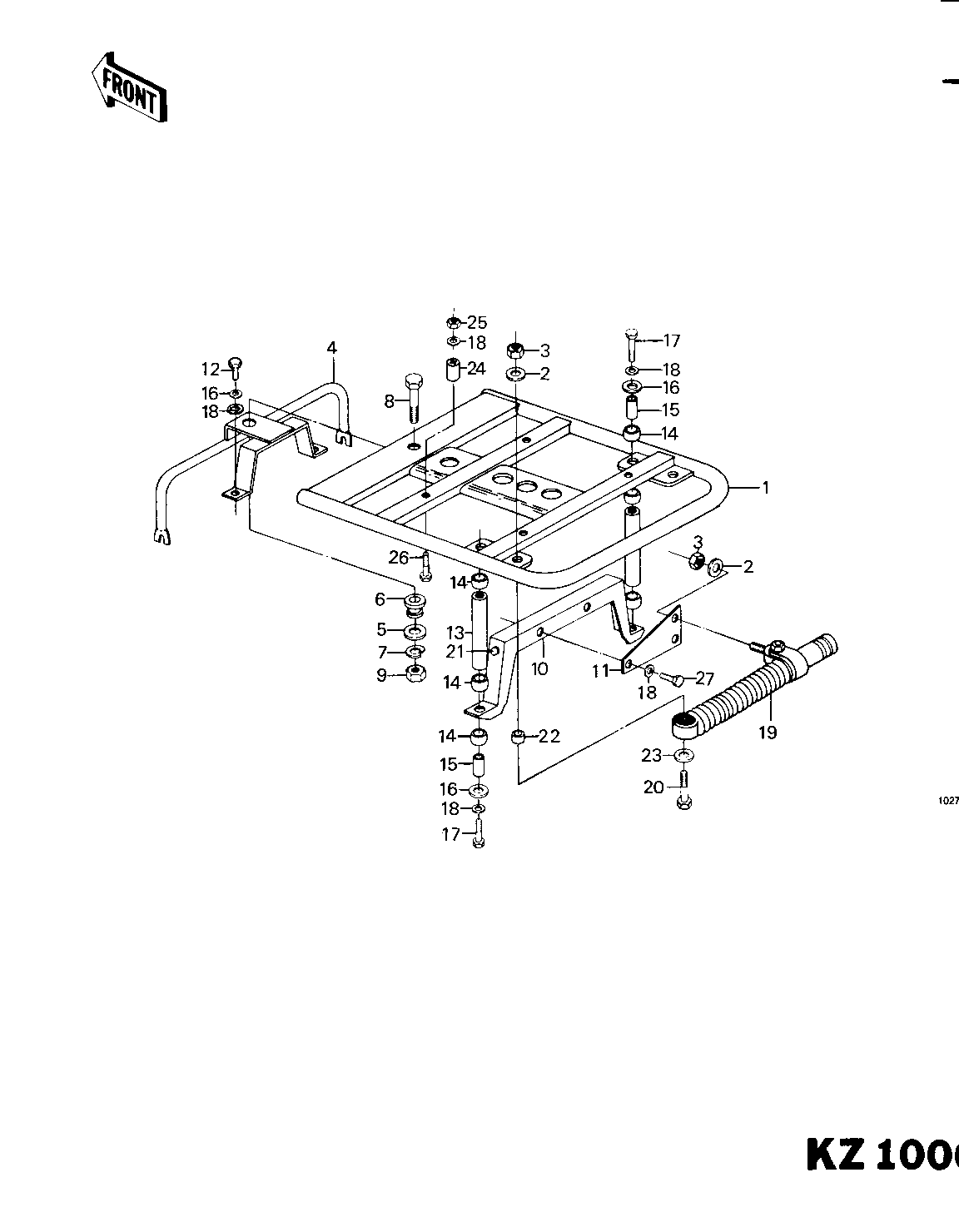
1979 Police 1000 - CARRIER (KZ1000-C2)
ITEM NAME | REF # | PART NUMBER | QUANTITY | DESTINATION | REMARKS |
---|---|---|---|---|---|
CARRIER | 1 | 53029-4001 | 1 | ||
WASHER SPRING 8MM | 2 | 461F0800 | 2 | ||
NUT,8MM | 3 | 311B0800 | 2 | ||
BRACKET | 4 | 23062-4001 | 1 | ||
WASHER | 5 | 92022-4002 | 1 | ||
DAMPER | 6 | 92075-4006 | 1 | ||
WASHER SPRING 12MM | 7 | 461F1200 | 1 | ||
BOLT,HEX HEAD,12X55 | 8 | 92001-1262 | 1 | ||
NUT-HEX-FINE | 9 | 314B1200 | 1 | ||
BRACKET | 10 | 11034-4016 | 1 | ||
BRACKET | 11 | 32037-4004 | 1 | ||
BOLT-UPSET,6X16 | 12 | 112G0616 | 2 | ||
ARM | 13 | 21083-4001 | 2 | ||
DAMPER RUBB SIDE STN | 14 | 92075-031 | 8 | ||
COLLAR-SILENCER | 15 | 92027-149 | 4 | ||
WASHER 6.5X20X1.6T | 16 | 92022-125 | 6 | ||
BOLT,HEX HEAD,6X50 | 17 | 110G0650 | 4 | ||
WASHER SPRING 6MM | 18 | 461F0600 | 12 | ||
SHOCK ABSBR RR CARRI | 19 | 45014-4005 | 1 | ||
BOLT-SMALL-UPSET | 20 | 115G0845 | 1 | ||
DAMPER RUBBER | 21 | 92075-155 | 1 | ||
COLLAR FRONT HUB R.H | 22 | 41069-002 | 1 | ||
WASHER PLAIN 8MM | 23 | 410B0800 | 1 | ||
*** N.L.A.*** (Canada) | 24 | 92027-1027 | 4 | ||
NUT,6M/M | 25 | 311G0600 | 4 | ||
BOLT-UPSET,6X35 | 26 | 112G0635 | 4 | ||
BOLT-UPSET,6X20 | 27 | 112G0620 | 2 |
CARRIER | |
REF # | 1 |
---|---|
PART NUMBER | |
QUANTITY | 1 |
DESTINATION | |
REMARKS |
WASHER SPRING 8MM | |
REF # | 2 |
---|---|
PART NUMBER | |
QUANTITY | 2 |
DESTINATION | |
REMARKS |
NUT,8MM | |
REF # | 3 |
---|---|
PART NUMBER | |
QUANTITY | 2 |
DESTINATION | |
REMARKS |
BRACKET | |
REF # | 4 |
---|---|
PART NUMBER | |
QUANTITY | 1 |
DESTINATION | |
REMARKS |
WASHER | |
REF # | 5 |
---|---|
PART NUMBER | |
QUANTITY | 1 |
DESTINATION | |
REMARKS |
DAMPER | |
REF # | 6 |
---|---|
PART NUMBER | |
QUANTITY | 1 |
DESTINATION | |
REMARKS |
WASHER SPRING 12MM | |
REF # | 7 |
---|---|
PART NUMBER | |
QUANTITY | 1 |
DESTINATION | |
REMARKS |
BOLT,HEX HEAD,12X55 | |
REF # | 8 |
---|---|
PART NUMBER | |
QUANTITY | 1 |
DESTINATION | |
REMARKS |
NUT-HEX-FINE | |
REF # | 9 |
---|---|
PART NUMBER | |
QUANTITY | 1 |
DESTINATION | |
REMARKS |
BRACKET | |
REF # | 10 |
---|---|
PART NUMBER | |
QUANTITY | 1 |
DESTINATION | |
REMARKS |
BRACKET | |
REF # | 11 |
---|---|
PART NUMBER | |
QUANTITY | 1 |
DESTINATION | |
REMARKS |
BOLT-UPSET,6X16 | |
REF # | 12 |
---|---|
PART NUMBER | |
QUANTITY | 2 |
DESTINATION | |
REMARKS |
ARM | |
REF # | 13 |
---|---|
PART NUMBER | |
QUANTITY | 2 |
DESTINATION | |
REMARKS |
DAMPER RUBB SIDE STN | |
REF # | 14 |
---|---|
PART NUMBER | |
QUANTITY | 8 |
DESTINATION | |
REMARKS |
COLLAR-SILENCER | |
REF # | 15 |
---|---|
PART NUMBER | |
QUANTITY | 4 |
DESTINATION | |
REMARKS |
WASHER 6.5X20X1.6T | |
REF # | 16 |
---|---|
PART NUMBER | |
QUANTITY | 6 |
DESTINATION | |
REMARKS |
BOLT,HEX HEAD,6X50 | |
REF # | 17 |
---|---|
PART NUMBER | |
QUANTITY | 4 |
DESTINATION | |
REMARKS |
WASHER SPRING 6MM | |
REF # | 18 |
---|---|
PART NUMBER | |
QUANTITY | 12 |
DESTINATION | |
REMARKS |
SHOCK ABSBR RR CARRI | |
REF # | 19 |
---|---|
PART NUMBER | |
QUANTITY | 1 |
DESTINATION | |
REMARKS |
BOLT-SMALL-UPSET | |
REF # | 20 |
---|---|
PART NUMBER | |
QUANTITY | 1 |
DESTINATION | |
REMARKS |
DAMPER RUBBER | |
REF # | 21 |
---|---|
PART NUMBER | |
QUANTITY | 1 |
DESTINATION | |
REMARKS |
COLLAR FRONT HUB R.H | |
REF # | 22 |
---|---|
PART NUMBER | |
QUANTITY | 1 |
DESTINATION | |
REMARKS |
WASHER PLAIN 8MM | |
REF # | 23 |
---|---|
PART NUMBER | |
QUANTITY | 1 |
DESTINATION | |
REMARKS |
*** N.L.A.*** (Canada) | |
REF # | 24 |
---|---|
PART NUMBER | |
QUANTITY | 4 |
DESTINATION | |
REMARKS |
NUT,6M/M | |
REF # | 25 |
---|---|
PART NUMBER | |
QUANTITY | 4 |
DESTINATION | |
REMARKS |
BOLT-UPSET,6X35 | |
REF # | 26 |
---|---|
PART NUMBER | |
QUANTITY | 4 |
DESTINATION | |
REMARKS |
BOLT-UPSET,6X20 | |
REF # | 27 |
---|---|
PART NUMBER | |
QUANTITY | 2 |
DESTINATION | |
REMARKS |