main content of page
Parts Diagrams
OWNER CENTER |

Welcome, Kawasaki owners. Access the information and tools you need to get the most out of your vehicle.
OWNER CENTER |
Welcome, Kawasaki owners. Access the information and tools you need to get the most out of your vehicle.
Parts Diagrams |
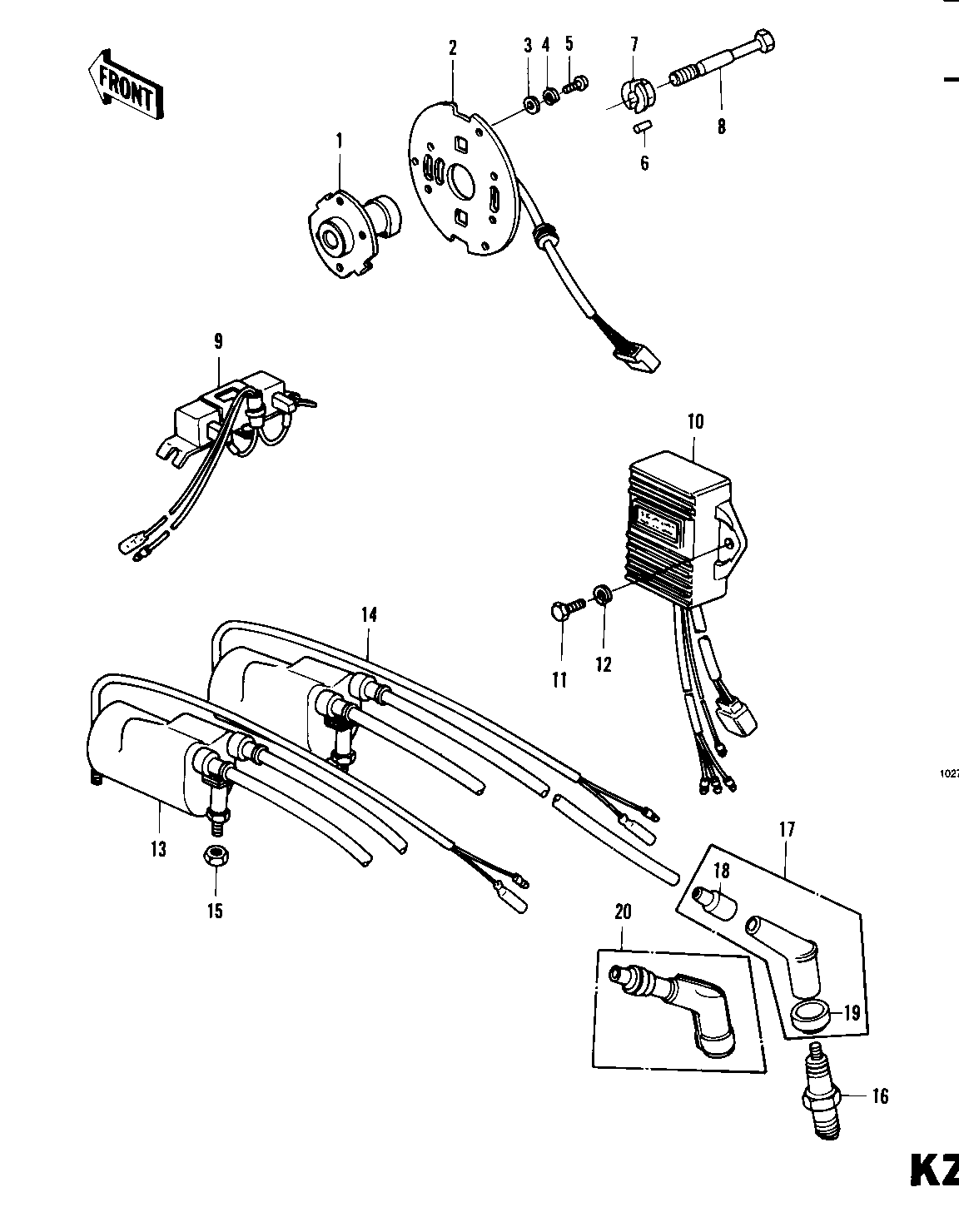
1980 Police 1000 - IGNITION (KZ1000-C3/C4)
ITEM NAME | REF # | PART NUMBER | QUANTITY | DESTINATION | REMARKS |
---|---|---|---|---|---|
ADVANCER ASSY,SPARK | 1 | 21148-1009 | 1 | ||
COIL-PULSING | 2 | 59026-1012 | 1 | ||
COIL-PULSING | 2 | 59026-1012 | 1 | ||
WASHER PLAIN 5MM | 3 | 410B0500 | 3 | ||
WASHER SPRING 5MM | 4 | 461F0500 | 3 | ||
SCREW PAN HEAD 5X12 | 5 | 220B0512 | 3 | ||
PIN-SPRING,4X8 | 6 | 555A0408 | 1 | ||
WASHER,SPARK ADVANCE | 7 | 92022-244 | 1 | ||
BOLT,SPARK ADVANCER | 8 | 92001-113 | 1 | ||
RESISTOR ASSY | 9 | 28018-1018 | 1 | ||
IGNITER | 10 | 21119-5001 | 1 | ||
BOLT-UPSET,6X16 | 11 | 112G0616 | 2 | ||
WASHER SPRING 6MM | 12 | 461F0600 | 2 | ||
COIL,IGNITION,NO.1&4 | 13 | 21121-1013 | 1 | CYL. 1 & 4 | |
COIL,IGNITION,NO.2&3 | 14 | 21121-1014 | 1 | CYL. 2 & 3 | |
NUT,LOCK 6MM | 15 | 92017-014 | 4 | ||
SPARK PLUG B8ES | 16 | B8ES | 4 | ||
CAP SPARK PLUG | 17 | 21160-1014 | 4 | ||
CAP SPARK PLUG | 17 | 21160-1014 | 4 | ||
GROMMET,SPARK PLG CA | 18 | 21132-005 | 4 | ||
GROMMET-PLUG CAP,A | 19 | 21131-004 | 4 | ||
CAP,SPARK PLUG | 20 | 21160-005 | 4 | CANADA |
ADVANCER ASSY,SPARK | |
REF # | 1 |
---|---|
PART NUMBER | |
QUANTITY | 1 |
DESTINATION | |
REMARKS |
COIL-PULSING | |
REF # | 2 |
---|---|
PART NUMBER | |
QUANTITY | 1 |
DESTINATION | |
REMARKS |
COIL-PULSING | |
REF # | 2 |
---|---|
PART NUMBER | |
QUANTITY | 1 |
DESTINATION | |
REMARKS |
WASHER PLAIN 5MM | |
REF # | 3 |
---|---|
PART NUMBER | |
QUANTITY | 3 |
DESTINATION | |
REMARKS |
WASHER SPRING 5MM | |
REF # | 4 |
---|---|
PART NUMBER | |
QUANTITY | 3 |
DESTINATION | |
REMARKS |
SCREW PAN HEAD 5X12 | |
REF # | 5 |
---|---|
PART NUMBER | |
QUANTITY | 3 |
DESTINATION | |
REMARKS |
PIN-SPRING,4X8 | |
REF # | 6 |
---|---|
PART NUMBER | |
QUANTITY | 1 |
DESTINATION | |
REMARKS |
WASHER,SPARK ADVANCE | |
REF # | 7 |
---|---|
PART NUMBER | |
QUANTITY | 1 |
DESTINATION | |
REMARKS |
BOLT,SPARK ADVANCER | |
REF # | 8 |
---|---|
PART NUMBER | |
QUANTITY | 1 |
DESTINATION | |
REMARKS |
RESISTOR ASSY | |
REF # | 9 |
---|---|
PART NUMBER | |
QUANTITY | 1 |
DESTINATION | |
REMARKS |
IGNITER | |
REF # | 10 |
---|---|
PART NUMBER | |
QUANTITY | 1 |
DESTINATION | |
REMARKS |
BOLT-UPSET,6X16 | |
REF # | 11 |
---|---|
PART NUMBER | |
QUANTITY | 2 |
DESTINATION | |
REMARKS |
WASHER SPRING 6MM | |
REF # | 12 |
---|---|
PART NUMBER | |
QUANTITY | 2 |
DESTINATION | |
REMARKS |
COIL,IGNITION,NO.1&4 | |
REF # | 13 |
---|---|
PART NUMBER | |
QUANTITY | 1 |
DESTINATION | |
REMARKS | CYL. 1 & 4 |
COIL,IGNITION,NO.2&3 | |
REF # | 14 |
---|---|
PART NUMBER | |
QUANTITY | 1 |
DESTINATION | |
REMARKS | CYL. 2 & 3 |
NUT,LOCK 6MM | |
REF # | 15 |
---|---|
PART NUMBER | |
QUANTITY | 4 |
DESTINATION | |
REMARKS |
SPARK PLUG B8ES | |
REF # | 16 |
---|---|
PART NUMBER | |
QUANTITY | 4 |
DESTINATION | |
REMARKS |
CAP SPARK PLUG | |
REF # | 17 |
---|---|
PART NUMBER | |
QUANTITY | 4 |
DESTINATION | |
REMARKS |
CAP SPARK PLUG | |
REF # | 17 |
---|---|
PART NUMBER | |
QUANTITY | 4 |
DESTINATION | |
REMARKS |
GROMMET,SPARK PLG CA | |
REF # | 18 |
---|---|
PART NUMBER | |
QUANTITY | 4 |
DESTINATION | |
REMARKS |
GROMMET-PLUG CAP,A | |
REF # | 19 |
---|---|
PART NUMBER | |
QUANTITY | 4 |
DESTINATION | |
REMARKS |
CAP,SPARK PLUG | |
REF # | 20 |
---|---|
PART NUMBER | |
QUANTITY | 4 |
DESTINATION | |
REMARKS | CANADA |