Skip to main content

Parts Diagrams

customer service agent speaking with a customer

Welcome, Kawasaki owners. Access the information and tools you need to get the most out of your vehicle.

Welcome, Kawasaki owners. Access the information and tools you need to get the most out of your vehicle.

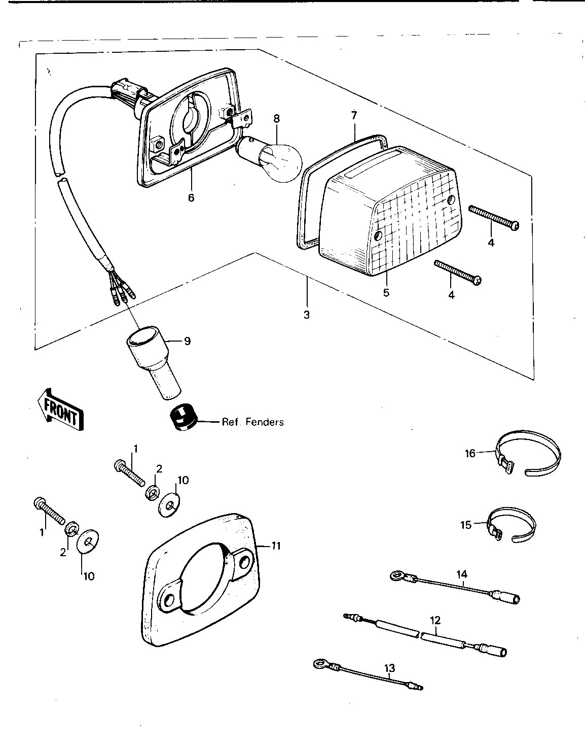
1981 KDX420 - TAILLIGHT/CHASSIS ELECTRICAL EQUIPMENT

Part Item Information
ITEM NAME REF # PART NUMBER QUANTITY DESTINATION REMARKS
SCREW PAN HEAD 5X20 1 220B0520 2
WASHER SPRING 5MM 2 461F0500 2
LAMP,TAIL 3 23025-075 1
SCREW-PAN-CROS 4 220B0330 2
LENS,TAIL LAMP 5 23026-040 1
CASE,TAIL LAMP 6 23027-044 1
GASKET,TAIL LIGHT 7 23028-020 1
BULB,6V 17/5.3W 8 92069-028 1
BOOT,HARNESS COVER 9 49006-1048 1
WASHER,PLAIN,6MM 10 92022-263 2
DAMPER RUBBER 11 92075-4014 1
WIRE, TAILLAMP 12 26011-4001 1
WIRE, GROUND HEADLAMP 13 26011-4002 1
WIRE, GROUND TAILLITE 14 26011-4003 1
BAND 15 92072-3505 5
BAND 16 92072-3509 3