main content of page
Parts Diagrams
OWNER CENTER |

Welcome, Kawasaki owners. Access the information and tools you need to get the most out of your vehicle.
OWNER CENTER |
Welcome, Kawasaki owners. Access the information and tools you need to get the most out of your vehicle.
Parts Diagrams |
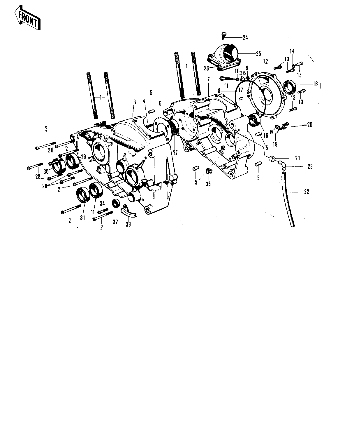
1971 Bison - CRANKCASE ('71-'72 F8/F8-A)
ITEM NAME | REF # | PART NUMBER | QUANTITY | DESTINATION | REMARKS |
---|---|---|---|---|---|
STUD 10X75 | 1 | 172G1075 | 4 | ||
SCREW PAN HEAD 6X75 | 2 | 220B0675 | 6 | ||
CRANKCASE SET | 3 | 14001-065 | 1 | ||
SCREW CNTSNK HD 6X16 | 4 | 221B0616 | 4 | ||
PIN,DOWEL,10X8.2X14 | 5 | 92043-1037 | 4 | ||
HOLDER-CRANK BEARING | 6 | 14014-019 | 1 | ||
CRANKCASE,R.H | 7 | 14003-056 | (1 | ||
CRANKCASE,R.H | 7 | 14003-058 | 1 | E/NO.05979 | |
"0" RING,134.5MM | 8 | 92055-039 | 1 | ||
"O" RING,5MM | 9 | 670B1505 | 1 | ||
"0" RING,5MM | 10 | 92055-011 | 1 | ||
NOZZLE OIL INJECTION | 11 | 92062-004 | 1 | ||
COVER-ROTARY DISC VLV | 12 | 14019-044 | 1 | ||
SCREW PAN HEAD 6X20 | 13 | 220B0620 | 6 | ||
"0" RING,CHECK VALVE | 14 | 92055-037 | 1 | ||
VALVE-CHECK | 15 | 16128-006 | 1 | ||
OIL SEAL TB35488 | 16 | 653B354808 | 1 | ||
PIN DOWEL 5X12 | 17 | 610A0512 | 2 | ||
BEARING BALL #6205 | 18 | 601B6205 | 2 | ||
HOLDER-MISSION BERNG | 19 | 14014-020 | 1 | ||
SCREW PAN HEAD 6X14 | 20 | 220B0614 | 2 | ||
GROMMET | 21 | 92071-042 | 1 | ||
PIPE-BREATHER | 22 | 92059-061 | 1 | ||
BREATHER ASSY | 23 | 14069-1001 | 1 | ||
BOLT-UPSET,6X20 | 24 | 112G0620 | 4 | ||
INLET PIPE | 25 | 11015-021 | 1 | ||
GASKET-INLET PIPE | 26 | 11017-005 | 1 | ||
BEARING-BALL | 27 | 92045-016 | 1 | ||
SCREW PAN HEAD 6X50 | 28 | 220B0650 | 5 | ||
BEARING BALL #6305 | 29 | 601B6305 | 1 | ||
SEAL-OIL | 30 | 92049-1250 | 1 | ||
OIL SEAL TB3040 | 31 | 92050-033 | 1 | ||
OIL SEAL SB12205 | 32 | 92049-004 | 1 | ||
COVER-WIRING HARNESS | 33 | 14076-001 | 1 | ||
SCREW PAN HEAD 6X30 | 34 | 220B0630 | 1 | ||
GROMMET | 35 | 92071-051 | 1 | ||
NOZZLE,OIL METERING | 36 | 92062-008 | 1 |
STUD 10X75 | |
REF # | 1 |
---|---|
PART NUMBER | |
QUANTITY | 4 |
DESTINATION | |
REMARKS |
SCREW PAN HEAD 6X75 | |
REF # | 2 |
---|---|
PART NUMBER | |
QUANTITY | 6 |
DESTINATION | |
REMARKS |
CRANKCASE SET | |
REF # | 3 |
---|---|
PART NUMBER | |
QUANTITY | 1 |
DESTINATION | |
REMARKS |
SCREW CNTSNK HD 6X16 | |
REF # | 4 |
---|---|
PART NUMBER | |
QUANTITY | 4 |
DESTINATION | |
REMARKS |
PIN,DOWEL,10X8.2X14 | |
REF # | 5 |
---|---|
PART NUMBER | |
QUANTITY | 4 |
DESTINATION | |
REMARKS |
HOLDER-CRANK BEARING | |
REF # | 6 |
---|---|
PART NUMBER | |
QUANTITY | 1 |
DESTINATION | |
REMARKS |
CRANKCASE,R.H | |
REF # | 7 |
---|---|
PART NUMBER | |
QUANTITY | (1 |
DESTINATION | |
REMARKS |
CRANKCASE,R.H | |
REF # | 7 |
---|---|
PART NUMBER | |
QUANTITY | 1 |
DESTINATION | |
REMARKS | E/NO.05979 |
"0" RING,134.5MM | |
REF # | 8 |
---|---|
PART NUMBER | |
QUANTITY | 1 |
DESTINATION | |
REMARKS |
"O" RING,5MM | |
REF # | 9 |
---|---|
PART NUMBER | |
QUANTITY | 1 |
DESTINATION | |
REMARKS |
"0" RING,5MM | |
REF # | 10 |
---|---|
PART NUMBER | |
QUANTITY | 1 |
DESTINATION | |
REMARKS |
NOZZLE OIL INJECTION | |
REF # | 11 |
---|---|
PART NUMBER | |
QUANTITY | 1 |
DESTINATION | |
REMARKS |
COVER-ROTARY DISC VLV | |
REF # | 12 |
---|---|
PART NUMBER | |
QUANTITY | 1 |
DESTINATION | |
REMARKS |
SCREW PAN HEAD 6X20 | |
REF # | 13 |
---|---|
PART NUMBER | |
QUANTITY | 6 |
DESTINATION | |
REMARKS |
"0" RING,CHECK VALVE | |
REF # | 14 |
---|---|
PART NUMBER | |
QUANTITY | 1 |
DESTINATION | |
REMARKS |
VALVE-CHECK | |
REF # | 15 |
---|---|
PART NUMBER | |
QUANTITY | 1 |
DESTINATION | |
REMARKS |
OIL SEAL TB35488 | |
REF # | 16 |
---|---|
PART NUMBER | |
QUANTITY | 1 |
DESTINATION | |
REMARKS |
PIN DOWEL 5X12 | |
REF # | 17 |
---|---|
PART NUMBER | |
QUANTITY | 2 |
DESTINATION | |
REMARKS |
BEARING BALL #6205 | |
REF # | 18 |
---|---|
PART NUMBER | |
QUANTITY | 2 |
DESTINATION | |
REMARKS |
HOLDER-MISSION BERNG | |
REF # | 19 |
---|---|
PART NUMBER | |
QUANTITY | 1 |
DESTINATION | |
REMARKS |
SCREW PAN HEAD 6X14 | |
REF # | 20 |
---|---|
PART NUMBER | |
QUANTITY | 2 |
DESTINATION | |
REMARKS |
GROMMET | |
REF # | 21 |
---|---|
PART NUMBER | |
QUANTITY | 1 |
DESTINATION | |
REMARKS |
PIPE-BREATHER | |
REF # | 22 |
---|---|
PART NUMBER | |
QUANTITY | 1 |
DESTINATION | |
REMARKS |
BREATHER ASSY | |
REF # | 23 |
---|---|
PART NUMBER | |
QUANTITY | 1 |
DESTINATION | |
REMARKS |
BOLT-UPSET,6X20 | |
REF # | 24 |
---|---|
PART NUMBER | |
QUANTITY | 4 |
DESTINATION | |
REMARKS |
INLET PIPE | |
REF # | 25 |
---|---|
PART NUMBER | |
QUANTITY | 1 |
DESTINATION | |
REMARKS |
GASKET-INLET PIPE | |
REF # | 26 |
---|---|
PART NUMBER | |
QUANTITY | 1 |
DESTINATION | |
REMARKS |
BEARING-BALL | |
REF # | 27 |
---|---|
PART NUMBER | |
QUANTITY | 1 |
DESTINATION | |
REMARKS |
SCREW PAN HEAD 6X50 | |
REF # | 28 |
---|---|
PART NUMBER | |
QUANTITY | 5 |
DESTINATION | |
REMARKS |
BEARING BALL #6305 | |
REF # | 29 |
---|---|
PART NUMBER | |
QUANTITY | 1 |
DESTINATION | |
REMARKS |
SEAL-OIL | |
REF # | 30 |
---|---|
PART NUMBER | |
QUANTITY | 1 |
DESTINATION | |
REMARKS |
OIL SEAL TB3040 | |
REF # | 31 |
---|---|
PART NUMBER | |
QUANTITY | 1 |
DESTINATION | |
REMARKS |
OIL SEAL SB12205 | |
REF # | 32 |
---|---|
PART NUMBER | |
QUANTITY | 1 |
DESTINATION | |
REMARKS |
COVER-WIRING HARNESS | |
REF # | 33 |
---|---|
PART NUMBER | |
QUANTITY | 1 |
DESTINATION | |
REMARKS |
SCREW PAN HEAD 6X30 | |
REF # | 34 |
---|---|
PART NUMBER | |
QUANTITY | 1 |
DESTINATION | |
REMARKS |
GROMMET | |
REF # | 35 |
---|---|
PART NUMBER | |
QUANTITY | 1 |
DESTINATION | |
REMARKS |
NOZZLE,OIL METERING | |
REF # | 36 |
---|---|
PART NUMBER | |
QUANTITY | 1 |
DESTINATION | |
REMARKS |