main content of page
Parts Diagrams
OWNER CENTER |

Welcome, Kawasaki owners. Access the information and tools you need to get the most out of your vehicle.
OWNER CENTER |
Welcome, Kawasaki owners. Access the information and tools you need to get the most out of your vehicle.
Parts Diagrams |
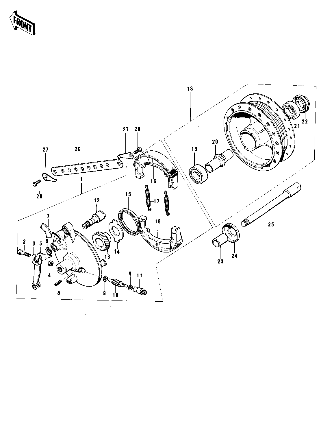
1971 F7 - FRONT HUB/BRAKE ('74-'75 F7-C/F6-D)
ITEM NAME | REF # | PART NUMBER | QUANTITY | DESTINATION | REMARKS |
---|---|---|---|---|---|
PANEL-ASY,FR BRK BUFF | 1 | 41035-044-80 | 1 | BUFF FINISH | |
BOLT-UPSET | 2 | 112G0630 | 1 | ||
LEVER FRONT BRAKE CAM | 3 | 41053-005 | 1 | ||
BAND OIL TANK | 4 | 92072-007 | 1 | ||
INDICATOR,BRAKE SHOE | 5 | 41085-012 | 1 | ||
"0" RING,11MM | 6 | 92055-004 | 1 | ||
LABEL,BRAKE SHOE,FRT | 7 | 41084-007 | 1 | ||
PIN,SPRING | 8 | 41082-001 | 1 | ||
WASHER THRST SPD PINI | 9 | 41063-001 | 2 | ||
PINION SPEEDOMETER | 10 | 41060-004 | 1 | ||
BUSH,SPEEDMETER CABLE | 11 | 41062-005 | 1 | ||
CAM SHAFT,FRONT BRAKE | 12 | 41050-019 | 1 | ||
GEAR-SPEEDOMETER | 13 | 41059-012 | 1 | ||
RECIEVER-SPEED GEAR | 14 | 41064-006 | 1 | ||
OIL SEAL F BRK PANEL | 15 | 92050-010 | 1 | ||
SHOE,BRAKE | 16 | 42019-010 | 2 | ||
SPRING,BRAKE SHOE | 17 | 92081-1766 | 2 | ||
DRUM-ASSY,FR BRK,BUFF | 18 | 41034-020-80 | 1 | BUFF FINISH | |
BEARING BALL #6301Z | 19 | 601B6301Z | 1 | ||
SPACER FR HUB BEARING | 20 | 41039-005 | 1 | ||
BEARING BALL #6301 | 21 | 601B6301 | 1 | ||
OIL SEAL FR BRK DRUM | 22 | 92050-011 | 1 | ||
COLLAR FRONT HUB R.H | 23 | 41069-005 | 1 | ||
DUST SHIELD FR BRAKE | 24 | 41042-006 | 1 | ||
AXLE-FRONT | 25 | 41068-032 | 1 | ||
TORQUE LINK-FRNT BRK | 26 | 43007-022 | 1 | ||
WASHER-LOCK | 27 | 92088-012 | 2 | ||
BOLT-HEA HEAD,8X20 | 28 | 92001-086 | 2 |
PANEL-ASY,FR BRK BUFF | |
REF # | 1 |
---|---|
PART NUMBER | |
QUANTITY | 1 |
DESTINATION | |
REMARKS | BUFF FINISH |
BOLT-UPSET | |
REF # | 2 |
---|---|
PART NUMBER | |
QUANTITY | 1 |
DESTINATION | |
REMARKS |
LEVER FRONT BRAKE CAM | |
REF # | 3 |
---|---|
PART NUMBER | |
QUANTITY | 1 |
DESTINATION | |
REMARKS |
BAND OIL TANK | |
REF # | 4 |
---|---|
PART NUMBER | |
QUANTITY | 1 |
DESTINATION | |
REMARKS |
INDICATOR,BRAKE SHOE | |
REF # | 5 |
---|---|
PART NUMBER | |
QUANTITY | 1 |
DESTINATION | |
REMARKS |
"0" RING,11MM | |
REF # | 6 |
---|---|
PART NUMBER | |
QUANTITY | 1 |
DESTINATION | |
REMARKS |
LABEL,BRAKE SHOE,FRT | |
REF # | 7 |
---|---|
PART NUMBER | |
QUANTITY | 1 |
DESTINATION | |
REMARKS |
PIN,SPRING | |
REF # | 8 |
---|---|
PART NUMBER | |
QUANTITY | 1 |
DESTINATION | |
REMARKS |
WASHER THRST SPD PINI | |
REF # | 9 |
---|---|
PART NUMBER | |
QUANTITY | 2 |
DESTINATION | |
REMARKS |
PINION SPEEDOMETER | |
REF # | 10 |
---|---|
PART NUMBER | |
QUANTITY | 1 |
DESTINATION | |
REMARKS |
BUSH,SPEEDMETER CABLE | |
REF # | 11 |
---|---|
PART NUMBER | |
QUANTITY | 1 |
DESTINATION | |
REMARKS |
CAM SHAFT,FRONT BRAKE | |
REF # | 12 |
---|---|
PART NUMBER | |
QUANTITY | 1 |
DESTINATION | |
REMARKS |
GEAR-SPEEDOMETER | |
REF # | 13 |
---|---|
PART NUMBER | |
QUANTITY | 1 |
DESTINATION | |
REMARKS |
RECIEVER-SPEED GEAR | |
REF # | 14 |
---|---|
PART NUMBER | |
QUANTITY | 1 |
DESTINATION | |
REMARKS |
OIL SEAL F BRK PANEL | |
REF # | 15 |
---|---|
PART NUMBER | |
QUANTITY | 1 |
DESTINATION | |
REMARKS |
SHOE,BRAKE | |
REF # | 16 |
---|---|
PART NUMBER | |
QUANTITY | 2 |
DESTINATION | |
REMARKS |
SPRING,BRAKE SHOE | |
REF # | 17 |
---|---|
PART NUMBER | |
QUANTITY | 2 |
DESTINATION | |
REMARKS |
DRUM-ASSY,FR BRK,BUFF | |
REF # | 18 |
---|---|
PART NUMBER | |
QUANTITY | 1 |
DESTINATION | |
REMARKS | BUFF FINISH |
BEARING BALL #6301Z | |
REF # | 19 |
---|---|
PART NUMBER | |
QUANTITY | 1 |
DESTINATION | |
REMARKS |
SPACER FR HUB BEARING | |
REF # | 20 |
---|---|
PART NUMBER | |
QUANTITY | 1 |
DESTINATION | |
REMARKS |
BEARING BALL #6301 | |
REF # | 21 |
---|---|
PART NUMBER | |
QUANTITY | 1 |
DESTINATION | |
REMARKS |
OIL SEAL FR BRK DRUM | |
REF # | 22 |
---|---|
PART NUMBER | |
QUANTITY | 1 |
DESTINATION | |
REMARKS |
COLLAR FRONT HUB R.H | |
REF # | 23 |
---|---|
PART NUMBER | |
QUANTITY | 1 |
DESTINATION | |
REMARKS |
DUST SHIELD FR BRAKE | |
REF # | 24 |
---|---|
PART NUMBER | |
QUANTITY | 1 |
DESTINATION | |
REMARKS |
AXLE-FRONT | |
REF # | 25 |
---|---|
PART NUMBER | |
QUANTITY | 1 |
DESTINATION | |
REMARKS |
TORQUE LINK-FRNT BRK | |
REF # | 26 |
---|---|
PART NUMBER | |
QUANTITY | 1 |
DESTINATION | |
REMARKS |
WASHER-LOCK | |
REF # | 27 |
---|---|
PART NUMBER | |
QUANTITY | 2 |
DESTINATION | |
REMARKS |
BOLT-HEA HEAD,8X20 | |
REF # | 28 |
---|---|
PART NUMBER | |
QUANTITY | 2 |
DESTINATION | |
REMARKS |