Skip to main content

Parts Diagrams

customer service agent speaking with a customer

Welcome, Kawasaki owners. Access the information and tools you need to get the most out of your vehicle.

Welcome, Kawasaki owners. Access the information and tools you need to get the most out of your vehicle.

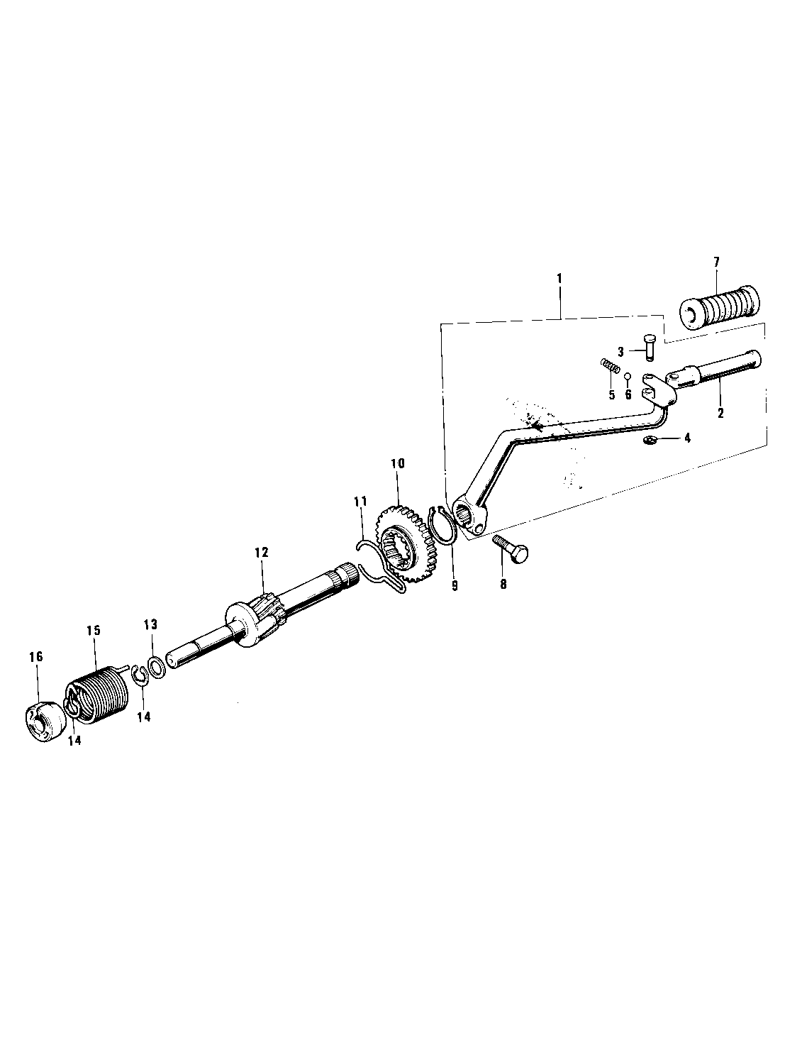
1971 F7 - KICKSTARTER MECHANISM ('71-'73 F7/F7-A/F

Part Item Information
ITEM NAME REF # PART NUMBER QUANTITY DESTINATION REMARKS
PEDAL ASSY,KICK 1 13064-020 1
LEVER-KICKSTARTER 2 13060-012 1
PIN-KICKSTARTER PEDAL 3 92043-068 1
CIRCLIP 5MM 4 482K5000 1
SPRING-KICK STARTER 5 92081-049 1
BALL-STEEL,11/32" 6 600A1100 1
RUBBER KICK PEDAL 7 13063-004 1
BOLT-SMALL-UPSET 8X25 8 115G0825 1
CIRCLIP 9 92033-022 1
GEAR-KICKSTARTER 10 13068-026 1 34T
HOLDER KICK GEAR 11 13077-002 1
SHAFT ASY,KICKSTARTER 12 13245-004 1
SHIM-KICK SHAFT,0.5T 13 92022-150 1
CIRCLIP 10MM 14 482J0100 2
SPRING KICKSTARTER 15 92082-002 1
GUIDE KICK SPRING 16 13070-001 1