Skip to main content

Parts Diagrams

customer service agent speaking with a customer

Welcome, Kawasaki owners. Access the information and tools you need to get the most out of your vehicle.

Welcome, Kawasaki owners. Access the information and tools you need to get the most out of your vehicle.

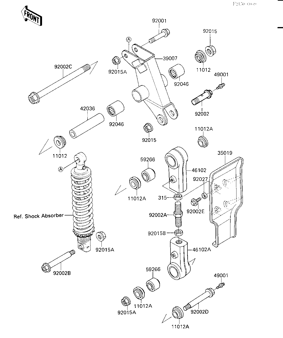
Part Item Information
ITEM NAME REF # PART NUMBER QUANTITY DESTINATION REMARKS
CAP,SWING ARM 11012 11012-1207 2
CAP,ROD 11012 11012-1418 4
FLAP,ROD 35019 35019-1166 1
ARM-SUSP,UNI TRAK 39007 39007-5006 1
SLEEVE,SUSPENSION ARM 42036 42036-1144 1
ROD,UNI TRAK 46102 46102-1130 1
ROD,UNI TRAK 46102 46102-1131 1
NIPPLE-GREASE,ROD BOL 49001 49001-1051 2
JOINT-BALL,ROD 59266 59266-1056 2
BOLT,FLANGED,10X48 92001 92001-1962 1
BOLT,FLANGED,14X57 92002 92002-1390 1
BOLT,ROD 92002 92002-1394 1
BOLT,10X68 92002B 92002-1395 1
BOLT,14X122 92002C 92002-1396 1
BOLT,ROD,10X65 92002D 92002-1397 1
BOLT,6X14 92002E 92150-1340 4
NUT,14MM 92015 92015-1407 2
NUT,10MM 92015A 92015-1415 3
NUT,14MM 92015B 92015-1463 1
COLLAR 92027 92027-1885 4
BEARING-NEEDLE,TA2030 92046 92046-1128 2
NUT-HEX-FINE 315 315G1400 1