Skip to main content

Parts Diagrams

customer service agent speaking with a customer

Welcome, Kawasaki owners. Access the information and tools you need to get the most out of your vehicle.

Welcome, Kawasaki owners. Access the information and tools you need to get the most out of your vehicle.

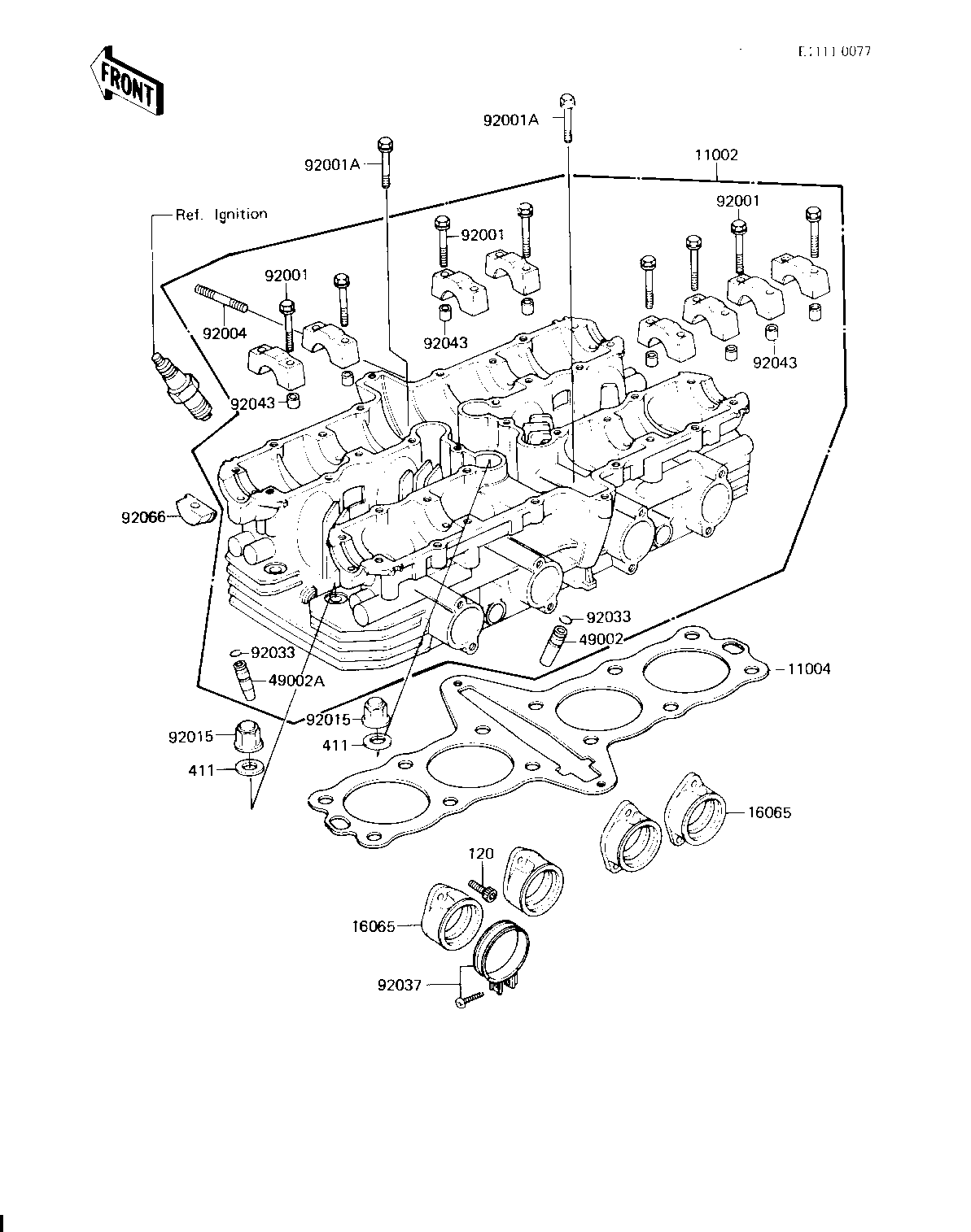
Part Item Information
ITEM NAME REF # PART NUMBER QUANTITY DESTINATION REMARKS
HEAD-ASSY-CYLINDER,SI 11002 11002-1118 1
GASKET-HEAD,CYLINDER 11004 11004-1107 1
HOLDER-CARBURETOR 16065 16065-1132 4
GUIDE,INLET VALVE 49002 12013-009 4
GUIDE,EXHAUST VALVE 49002A 49002-1002 4
BOLT,FLANGED,6X38 92001 92001-1105 16
BOLT,FLANGED,8X43 92001A 92001-1445 2
STUD,6X27 92004 92004-066 8
NUT,CYLINDER HEAD 92015 92015-076 12
CIRCLIP-VALVE 92033 92036-023 8
CLAMP-INLET PIPE 92037 92037-061 4
PIN-DOWEL 92043 92042-007 16
PLUG,CAMSHAFT,11.35X1 92066 92066-1111 4
BOLT-SOCKET,6X16,BLAC 120 120S0616 8
WASHER PLAIN 10MM 411 411B1000 12